找回密码
 请使用中文注册
查看: 315|回复: 0

厦华LC-32U16液晶电视开机后电源板吱吱响的维修

[复制链接]
阅读字号:

1548

主题

57

回帖

3万

积分

超级版主

积分
31347
发表于 2023-8-10 19:31:17 | 显示全部楼层 |阅读模式

马上注册,结交更多好友,享用更多功能,让你轻松玩转社区。

您需要 登录 才可以下载或查看,没有账号?请使用中文注册

×
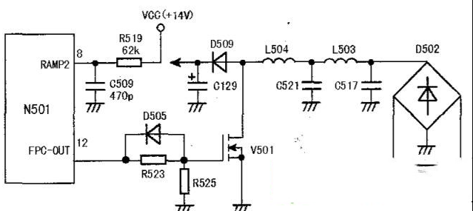
接修一台厦华LC-32U16液晶电视,开机后电源板发出“吱吱”响。异响在电源板中是常见故障,同时也是令人头痛的故障。此电源板中异响一般由下列电路或元件引起:1.PFC电路;2.延迟导通电路;3.反峰吸收电路;4.变压器;5.主滤波电容;6.稳压环路;7.PWM振荡部分。通电后仔细听电源板发出的“吱吱”声并不是很大,可以排除主滤波电容引起的可能性,因为主滤波电容引起的叫声比较大。如图1所示,为了判断是否由PFC电路引起响声,断开PFC关管V501后通电,发现噪音没了,证明问题出在PFC电路部分。通电后用万用表检测N501与PWM有关的引脚电压,发现⑧脚电压不正常。断电后检测⑧脚外接元件,发现R519阻值变为30MΩ (正常为62kΩ),更换R519后故障排除。
        102803se80f0wp8p3q3f0e.jpg         提示:N501的⑧脚为PWM锯齿波振荡器端,外接C509、R519为了决定PWM振荡的时间常数。如果R519失效,会使杂波进入变压器,从而产生噪音。
您需要登录后才可以回帖 登录 | 请使用中文注册

本版积分规则

QQ|Archiver|手机版|家电维修论坛 ( 蜀ICP备19011473号-4 川公网安备51102502000164号 )

GMT+8, 2025-10-10 14:00 , Processed in 0.288170 second(s), 24 queries .

Powered by Discuz! X3.5

© 2001-2025 Discuz! Team.

快速回复 返回顶部 返回列表