找回密码
 请使用中文注册
查看: 377|回复: 0

海信TLM32V68C液晶电视(MST6E16JS)光栅亮度不匀的维修

[复制链接]
阅读字号:

1548

主题

57

回帖

3万

积分

超级版主

积分
31347
发表于 2023-7-23 17:56:18 | 显示全部楼层 |阅读模式

马上注册,结交更多好友,享用更多功能,让你轻松玩转社区。

您需要 登录 才可以下载或查看,没有账号?请使用中文注册

×
接修一台海信TLM32V68C液晶电视,开机观察,机器启动正常,只是开机速度较慢,整机启动后屏幕由右至左逐步亮起,然后呈现出左暗右亮的亮度不均匀光栅。从这个现象表象上来看,似乎是灯管的问题造成的。但是整机又可以完全正常开启,那也就可以排除这个因素了。因为如果这是灯管老化或者开路引起的故障,整机就会进入过流或者过压保护状态,也就是我们经常见到的背光一亮就灭的现象。再仔细的观察发现灯管是处于没有被完全点亮的状态。说明该问题是属于高压不足而造成的问题。
        175556bkgspvup1ae9pqla.jpg
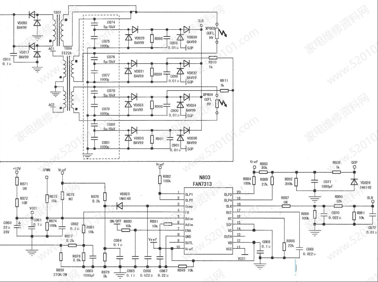
               如何维修造成的高压不足.呢?我们不妨先来分析下其正常工作时高压产生的过程(电路见图2):开机后,12V电压经过R872限流、C860滤波后送到N803( FAN7313)的11脚作为其工作电压。来自主板的开机信号加到N803的⑦脚后,N803开始工作,内部振荡电路产生幅度相同相位相反的激励脉冲电压分别由电滤⑨、13脚输出,激励脉冲电压经V820、V818及V821、V819组成桥式放大后,通过激励变压器T802倒相推动由V803、V804组成的半桥功率放大电路,进行功率放大。PFC产生的380V电压直接为功率放大电路供电。放大后的脉冲电压加到输出变压器T803的初级绕组。T803次级感应电压分别加到T804、T805、T806三个升压逆变器的初级端,经高压逆变器升压后,产生交流高压点亮灯管。
        175556p2pdi7ipilodt2aj.jpg         从对正常电路工作的分析情况和实际的故障上看,背光控制和高压逆变电路是正常的。因为灯管可以点亮,只是没有完全点亮,在这一点上来看,可以确定是由于激励脉冲PWM的占空比发生变化造成高压逆变电压降低引起的故障。
       又是什么原因造成的激励脉冲PWM的占空比发生变化而引起高压逆变电压降低呢?

               从图纸上可以明显的看出,高压的检测调整是由N803的④脚来控制的。N803的④脚是反馈输入脚,用来检测灯管实际的电流和电压的。从图2电路结构上来看,在高压逆变器T804的⑤-⑥高压绕组中串有电流互感器T807,T807次级感应电压经VD853、VD817桥式整流,C911滤波,R877、R859分压后加到反馈控制脚④脚。同时,电容C876;C877、C878、C879对高压逆变器次级交流高压分压,经VD831.VD833整流后,分别经R910和R911加入到N803的④脚。N803④脚内部电路则根据检测到的电压电流的变化来控制输出脉冲PWM的占空比,以达到稳定高压,控制亮度的目的(为便于理解,忽略在VD830、VD832、VD834、VD836内阻的情况下,现将此部分电路图重新绘制为一简化等 效电路,以便直观的看到该电路的组成。如图3所示)。
        175557nws6swuldsdddtwh.jpg         通过以上的分析,我们可以很明确的把这个问题的关键点确定在N803的④脚及其外围的电流电压检测电路上。

               开机实测N803④脚电压为1.4V, 而正常时此脚的电压应为0.95V。此数据显然说明这就是问题所在了,即反馈电压高了。这个电压在经过N803④脚内部处理后,控制了激励脉冲的输出,进而使高压逆变器输出的高压幅度降低了。
               由上面的分析我们不难看出,高压降低而反馈电压却升高,只有和C876、C877、C878、C879组成的分压电路有关。也就是说如果这几个电容容量减小就会改变其分压比,从而使反馈电压升高。
       按照上面的分析,也考虑到这四个电容容量较小(见图4),检测存在困难,因此直接予以代换后,开机观察故障排除。
        175557gwnhy81ywgtz5sh4.jpg
       反思:这个故障的出现可以说有一定的代表性。在针对这个故障的研判中,也有同行在实践后提出拆去R910或R911也可排除故障。仔细地看下图纸,拆去R910或R911其后继影响会是什么?这会带给我们自身和用户的不安全后果又会是什么?不言而喻,这也让我们从中看到了维修行业中存在的一种急功近利的浮躁情緒。很多时候我都觉得要做一个好的维修人员,其实和做一个好的大夫是一样的,医者仁心才是正道!
您需要登录后才可以回帖 登录 | 请使用中文注册

本版积分规则

QQ|Archiver|手机版|家电维修论坛 ( 蜀ICP备19011473号-4 川公网安备51102502000164号 )

GMT+8, 2025-10-11 18:29 , Processed in 0.300796 second(s), 24 queries .

Powered by Discuz! X3.5

© 2001-2025 Discuz! Team.

快速回复 返回顶部 返回列表