找回密码
 请使用中文注册
查看: 1052|回复: 0

LM139引脚图及功能+电路图讲解

[复制链接]
阅读字号:

1613

主题

58

回帖

3万

积分

超级版主

积分
32644
发表于 2023-7-7 12:54:28 | 显示全部楼层 |阅读模式

马上注册,结交更多好友,享用更多功能,让你轻松玩转社区。

您需要 登录 才可以下载或查看,没有账号?请使用中文注册

×
LM139 主要是以下几个方面:
  • 1、LM139是什么芯片?
  • 2、LM139 引脚图及功能
  • 3、LM139 CAD模型
  • 4、LM139芯片介绍
  • 5、LM139电路图讲解
一、LM139是什么芯片?
    LM139由四个独立的电压比较器组成,每个人比较器都经过专门设计,可在宽电压范围内使用单电源供电,也可以使用分离式电源进行操作。

21b1e2fb5ca02e33d8c2966c3700dbf0.png
LM139芯片实物图
二、LM139 引脚图及功能

9e7df6c152592cd1a216cde7e56ebbe3.png
LM139 引脚图及功能

d877495f41108bc07e3ae4509d5ec89a.png
LM139引脚图及功能
三、LM139 CAD模型1、LM139 PCB 符号

27f564db045ea9a133a0a2048ac9e328.png
LM139 PCB 符号
2、LM139 封装

e755ff71c4f8525e1ba70253af109f3a.png
LM139 封装
3、LM139 CAD 模型

0663438ae05a5507f049320b204e4eee.png
LM139 CAD 模型
四、LM139 芯片介绍1、LM139 原理图

9cdd6bf8959a322cf4156c5a2f15c4f4.png
LM139 原理图
2、简化原理图与布局实例
   为了芯片的长期性能,建议不要在其最大额定值下使用 芯片,并且始终使用低于其最大额定值 20% 的值。IC 的最大输出电流为 20mA,因此不要驱动超过 16mA 的负载。最大工作电压为 36V,因此请勿在超过 28V 的电压下操作 IC。防止 IC 输出短路到 Vcc,这可能会导致 IC 发热并烧毁/损坏内部电路。输入必须低于 -0.3V。操作 IC 时,IC 周围的温度应低于 +150 摄氏度,IC 的储存温度应在 -65 至 +150 摄氏度之间。

bb780392cd85d9800d117995eaeca49f.png
       LM139简化图
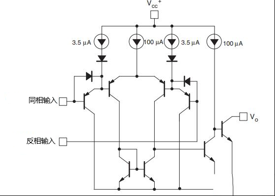
下图描绘了 lm139 比较器的内部简化电路图

4e82a665eef1b5497e4437203ec764c0.png
lm139 比较器的内部简化电路图
   下面为 LM139布局实例

837d0933e934235b462c7ca7f7c09207.png
LM139布局实例
3、参数与特点
  • 适用于所有设备的宽单电源电压范围或双电源:+2 至 +36 V 或 ±1 V 至 ±18 V
  • 与电源电压无关的极低电源电流 (1.1 mA)
  • 低输入偏置电流:25 nA 典型值
  • 低输入失调电流:±5 nA 典型值
  • 低输入失调电压:±1 mV 典型值
  • 输入共模电压范围包括接地
  • 低输出饱和电压:250 mV 典型值;(ISINK = 4 mA)
  • 差分输入电压范围等于电源电压
  • TTL、DTL、ECL、MOS、CMOS 兼容输出

五、LM139电路图讲解1、简单的大型入与门

9be6286d9193cec9584827919544d69a.png
简单的大型与门电路
该电路是LM139 低功耗低失调电压四路比较器组成,所有四个比较器的失调电压规格均低至 2 mV(最大值)。它们专门设计用于在宽电压范围内使用单个电源供电。任何未使用的比较器的所有引脚都应连接到负电源。
LM139 系列的输出是接地发射极 NPN 输出晶体管的未分配集电极,许多集电极可以连接在一起以提供或功能。
    Vo = A 或 B 或 C

1fc14463d7e1a8943bc2b5fcc41ea9a0.png
或运算电路
2、基本比较器驱动 CMO,驱动 TTL

0564d43b5d3ebeb7fd73a5f50bee4c47.png
基本比较器驱动 CMO

f1122c5c8aa2321637db814c97f72e91.png
基本比较器驱动 TTL
3、低频运算放大器

0564d43b5d3ebeb7fd73a5f50bee4c47.png
低频运算放大器

f1122c5c8aa2321637db814c97f72e91.png
低频运算放大器

19f671fbc92467a54751672e4c4be66a.png
低频运算放大器
4、延时发生器

5a9fd3c7a95195ec049e381376a05a02.png
延时发生器
5、带偏移过零检测器的低频运算放大器

e2439484134a2f93333d60c34458e849.png
带偏移过零检测器的低频运算放大器

ca1ea3d5f324d8089df12bb55c889655.png
带偏移过零检测器的低频运算放大器

067590981912b8f422864b586f2e9393.png
带偏移过零检测器的低频运算放大器
6、限制比较器晶控振荡器

8dd93cbe7c698814d2fab95129b14879.png
限制比较器晶控振荡器

59de82be2745cc54e87d39a8a791252f.png
限制比较器晶控振荡器
7、带负参考的比较器

dc412d8fa3874159da8a3860752fb5bf.png
带负参考的比较器
8、过零检测器

ed9175fe1dbe723d80ff4c505e81fe76.png
过零检测器













点击阅读原文,免费申请
您需要登录后才可以回帖 登录 | 请使用中文注册

本版积分规则

QQ|Archiver|手机版|家电维修论坛 ( 蜀ICP备19011473号-4 川公网安备51102502000164号 )

GMT+8, 2025-12-20 16:04 , Processed in 0.317050 second(s), 24 queries .

Powered by Discuz! X3.5

© 2001-2025 Discuz! Team.

快速回复 返回顶部 返回列表