找回密码
 请使用中文注册

机械控制/定时启动/微处理器控制式电饭煲工作原理及检修

2023-9-16 08:21| 发布者: 开心| 查看: 1180| 评论: 1

阅读字号:

摘要: 电饭煲使用普遍,型号多种多样,电饭煲按控制方式可分为机械控制无保温式、定时启动保温式微处理器控制式等三种类型。一、机械控制无保温电饭煲1.工作原理 由磁钢限温器和双金属片恒温器两部分 ... ...
453656389638


三、微处理器控制式电饭煲

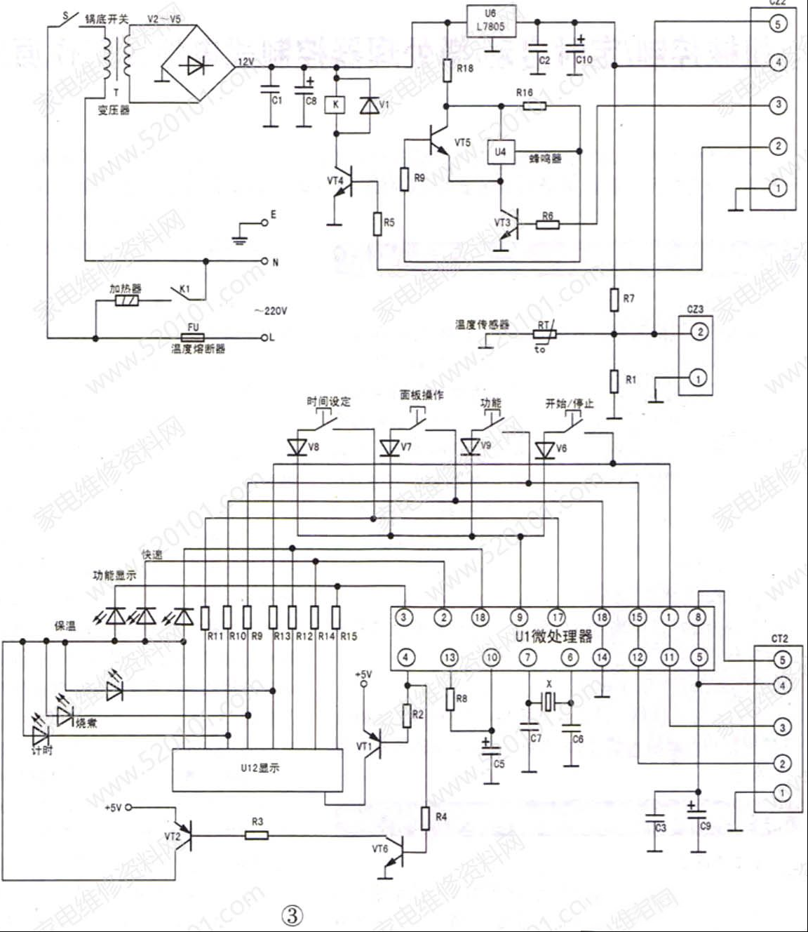
          这种电饭煲利用微处理器进行传感测量,控制细微的沸煮温度变化,功率在800W左右,有利于节能。图3所示为南极星CFXB40-B70T电饭煲微机控制电路。
  
 1.工作原理
        电路由电源电路、加热控制电路、蜂鸣电路、温度感应电路、显示指示电路、按键电路、微处成。放入装有食物的内锅后,开关S闭合,AC220V电源由熔断器FU、锅底开关s,经变压器T降压,V2~V5整流,C1、C8滤波后,得到12V直流电压,为加热控制电路和蜂鸣电路供电。该12V电压又经U6 稳压,得到5V电压。经插件CZ2④脚为U1电路和显示电路供电。继电器K、三极管VT4和加热器构成加热控制电路。三极管VT3、VT5和U4构成蜂鸣电路。R1、R7、温度传感器RT组成温度感应电路。RT为具有负温度系数的热敏电阻,安装在锅底总成中,用来感应锅内温度。VT1、VT2、VT6及U1④脚组成功能控制及显示驱动电路,数码管U2及发光二极管等组成显示指示电路。

        放入装有食物的内锅接通电源,U1③脚为低电平(2.9V),保温指示灯点亮,进入保温状态。按动功能按键,选择需要的功能(煮饭、快速煮饭、煮粥、炖汤等),按下“开始/停止"按键,12脚输出4.6V高电平,经CT2 2脚、R5,使三极管VT4导通,继电器K吸合,其常开触点闭合,接通加热器电路,开始加热煮饭,烧煮发光二极管闪烁,数码管显示煮饭时间。每按一次按键,11脚输出5V高电平,此高电平经R6加至VT3基极,使VT3导通,蜂鸣器U4发出声音,表示按键有效。当煮饭的温度升至103°C左右时,负温度系数热敏电阻RT的阻值减小到需要值,U1⑧脚电压下降到设定值,12脚变为低电平,经R5加至VT4基极,使VT4截止,继电器K失电释放,其常开触点K1复位断开,切断加热器220V电源,停止加热。按下时间设定按键,可以设定煮饭的时间。在煮饭过程中,按下“开始/停止”键,可以停止加热,进入保温状态。
  2.常见故障
       (1)接入电源,电饭煲不加热无指示显示的电源故障多数为温度熔断器烧断,锅底开关触点接触不良,或整流二极管开路。
       (2)电源电路无异常,按动各功能按键,微处理器U1的全部功能失效这可能是供电接插件触点接触不良,未能向U1输送5V工作电压;可能是u1⑥、⑦脚振荡电路损坏导致微处理器不能正常工作。如果复位电路有故障,也可造成微处理器功能失效或功能紊乱。
       (3)微处理器局部功能电路失效,其余功能正常用万用表检测这些引脚对地电阻或对地电压,以及这些引脚外围的电元件,应能找出故障点,微处理器U1引脚实测参数见表1。
3.检修实例
        (1)插上电源插头,电饭煲指示灯不亮接上AC220V电源,指示灯不亮,电饭煲无反应,问题多数出在电源电路。应首先检测电源插座有无220V电压、插座铜片有无变形。插头上有无烧蚀的污垢,用表测量温度熔断器,未烧断,阻值为0Ω。当测至锅底开关S时,将其人为压下闭合,表针指示为无穷大。拆开开关S,观察其已烧蚀。用小刀刮去烧蚀点并用细砂纸擦拭干净,用表测量阻值为0Ω。将其重新装好后,通电,整机恢复正常。
       (2)电饭煲不加热,其余功能正常
       这是加热控制电路故障,由电路原理可知,U1 12脚输出高电平,VT4才会导通,接通继电器K电路,电饭煲才会加热。按下“开始/停止"按键,用表测量u1 12脚有无4.6V电平。若有,测量VT4基极电阻R5两端对地电压,R5并无开路,再测量VT4集电极对地电压为0V,判断可能是继电器K线圈断路。断电,测继电器K的线圈电阻为无穷大,证明已断路,用规格相同的继电器更换之,电饭煲能正常加热。
       (3)电饭煲能加热,但饭煮不熟经试机观察,电饭煲未到设定时间就进入保温状态,加热器电源被提前切断,导致饭煮不熟。由电路原理可知,在时间设定后,随着加热时间的增长,锅内温度升高,U1⑧脚电压下降到设定值时,12脚变为低电平0V,VT4截止,切断加热电路。温度传感器RT损坏或R1阻值增大,必然会使U1⑧脚电压提前降至设定值,使u1 12脚提前变为低电平,导致VT4截止,继电器K提前释放切断加热器电源。用万用表测量R1阻值正常,RT常温阻值为150k~200k,比标称阻值大。更换RT后,故障排除。
12

路过

雷人
1

握手

鲜花

鸡蛋

刚表态过的朋友 (1 人)

发表评论

最新评论

引用 热心助人 2023-9-30 23:16
原理简单,介绍详细,非常适合初学者练手。

查看全部评论(1)

QQ|Archiver|手机版|家电维修论坛 ( 蜀ICP备19011473号-4 川公网安备51102502000164号 )

GMT+8, 2026-1-10 13:56 , Processed in 0.182674 second(s), 17 queries .

Powered by Discuz! X3.5

© 2001-2025 Discuz! Team.

返回顶部