找回密码
 请使用中文注册

四款前胆后石馄合功放选用不同功放管音色介绍,【付电路图】

2023-5-26 17:02| 发布者: 开心| 查看: 498| 评论: 0

阅读字号:

摘要: 发烧友在制作音频功放时,如果选用电子管作为推动管,大功率晶体管作为功放管护这将是一种不错的选择,因为这样既充分发挥了电子管动态范围大、线性好、失真小、偶次谐波多的优点,同时又免去了如果用胆管作功放 ...
    00

   2.采用2SK135/2SJ50场效应互补对管    2SK135/2SJ50 MOSFET型场效应互补对管是日立公司专为音响开发的。它克服了因VMOS型场效应管导通电阻大、结电容大,采用它们制作的音响高频失真大、声音粗糙的缺点。该对管主要电参数为:VDS为±160V,VGS为±14V、 ID为17A、PD为100W。为17A、PD为100W、RT为110ns。与场效应管复合的互补对管分别为2SC2275A、2SA985A,其主要参数为:Vceo为±150V、Icm为±1.5A、Pcm为25W、fT为200MHz,由它们构成的胆石混合功放电路如图2所示,调试方法及数值与图1相同。
    由于该对管具有开关速度快、在大电流下具有负温度系数特性、无二次击穿、仅需电压驱动、偶次谐波丰富,故该功放表现颇佳,音质温润。在聆听古典音乐、轻音乐、小夜曲、民乐等方面表现非凡,尤其是弦乐与人声方面是功放管采用双极型晶体管所无法比拟的。所以,笔者以为该功放是喜欢欣赏音乐的爱好者的明智选择。顺便提及,与上述场效应互补对管相似的型号还有:2SK132/2SJ47、2SK133/2SJ48、2SK134/2SJ49等。
    3.采用2SC2922/2SA1216双极型互补对管    2SC2922/2SA1216互补对管是日本三肯公司生产。一其主要电参数为:Vceo为+180V,Icm为±17A、PC。为200W、fT为50M8z。与2SC2922/2SA1216进行复合的互补对管采用的是2SC2238、2SA968,其主要参数为:Vceo为±160V、Icm为±1.5A、Pcm为25W、 fT为100MHz,由它们构成的胆石混合功放电路如图3所示。
    末级电源电压取±45V,调试方法与图1有所不同,调W1使2SC2922集电极静态电流为150~200mA,调整R4(可先用20kΩ电位器调好后再换成固定电阻)使输出点对地电压为0±0.3V,注意此时扬声器断开。反复几次,直至通电1~2小时后,电流、电压值仍符合上述要求为止。该功放具有三肯管独有的纯正音色,音质明亮,明亮中带有细腻。高音清丽而不刺耳,低音厚实有力而不拖泥带水。如果元件选择上乘,电路布局设计合理,该电路可达Hi-Fi水准。图3中的功放管还可选择东芝公司生产的2SC2565/2SA1095互补对管。该互补对管参数为:Vceo为±160V、Icm为±15A、Pcm为150W、fT为90MHz。
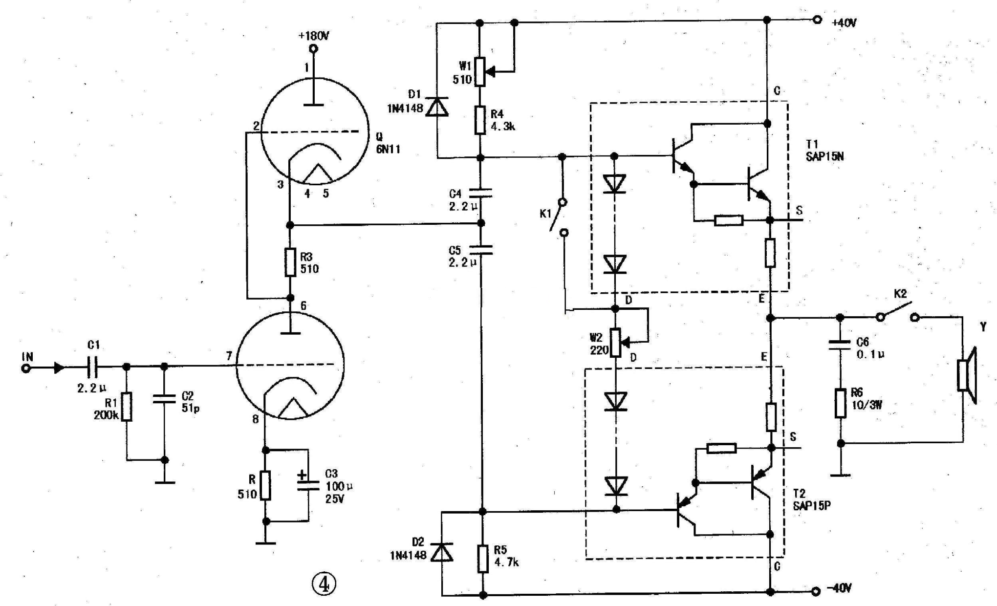
    4.采用SAP15N/SAP15P达林顿互补对管    SAP15N/SAP15P达林顿互补对管,是日本三肯公司推出的另一种音响达林顿互补对管。共有5只引脚,其中多出的二只脚一只为偏流二极管引出脚D,另一只为内部发射极S(内接电流控制电路)。该对管主要电参数为:Vce为±160V、Icm为±15A、Pcm为150W、fT70MHz。管内设有电流控制及温度补偿电路,使放大器无论是动态或是静态均能自动稳定工作点,保证功放始终工作在最佳状态。由它们构成的胆石混合功放电路元件极少,如图4所示。
    末级电源电压仍取±40V,图中W2是静态电流调整电阻。当开关K1断开时,机器工作在甲类状态。调整W2,使SAP15N C极电流为150m A~250mA;调整W1使中点(即图中E点)对地电压为零。当开关K1合上时,机器工作在甲乙类状态。调整W2,使SAP15N C极电流为25mA~30mA;调整W1使中点对地电压为零。实践表明,当功放工作在甲类状态时,音色甜美圆润。当功放工作在甲乙类状态时,音色亮丽清纯。不论是处于哪种工作状态,总体感觉是低音强劲有力、中高音清晰明亮,悦耳动听,失真都很小。绝对比纯石机音质强多了。    最后要说明的是,上述几款胆石混合功放电路均未加大环路的负反馈来稳定其工作点,全靠元件的性能来保障。因此,除元件要是上品外,对管参数要严格保证一致。上下配值一样的电阻、二极管,电容的数值也要严格一致,最好用数字万用表和专用电容表挑选。电阻采用金属膜电阻,除注明功率的外,其余均为1/2w,无极电容建议采用音响专用的聚苯乙烯电容(MKS)或聚对苯二甲酸醋电容(MKT )。因这类电容具有热稳定性好、频率特性好、正切损耗值小、漏电小、等效电感小及耐压≥160V等优良特性,对保证音响高品质音质起着重要作用。    另外,在推动级的胆管采用的普通民用级管6N11,若采用军用级6N1 1J或进口管6DJ8效果可能会更好些。功放管若采用其他不同类型或型号的,可能还会有不同的音色表现,这有待音响爱好者去尝试,并根据各人喜爱决定选用哪一种具体电路。  12 / 2 页
12

路过

雷人

握手

鲜花

鸡蛋

最新评论

QQ|Archiver|手机版|家电维修论坛 ( 蜀ICP备19011473号-4 川公网安备51102502000164号 )

GMT+8, 2025-11-20 08:57 , Processed in 0.187987 second(s), 17 queries .

Powered by Discuz! X3.5

© 2001-2025 Discuz! Team.

返回顶部