找回密码
 请使用中文注册

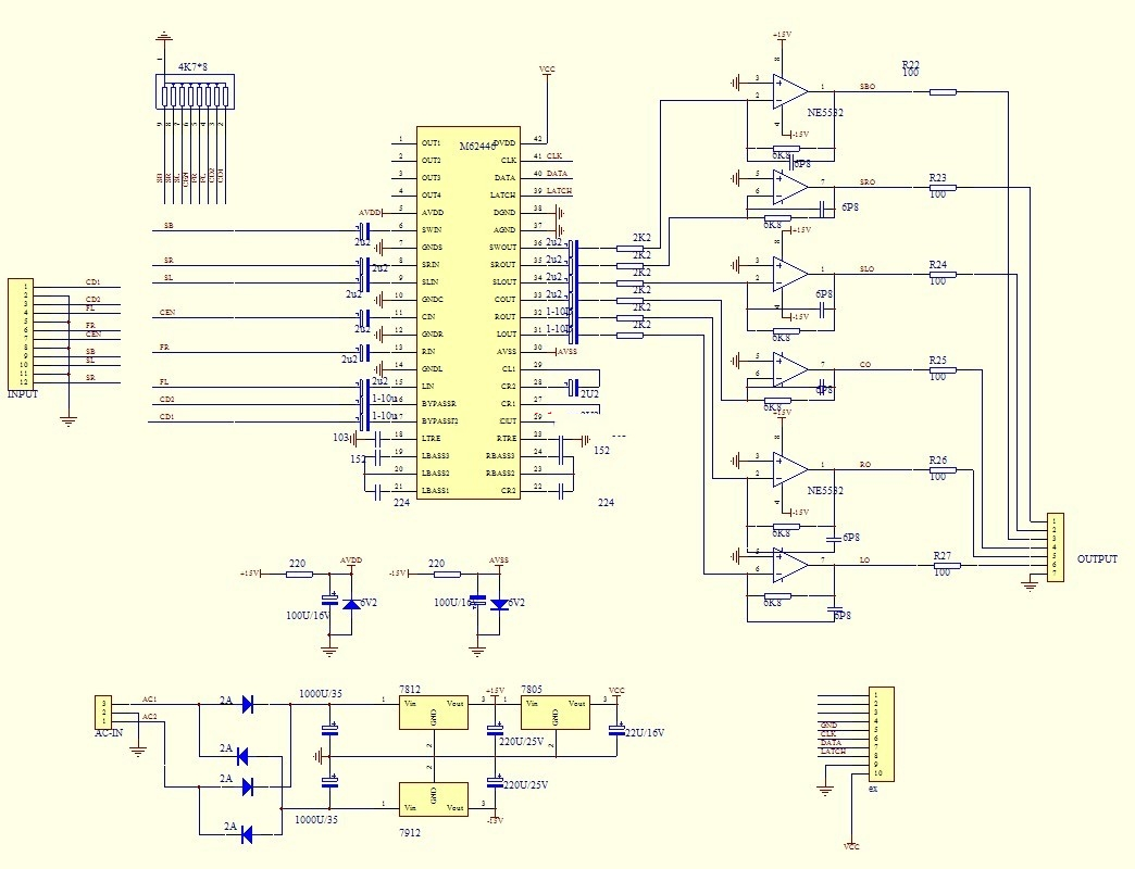
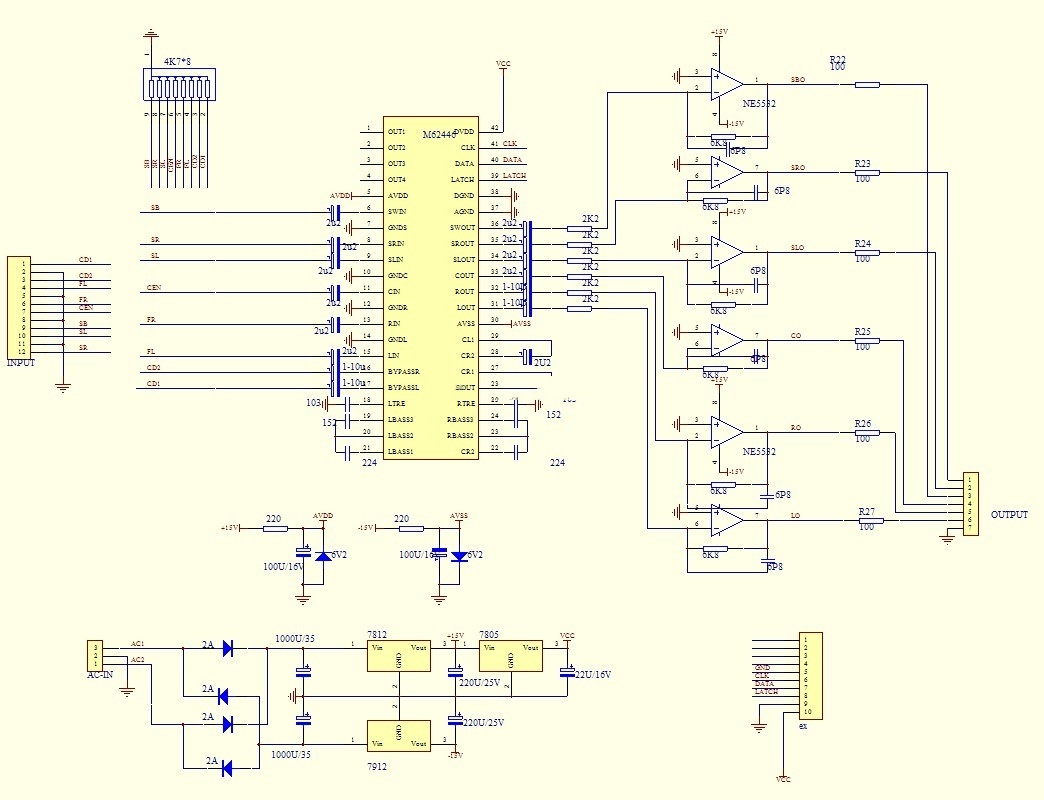
万利达DVD 功放电路图纸

2023-5-26 16:53| 发布者: 开心| 查看: 79| 评论: 0

阅读字号:

摘要: 我多年积累的万利达DVD,功放 电路图纸有需要跟我要 我的QQ 51jing@sina.com 加我就可以了。89L Main Board Schematicdvp805.pdf89M Main Board Schematic.pdf1389HD方案原理图060720.pdf1389M.PDFDVP865y_v2.pdf ...
    我多年积累的万利达DVD,功放 电路图纸有需要跟我要 我的QQ 51jing@sina.com 加我就可以了。89L Main Board  Schematicdvp805.pdf89M Main Board Schematic.pdf1389HD方案原理图060720.pdf1389M.PDFDVP865y_v2.pdfDVP-863 R方案.pdfDVP-891.pdfHDMI传输原理解析.docMT1389HD_pin256_description_V1.5.pdfMA-719.pdfMT1389HD_pin256_description_V1.5.pdfHDMI传输原理解析.docMAV-739SCH.pdfMAV-729SCH.pdfMAV-721PRE.SCH.pdfMAV-721AMP.SCH.pdfMA-719.pdfupc1237.pdfTDA2030.pdf
TA31101.pdf
stf16360en.pdfs280AMP.pdfpt2399.pdfpt2314.pdfPT2313.pdfMAV-739SCH.pdfMAV-729SCH.pdfMAV-721PRE.SCH.pdfMAV-721AMP.SCH.pdf89L Main Board  Schematicdvp805.pdf89M Main Board Schematic.pdf1389HD方案原理图060720.pdf1389M.PDFDVP865y_v2.pdfDVP-863 R方案.pdfDVP-891.pdfHDMI传输原理解析.docMT1389HD_pin256_description_V1.5.pdfMA-719.pdfMAV-721AMP.SCH.pdfMAV-721PRE.SCH.pdfMAV-729SCH.pdfMAV-739SCH.pdfPT2313.pdfpt2314.pdfpt2399.pdfs280AMP.pdfs280AMP.pdfs280AMP.pdf
TA31101.pdfTDA2030.pdfupc1237.pdf

路过

雷人

握手

鲜花

鸡蛋

最新评论

QQ|Archiver|手机版|家电维修论坛 ( 蜀ICP备19011473号-4 川公网安备51102502000164号 )

GMT+8, 2025-11-20 07:47 , Processed in 0.181149 second(s), 17 queries .

Powered by Discuz! X3.5

© 2001-2025 Discuz! Team.

返回顶部