找回密码
 请使用中文注册

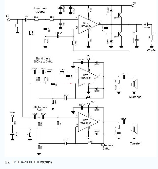
功放★TDA2030功放★典型运用电路图功能

2023-5-26 16:53| 发布者: 开心| 查看: 90| 评论: 0

阅读字号:

摘要: TDA2030是许多电脑有源音箱所采用的Hi-Fi功放集成块。它接法简单,价格实惠。额定功率为14W。dianyuan电源电压为±6~±18V。输出电流大,谐波失真和交越失真小(±14V/4欧姆,THD=0.5%)。具有优良的短路和过热保护 ...
    TDA2030是许多电脑有源音箱所采用的Hi-Fi功放集成块。它接法简单,价格实惠。额定功率为14W。dianyuan电源电压为±6~±18V。输出电流大,谐波失真和交越失真小(±14V/4欧姆,THD=0.5%)。具有优良的短路和过热保护电路。
电路以TDA2030为中心组成的功率放大器,特点有:失真小、外围元件少、装配简单、功率大、保真度高等,很适合无线电爱好者和音响发烧友自制,学生组装。特意提供TDA2030功放电路图.
工作原理:
    电路中D1—D4为整流二极管,C11为滤波电容,C12为高频退耦电容;RP1为音量调节电位器;IC1、IC2是两个声道的功放集成电路;R1、R2、R3、C2(R7、R8、R9、C7)为功放IC输入端的偏置电路,
本电路为单dianyuan电源供电,功放IC输入端直流电压为1/2dianyuan电源电压时电路才能正常工作;R4、R5、C3(R10、R11、C8)构成负反馈回路,改变R4(R10)的大小可以改变反馈系数。C1(C6)是输入耦合电容,C4(C9)是输出耦合电容;在电路接有感性负载扬声器时,R6、C5(R12、C10)可确保高频稳定性。


信号流程:
音频信号从X1输入经音量电位器RP1,再由C1(C6)耦合,进入IC1(IC2)的1脚,由集成电路放大后从4脚输出,经输出耦合电容C4(C9)到达X2。 

二、性能参数 

        输入电压:AC≤18V  DC≤24V 
        输出功率:Po=15W+15W(RL=4Ω) 
        输出阻抗:4—8 Ω双dianyuan电源供电BTL音频功率放大器[attach]73708[/attach] 



工作原理: 用两块TDA2030 组成如图1所示的BTL功放电路,TDA 2030(1)为同相放大器,输入信号Vin通过交流耦合电容C1馈入同相输入端①脚,交流闭环增益为KVC①=1+R3 / R2≈R3 / R2≈30dB。R3 同时又使电路构成直流全闭环组态,确保电路直流工作点稳定。TAD 2030(2)为反相放大器,它的输入信号是由TDA 2030(1)输出端的U01 经R5、R7分压器衰减后取得的,并经电容C6   后馈给反相输入端②脚,它的交流闭环增益KVC②=R9 / R7//R5≈R9/R7≈30dB。由R9=R5,所以TDA 2030(1)与TDA 2030(2)的两个输出信号U01 和U02 应该是幅度相等相位相反的,即: U01≈Uin·R3 / R2        U02≈-U01·R9 / R5
                   ∵ R9=R5             ∴ U02 =-U01 
因此在扬声器上得到的交流电压应为:
                       êUYç= U01 -( -U02)= 2U01 = 2U02
      








路过

雷人

握手

鲜花

鸡蛋

最新评论

QQ|Archiver|手机版|家电维修论坛 ( 蜀ICP备19011473号-4 川公网安备51102502000164号 )

GMT+8, 2025-11-20 02:51 , Processed in 0.134878 second(s), 16 queries .

Powered by Discuz! X3.5

© 2001-2025 Discuz! Team.

返回顶部