找回密码
 请使用中文注册

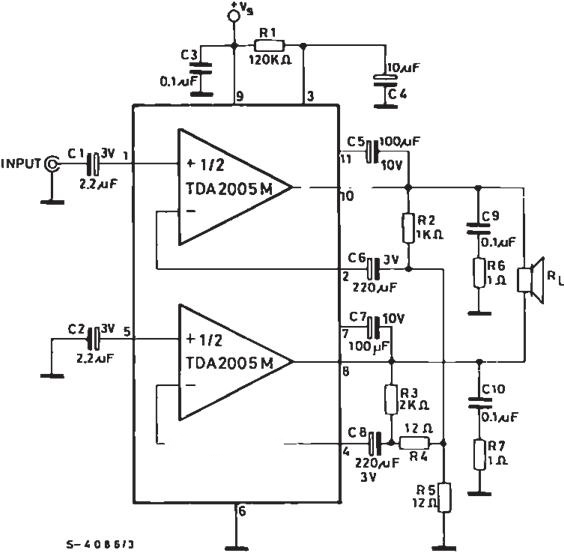
功放★_TDA2005典型应用图纸

2023-5-26 16:46| 发布者: 开心| 查看: 36| 评论: 0

阅读字号:

摘要:   TDA2005是一块很实用的立体声音频放大芯片20W主要参数:   工作电压:DC6~12V (12V最佳,电压低会影响输出功率和音质)  功率:输出10W X 2  阻抗:输出4Ω 以上TDA2005引脚说明 典型 ...
      TDA2005是一块很实用的立体声音频放大芯片20W
主要参数: 
  工作电压:DC6~12V (12V最佳,电压低会影响输出功率和音质)
  功率:输出10W X 2
  阻抗:输出4Ω 以上TDA2005引脚说明 
 典型应用电路图 

路过

雷人

握手

鲜花

鸡蛋

最新评论

QQ|Archiver|手机版|家电维修论坛 ( 蜀ICP备19011473号-4 川公网安备51102502000164号 )

GMT+8, 2025-11-21 05:26 , Processed in 0.176915 second(s), 17 queries .

Powered by Discuz! X3.5

© 2001-2025 Discuz! Team.

返回顶部