找回密码
 请使用中文注册

LM1875应用实验和电流反馈BTL电路设计

2023-5-26 16:42| 发布者: 开心| 查看: 50| 评论: 0

阅读字号:

摘要: 直流化电流负反馈OCL电路应用 按《电子报》2001年第27期《LNl875功放制作体会》一丈的电路(图1)进行实验,结果确如文中所说,电路直流化并改为电流反馈后,频响拓宽,低音力度明显增强, ...
    直流化电流负反馈OCL电路应用 
     按《电子报》2001年第27期《LNl875功放制作体会》一丈的电路(图1)进行实验,结果确如文中所说,电路直流化并改为电流反馈后,频响拓宽,低音力度明显增强,高频解析力增加,中音质感增强,音质较标准电路提高很多,使入久听不厌、用此功放与新德克6800纯甲类功放对比试听,推惠威天鹅M1.2音箱,15平方米房间,约有10W左右输出,音色极为接近新德克机,声音力空、解析力与之不相上下。LMl875高音细腻一点,新德克6800人声厚度强——点,二者差别之小,出乎意料。
    但LMl875直流化电流负反馈电路的不足也使人觉得若有所失:功率偏小,静态时有可闻的交流声,实测LMl875静态时输出端有几到十几mV的电压。
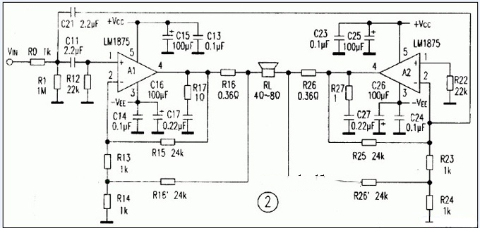
LMl875直流化电流负反馈BTL设计 
     直流化电流负反馈BTL电路见图2,取消标准BTL电路中的C12、C22,使电路直流化;电阻R16与R26是取样电阻,电流反馈信号经R15、R16、R25、R26分别进入放大器A1、A2的反相输入端,R13、R14、R15、R16的zuzhi阻值决定放大器增益的大小。
   用图2电路实验,不管怎样通断dianyuan电源与输入信号,输出端始终没有直流输出,并且没有静态输出噪音,开机时喇叭中只有轻微“叭”音,关机时扬声器中绝无噪音可闻。通过实验可知,此种输入电路工作十分稳定,即使在开大音量或静态时将输入端子拔掉再插上,电路也不会自激。电容C11对音质影响很大,去掉此电容后,眼前马上一亮,中高音变得清澈细腻,低音富有弹性和力度。直流化电流负反馈BTL电路继承了直流化电流负反馈OCL电路音质的优点,失真进一步减小,输出功率增大到原来的3倍,达到了60瓦以上,克服了其开关机扬声器中有冲击声和静态时有交流声的缺点,是LM1875的理想优化电路。

路过

雷人

握手

鲜花

鸡蛋

最新评论

QQ|Archiver|手机版|家电维修论坛 ( 蜀ICP备19011473号-4 川公网安备51102502000164号 )

GMT+8, 2025-11-21 05:26 , Processed in 0.180686 second(s), 17 queries .

Powered by Discuz! X3.5

© 2001-2025 Discuz! Team.

返回顶部