找回密码
 请使用中文注册

TDA1514A放大器制作

2023-5-26 16:42| 发布者: 开心| 查看: 38| 评论: 0

阅读字号:

摘要: TDA1514A集成电路功率IC,额定输出功率为40W,实用电路如图1。按电路图安装后试听,声音很清亮、悦耳。但有偏“冷”的感觉。于是,前置级放大集成电路换上“暖”声调的双运 ...
    TDA1514A集成电路功率IC,额定输出功率为40W,实用电路如图1。按电路图安装后试听,声音很清亮、悦耳。但有偏“冷”的感觉。于是,前置级放大集成电路换上“暖”声调的双运放AD712,使音色趋向“中性”化。 
     TDA1514A为单列式九脚封装。②脚接内部保护电路,当负荷过载时,开启静音电路,防止音频信号流过功率块的内部放大电路,从而保护该集成块不致于过流而烧毁。静音电路由RA和CA的充放电路和②脚内部电路所组成。
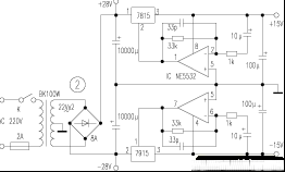
    须注意的是该集成块散热板是与负dianyuan电源④脚相通的,所以装制时应填云母片与散热器绝缘。前级双运放5倍放大器的±15V供电应采用高速有源伺服dianyuan电源,如图2。 
     该机凡是滤波电容都用日本ELNA高速电解,耦合电容用ELNA(S)音频专用耦合电容。

路过

雷人

握手

鲜花

鸡蛋

最新评论

QQ|Archiver|手机版|家电维修论坛 ( 蜀ICP备19011473号-4 川公网安备51102502000164号 )

GMT+8, 2025-11-21 07:05 , Processed in 0.180636 second(s), 17 queries .

Powered by Discuz! X3.5

© 2001-2025 Discuz! Team.

返回顶部