找回密码
 请使用中文注册

用TDA2030A+NE5532运放制作的功放★_电路

2023-5-26 16:41| 发布者: 开心| 查看: 65| 评论: 0

阅读字号:

摘要: TDA2030AT是美国国家半导体公司九十年代初推出的一款音频功放电集成电路和LM3886互相代替。 TDA2030AT是美国国家半导体公司九十年代初推出的一款音频功放电集成电路,采用TO-220封装, ...
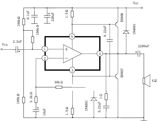
    TDA2030AT是美国国家半导体公司九十年代初推出的一款音频功放电集成电路和LM3886互相代替。    TDA2030AT是美国国家半导体公司九十年代初推出的一款音频功放电集成电路,采用TO-220封装,外围元件少,但是性能优异,具有频率响应宽和速度快等特点,从九十年代初一直到现在还被广大音响爱好者推荐。最可贵的是其价格已从当初的十几元降至现在的八九元,最适合于不想花太多的钱又想过过发烧隐的爱好者业余制作。该IC最的优点是在小功率输出时的音质能直逼中高档音响的听音效果,在标准工作电压下能获得30W的平均功率,这在一般家用情况下已经足够,笔者曾用NE5532前级音调电路推动该集成功放,正如各类电子报刊评价那样获得极佳的效果,遗憾的是这样性格高的集成电路却很少见于市售的功放和多媒体有源音箱中,虽然其外表是如何的赏心悦目和精致漂亮,但是打开外壳,却很难发现它的芳影,而是生产厂家为了节省那几元钱的成本,大都采用诸如2030或其它名不见经传的廉价电路,由于和TDA2030的封装完全一样,可以直接的代替它,可以获得立竿见影的效果,但是必须是正品。以下是应用电原理图,只画出一个声道,以下均只画出一个声道,另一声道原理相同。 
 
     在以往电子报刊中常介绍给功放集成电路取消负反馈电容,再加上一个由运算放大器构成的直流伺服电路,使其变成一个纯直流功放电路,事实对TDA2030A,还有LM3886等,根本不需多此一举,直接取消该电容即可,用数字万用表实际测量输出端,发现它的零点偏移很少,只有几毫伏左右,本人用这样的电路多年还没有烧坏集成块和扬声器的事件发生,况且该集成电路具有过热过流短路保护功能,该电路中取消了负反馈电路中下面的负反馈电容,变成了纯直流放大电路,大大地拓宽了频率响应,事实证明,只要前级音频输入电容选好,一般用CBB1U,或者用别的发烧品牌如WIMA,等,后级电位就很稳定,不能用一般的电解电容,因为那样有可能有小电流通过,通过放大后造成后级的不稳定,你可以通过对比试听出取消前后的音质绝然不同的效果,特别是高频和低音的拓宽,该电路取消了一般采用运放做伺服电路,使制作变得容易。 
  另外该电路还采用电流负反馈电路,该电路也是近年来报刊推荐较多的电路,电压负反馈电路相比,其增益随着未级输出电流的增大而增大,这样能使低频重放力度增强,需要指出的是,采用该电路时,dianyuan电源的功率储备要有余量,建议用150W的环变。否则不但达不到预期效果,反而使失真加大,如果你的dianyuan电源变压器功率不大,建议你用传统的电压负反馈方式。 
 
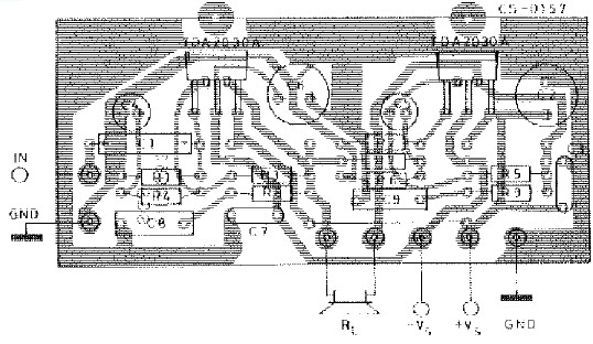
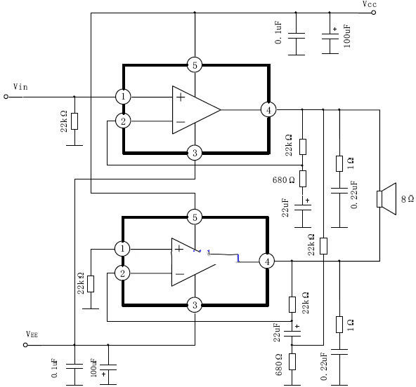
     下面是采用两个TDA2030AT和两个SIG公司的NE5532(大S)做前级音调的前后级功放板图片。一个运放担任负反馈音调,另一个为线性缓冲放大,PCB设计时为前后级接地分开走线,一点接地,以更好的发挥集成电路的优良性能,其中包括dianyuan电源整流,连线接座,只要接入变压器dianyuan电源线,即可通电工作。
    电容部分为德国红WIMA电容,NE5532为正宗的SIG产,dianyuan电源滤波电解为NICHICOM的25V/4700UF,容量上对TDA2030A已经足够,耐压上还有所注意,由于本人用双12伏AC供电,整流滤波后的的电压为双18V左右,这样用25V的耐压已经足够了,如果供电变压器的电压超过12V,建议用35V/4700UF,电阻用金属膜,关于电容,这里提一下,有音频通道中有时是必不可少的但是对音质的影响也是很大的一个元器件,所以现在也就有很多的进口发烧电容如ELNA等可以用到电路中,在本电路中的C2,C5的选取尤其重要,(C5必不可少不能省本电路为WIMA 1UF的)本功放电路中的音频通道的电容只有C10一个了,可以说是纯粹的直流放大电路了。那么测一下U2的输出端直流电压为0.9V左右,没有关系,查一下NE5532的资料,这个值远小于它的的最大输出电压。关于TDA2030A和NE5532的听音评价在以前的报刊杂志上已有很多,不再多说了。 
 

路过

雷人

握手

鲜花

鸡蛋

最新评论

QQ|Archiver|手机版|家电维修论坛 ( 蜀ICP备19011473号-4 川公网安备51102502000164号 )

GMT+8, 2025-11-21 07:05 , Processed in 0.169475 second(s), 17 queries .

Powered by Discuz! X3.5

© 2001-2025 Discuz! Team.

返回顶部