找回密码
 请使用中文注册

有源音箱的制作

2023-5-26 16:39| 发布者: 开心| 查看: 37| 评论: 0

阅读字号:

摘要: 有源音箱是功放和无源音箱的有机结合体,在多媒体上得到广泛应用。有源音箱省去功放外壳,节省空间,减少外接线路,省去与VCD等音源所重复的功能和电路(如卡拉OK电路等),特别是功放和音箱 ...
    有源音箱是功放和无源音箱的有机结合体,在多媒体上得到广泛应用。有源音箱省去功放外壳,节省空间,减少外接线路,省去与VCD等音源所重复的功能和电路(如卡拉OK电路等),特别是功放和音箱达到较好的匹配,因此具有较高的性价比。笔者参照有关资料,制作过多款有源音箱,现简要介绍其中一款有源音箱,供读者参考。
  有源音箱不是功放与无源音箱的简单组合,设计时需考虑以下三个问题:(1)音箱的选用。落地式音箱体积大,便于内部放置功放部件,并且频率响应好,因此适宜选用。(2)功放电路的选用。考虑到散热问题,选用甲乙类功放。用分立元件制作的功放,因需要安装扬声器保护电路,而其中的继电器因受扬声器的发声振动会导致误动作,影响性能,因此在大功率情况下不宜采用。性能优异的集成功放电路,如LM1875、TDA1514A及TDA1521等,具有完善的过压、过热及短路保护功能,完全满足有源音箱功放要求。(3)一只音箱作为“主音箱”,将输入输出接插件面板、散热器安装在后箱板上。将变压器、功放电路放置其箱内。将一路输出直接接至主音箱箱内扬声器(分频器),另一路功率输出经面板接线柱接至另一音箱。
  
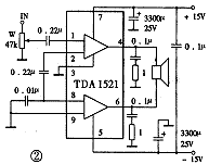
1.功放制作十年前功率集成电路主要用于中低档的组合音响中,随着集成电路技术的成熟,许多性能优异稳定可靠的大功率集成电路广泛应用于音频功率放大器中,取得了较好的效果。笔者曾分别制作过TDA1514A、LM1875和TDA1521等集成电路功放,其音质正如许多文章介绍的那样,均能达到发烧境界并各具特色。现介绍TDA1521集成电路功放,因该电路是飞利浦公司生产的高保真(Hi-Fi)双声道单片2×15W功率集成电路,特点是外围电路极其简单(部分外围电路元件已设计制作在集成块内),是一块“傻瓜”集成电路(见图1)。笔者将其双声道组成BTL电路,输出功率可达40W,可作为AV功放的主声道功放电路(见图2)。如双声道分别使用,则输出功率2×15W,可作为中间声道和环绕声道功放电路。因此该集成电路很适合无线电爱好者业余制作。


   有些读者可能认为TDA1521作功放功率偏小,因为许多文章介绍主声道功率要达2×50W以上,其它声道功率也要求30W以上。笔者认为,一般家庭听音室在14~20m2左右,房间容积在40~60m3左右,平时欣赏音乐功率在总功率的1/10(也就是说功率有10倍的余量),那么主声道就有2×4W输出,已经大得足够了。因此功率只要具有一定余量即可,不宜一味追求大,不然会增加成本,造成不必要的浪费。
  笔者主要考虑该功放与VCD等优质音源搭配,而VCD音源输出电压较高,因此可省去前级放大部分。该功放不设音调控制电路,让优质音源直通功放,不加人为修饰,这也是高保真的要求。电路中小电容器选用CBB型号,1Ω电阻器选NEC五色环电阻,双连电位器选用ALPS型。变压器150W,EI型铁心。散热器选用单面齿成品,型号DL176,散热面积1300cm2。
  接插件面板上元件布置见图3。散热器与两块集成电路接触处的表面发黑层要刮净,并涂上导热硅脂,以减少热阻。 

   功放部分包括功放电路板、散热器、变压器、接插件面板及连线等。功放部分制作好后,一般无需调试即可通电试听,试听正常后与音箱组装。
2.箱体制作及组装箱体采用15mm厚中密度板,选用倒相式结构,其制作方法同无源音箱(尺寸见图4),这里不再重复。所不同的是,其中一只音箱作为主音箱要作如下处理:(1)后箱板上要开二个孔,用于安装面板和散热器,开孔尺寸比面板和散热器每边各缩小1cm,便于固定螺丝。(2)箱内放置4根支撑木方,用于放置变压器。变压器放置在与扬声器保持一定距离并且靠近倒相孔的部位。  
   组装时先固定变压器,然后将面板和散热器从后箱板外侧与后箱板固定,并且在接触处均垫上一层2mm厚的软橡胶垫,保证密封。散热器的散热齿向外,便于散热。
  最后固定扬声器和分频器。分频器为自制二分频6dBLC分频器,扬声器选用南鲸牌,每箱一只YDQG20-8G8Ω80W和三只YD165-8XP8Ω50W扬声器,其中一只YD165型直接接功率输入端,另二只分别接LC分频器输出端。

路过

雷人

握手

鲜花

鸡蛋

最新评论

QQ|Archiver|手机版|家电维修论坛 ( 蜀ICP备19011473号-4 川公网安备51102502000164号 )

GMT+8, 2025-11-21 07:05 , Processed in 0.101632 second(s), 17 queries .

Powered by Discuz! X3.5

© 2001-2025 Discuz! Team.

返回顶部