找回密码
 请使用中文注册

中性点与零点、中性线与零线的区别、IT-TT-TN的概念

2023-5-25 18:12| 发布者: 开心| 查看: 87| 评论: 0

阅读字号:

摘要: 当电源侧(变压器或发电机)或者负载侧为星形接线时,三相线圈的首端(或尾端)连接在一起的共同接点称为中性点,简称中点。中性点分电源中性点和负载中性点。由中性点引出的导线称为中性线,简称中线。如果中性点与 ...
    当电源侧(变压器或发电机)或者负载侧为星形接线时,三相线圈的首端(或尾端)连接在一起的共同接点称为中性点,简称中点。

中性点分电源中性点和负载中性点。由中性点引出的导线称为中性线,简称中线。




如果中性点与接地装置直接连接而取得大地的参考零电位,则该中性点称为零点,从零点引出的导线称为零线。

通常220伏单相回路两根线中的一根称为“相线”或“火线”,而另一根线称为“零线”或“地线”。“火线”与“地线”的称法,只是实用中的一种俗称,特别是“地线”的称法不确切。严格地说,应该是:如果该回路电源侧(三相配电变压器中性点)接地,则称“零线”;若不接地,则应称“中线”,以免与接地装置中的“地线”相混。

当为三相线路时,除了三根相线外,还可从中性点引出一根导线,即中性点,从而构成三线四线制线路。这种线路中相线之间的电压,称为线电压,相线与零线之间的电压称为相电压。

中性点是否接地,亦称为中性点制度。中性点制度可以大致分为两大类,即中性点接地系统与中性点绝缘系统。而按照国际电工委员会(IEC)的规定,将低压配电系统分为IT、TT、TN三种,其中TN系统又分为TN-C、TN-S、TN-C-S三类
 
IT-TT-TN的概念

一、建筑工程供电系统

建筑工程供电使用的基本供电系统有三相三线制三相四线制等,但这些名词术语内涵不是十分严格。国际电工委员会(IEC)对此作了统一规定,称为TT系统、TN系统、IT系统。其中TN系统又分为TN-C、TN-S、TN-C-S系统。下面内容就是对各种供电系统做一个扼要的介绍。

(一)工程供电的基本方式

根据IEC规定的各种保护方式、术语概念,低压配电系统按接地方式的不同分为三类,即TT、TN和IT系统,分述如下。

(1)TT方式供电系统

TT方式是指将电气设备的金属外壳直接接地的保护系统,称为保护接地系统,也称TT系统。第一个符号T表示电力系统中性点直接接地;第二个符号T表示负载设备外露不与带电体相接的金属导电部分与大地直接联接,而与系统如何接地无关。在TT系统中负载的所有接地均称为保护接地,如图1所示。这种供电系统的特点如下。



图1 

1)当电气设备的金属外壳带电(相线碰壳或设备绝缘损坏而漏电)时,由于有接地保护,可以大大减少触电的危险性。但是,低压断路器(自动开关)不一定能跳闸,造成漏电设备的外壳对地电压高于安全电压,属于危险电压。

2)当漏电电流比较小时,即使有熔断器也不一定能熔断,所以还需要漏电保护器作保护,困此TT系统难以推广。

3)TT系统接地装置耗用钢材多,而且难以回收、费工时、费料。
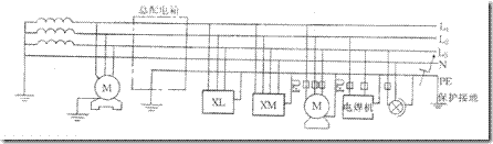
现在有的建筑单位是采用TT系统,施工单位借用其电源作临时用电时,应用一条专用保护线,以减少需接地装置钢材用量,如图2所示。


图2

图中点画线框内是施工用电总配电箱,把新增加的专用保护线PE线和工作零线N分开,其特点是:
①共用接地线与工作零线没有电的联系;
②正常运行时,工作零线可以有电流,而专用保护线没有电流;
③TT系统适用于接地保护占很分散的地方。 
(2)TN方式供电系统

这种供电系统是将电气设备的金属外壳与工作零线相接的保护系统,称作接零保护系统,用TN表示。它的特点如下。

1)一旦设备出现外壳带电,接零保护系统能将漏电电流上升为短路电流,这个电流很大,是TT系统的5.3倍,实际上就是单相对地短路故障,熔断器的熔丝会熔断,低压断路器的脱扣器会立即动作而跳闸,使故障设备断电,比较安全。

2)TN系统节省材料、工时,在我国和其他许多国家广泛得到应用,可见比TT系统优点多。TN方式供电系统中,根据其保护零线是否与工作零线分开而划分为TN-C和 TN-S等两种。

(3)TN-C方式供电系统

它是用工作零线兼作接零保护线,可以称作保护中性线,可用NPE表示,如图3所示。这种供电系统的特点如下。


图3

1)由于三相负载不平衡,工作零线上有不平衡电流,对地有电压,所以与保护线所联接的电气设备金属外壳有一定的电压。

2)如果工作零线断线,则保护接零的漏电设备外壳带电。

3)如果电源的相线碰地,则设备的外壳电位升高,使中性线上的危险电位蔓延。

4)TN-C系统干线上使用漏电保护器时,工作零线后面的所有重复接地必须拆除,否则漏电开关合不上;而且,工作零线在任何情况下都不得断线。所以,实用中工作零线只能让漏电保护器的上侧有重复接地。

5)TN-C方式供电系统只适用于三相负载基本平衡情况。

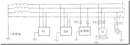
(4)TN-S方式供电系统

它是把工作零线N和专用保护线PE严格分开的供电系统,称作TN-S供电系统,如图4所示。TN-S供电系统的特点如下。


图4

1)系统正常运行时,专用保护线上没有电流,只是工作零线上有不平衡电流。PE线对地没有电压,所以电气设备金属外壳接零保护是接在专用的保护线PE上,安全可靠。

2)工作零线只用作单相照明负载回路。

3)专用保护线PE不许断线,也不许进入漏电开关。

4)干线上使用漏电保护器,工作零线不得有重复接地,而PE线有重复接地,但是不经过漏电保护器,所以TN-S系统供电干线上也可以安装漏电保护器。

5)TN-S方式供电系统安全可靠,适用于工业与民用建筑等低压供电系统。在建筑工程工工前的“三通一平”(电通、水通、路通和地平——必须采用TN-S方式供电系统。

(5 )TN-C-S方式供电系统

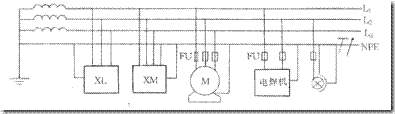
在建筑施工临时供电中,如果前部分是TN-C方式供电,而施工规范规定施工现场必须采用TN-S方式供电系统,则可以在系统后部分现场总配电箱分出PE线,这种系统称为TN-C-S供电系统,如图5、6所示。TN-C-S系统的特点如下。




图5 TN-C-S供电系统



图6 工地总配电箱分出PE线

1)工作零线N与专用保护线PE相联通,如图1-5ND这段线路不平衡电流比较大时,电气设备的接零保护受到零线电位的影响。D点至后面PE线上没有电流,即该段导线上没有电压降,因此,TN-C-S系统可以降低电动机外壳对地的电压,然而又不能完全消除这个电压,这个电压的大小取决于ND线的负载不平衡的情况及ND这段线路的长度。负载越不平衡,ND线又很长时,设备外壳对地电压偏移就越大。所以要求负载不平衡电流不能太大,而且在PE线上应作重复接地,如上图6所示。

2)PE线在任何情况下都不能进入漏电保护器,因为线路末端的漏电保护器动作会使前级漏电保护器跳闸造成大范围停电。

路过

雷人

握手

鲜花

鸡蛋

最新评论

QQ|Archiver|手机版|家电维修论坛 ( 蜀ICP备19011473号-4 川公网安备51102502000164号 )

GMT+8, 2025-11-21 05:17 , Processed in 0.094140 second(s), 17 queries .

Powered by Discuz! X3.5

© 2001-2025 Discuz! Team.

返回顶部