找回密码
 请使用中文注册

滚筒洗衣机电机调速原理与检修思路

2023-5-14 11:30| 发布者: 开心| 查看: 532| 评论: 0

阅读字号:

摘要: 前言:传统滚筒洗衣机只有洗涤(低速正、反转)和脱水(高速甩千)两种转速,采用双速电动机就可满足需求。近年来,随着科学技术特别是微处理器芯片技术的快速发展和普及,很多新型滚筒洗衣机都具有两种以 ...
    前言:传统滚筒洗衣机只有洗涤(低速正、反转)和脱水(高速甩千)两种转速,采用双速电动机就可满足需求。近年来,随着科学技术特别是微处理器芯片技术的快速发展和普及,很多新型滚筒洗衣机都具有两种以上的转速,采用的是可以调速的电动机。国产滚筒洗衣机上用于调速的洗衣机有两类:一类是双速感应电动机,与传统滚筒电动机的结构相同,但转速可以控制为两种以上;另一类是单相串励电动机。这两类电动机的调速都是通过改变工作电压实现的。本文介绍它们的调速原理及调速电路常见故障检修思路。

  一、双速电动机调速电路
  1.工作原理
        双速电机调整方法有分级调速、无级调速和CPU(微处理器)电脑控制调速三种。
  
 
        图1所示电路为小鸭XQG50-428G型滚筒洗衣机,采用的是双速电机分级调速控制原理,其中ME(框线内部电路)为调速电路板,ML为双速电机低速(正、反转洗涤)绕组,MH为双速电机高速(脱水)绕组,TG是测速马达,TG与ML或MH同步转动。S1~S3为电动程控器的触点开关:其中S1为速度选择开关,S2为洗涤/脱水开关,S3为洗涤正、反转控制开关,它们共同组成调速控制开关组。
        ME电路以芯片TDA1085C为核心组成,⑨脚为正电源VCC端,⑤脚为调速电压信号输入端,通过S1触点选择⑤脚与VCC间不同电阻(图中R1~R4为笔者为叙述方便而加)网络的接法,使⑤脚获得不同转速的基准电压,⑤脚与VCC间的等效电阻值越小,双速电机的转速越高:
        (1)当S1置"低"(空挡)、S2置“洗涤”时,R1(4.3k)跨接在⑤脚与vcc之间,低速电机ML带动滚筒以55/min的转速作正反向洗涤( 由S3选择)运转; 
        (2)当S1置“中”,S2仍置“洗涤”时,R2(4.3k)与R4(82Ω)串联后再与R1并联,接在⑤脚和VCC间的等效电阻约为2.17k,ML带动滚筒以100/min的转速作脱水前的衣物摆匀运转;
        (3)当S1置“中",s2置脱水”时,虽然⑤脚与vcC间的等效电阻仍为2.17k,但S2选择高速电机MH,此时MH带动滚筒以400r/min 的转速作低速脱水运转;当S1置“高",S2置"脱水”时,R3(750Ω)和R4串联再与R1并联,⑤脚与VCC间等效电阻为700Ω,高速电机MH带动滚筒以800r/min的转速作高速脱水运转。双速电机启动后,测速发电机TG同步运转,并将电动机转速以信号电压的形式由①脚送入TDA1085C,芯片将设定转速的基准电压与取样电压进行比较,将正或负电压差值送到速度调节线性发生器(⑤、⑥、⑦脚)、控制放大器(16脚)和触发脉冲发生器后,13脚输出控制双向可控硅导通用的触发脉冲,使加在双速电机(⑧端子)上的电压发生改变,使其在设定转速平衡运行。从上述分析可见,无级调速可用一只电位器接在⑤脚与vCC之间,通过调节电位器的电阻值,实现双速电机的速度调整。若将测速发电机TG的转速信号电压送至CPU采样端口,与基准转速电压进行比较、处理后,控制双向可控硅导通角改变双速电动机工作电压,即可完成CPU电脑控制调速。
  2.故障检修
  例1:不洗涤或不脱水。
        (1)调速板无输出。测ME板①、⑧端子电压,正常时为AC220V,若无电压,说明交流市电未送达,一般是电源开关触点烧蚀接触不良或电源引线断脱所致。如①、⑧端电压正常,而①.④端无输出(AC185V~250V),说明ME电路有故障,通常是调速电阻R1~R4脱焊开路,双向可控硅VS烧损断路,限流器RS(印刷板上一段较窄的印刷线路铜箔)烧断,调速芯片TDA1085C不良等造成的。如维修困难(如更换多脚芯片),可直接更换ME板。
        (2)双速电机不转动。如果电机启动时有“嗡嗡"声,主要是电机电容器损坏或洗衣机机械传动部件卡住等原因造成的。如无“嗡嗡"声在检查S2、S3各触点及双速电机②、⑥、⑦、⑧端子接触良好时,则为电机绕组断路。正常时双速电机各绕组的直流电阻如下(用500型万用表RX1挡测得,供参考):MH⑧、⑦端13Ω,⑧、③端28Ω,⑦、③端41Ω;ML⑧、②和⑧、⑥端均56Ω,②、⑥端90Ω(ML正、反转绕组有一22Ω的公共绕组)。
例2:转速明显降低。
   (1)电机绕组受潮漏电或存在局部短路,电机电容容量衰退(变小),接线端子锈蚀导电不良,电机电刷磨损接触不良,轴承缺油干涩卡滞或机械传动部件有故障。
   (2)ME板转速设定元件不良,如R1~R4焊接不良导致阻值增大,TDA1085C⑤脚虛焊接触电阻变大,双向可控硅VS导通性能变劣等。
  

  二、串励电动机调速电路
    串励电动机应用于滚筒洗衣机上,也采用ME板调速,调速方法也有分级调速(改变串励电动机定子绕组抽头)、无级调速和CPU电脑控制调速三种,调速原理与双速电动机相同。
1、工作原理
  

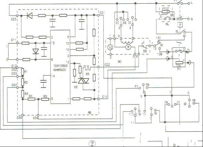
    图2所示电路为小鸭XQB50-1091型滚筒洗衣机,采用的是串励电动机无级调速控制原理,其中ME为调速电路板,BL为电动门锁,SL为水位开关,ST为无级调速开关,MC为串励电机总成(包括定子绕组S、转子M、超温保护温控器SB和同步测速发电机TG),"3"、“5”为正、反转控制开关触点,“9”、“11”、“1”、“4"组成调速开关组。ME调速板的主要技术参数是:输入电压AC 187V~250V,频率50Hz,限流器电流8.5A土1.5A,电机热保护(SB)断开温度150°C,复位温度90°C,工作环境温度20°C-85°C,各拉线端子均有防氧化保护措施。
     脱水是通过调速器接通电路并实现无级调速的,无级调速器ST旋钮使其触点"1”、“2"接通。当洗衣机排水完成后,水位开关SL复位,此时接通的是转速设定电路ME板,C35端子经调速开关组接通C34端子,C35端与芯片TDA1085C⑤脚间接用R4.R5串联的定值电阻,对应串励电机设定转速是400r/min,这就是低速脱水的转速。洗衣机由低速脱水转入高速脱水时,芯片⑤脚与VCC间接入的电阻是C36端和⑤脚间的定值电阻R5及ST内可调电位器(10k),调节ST旋钮改变电位器电阻值,就可使洗衣机脱水速度在400r/ min~1100/min之间连续变化,实现无级调速。
2、故障检测
例1:不脱水。
    (1)AC220V供电故障。若洗涤正常,说明门锁开关BL无问题。通常是水位开关SL不复位,SI"1"、“"2"触点积垢接触不良,"13"、“3"、“5"开关触点烧损或相关端子引线断脱,若测得串励电机总成⑦、⑧端阻值为无穷大(正常值为0Ω),说明150°C保护温控器SB常闭触点损坏不能接通电源。
    (2)ME板不良。主要是限流器RS或双向可控硅烧损开路,如芯片TDA1085C不良可更换ME板。
    (3)串励电机MC不转动。可在断电情况下测MC相关端子直流电阻判断绕组是否断路、正常时,用500型万用表RX1挡测得的参数数值是:MC的⑤、⑥端(定子)为2Ω,3、④端(转子)为4Ω,①、②端(测速发电机)为120Ω。
例2:低速脱水正常,不能调速脱水。
(1)ME的C34、C36端子所连接的调速开关触点未接通,或相关连线断脱。
(2)调速器ST的“3”、“4"端子短路,使调速电位器阻值不变化。

路过

雷人

握手

鲜花

鸡蛋

最新评论

QQ|Archiver|手机版|家电维修论坛 ( 蜀ICP备19011473号-4 川公网安备51102502000164号 )

GMT+8, 2026-1-13 00:52 , Processed in 0.186778 second(s), 17 queries .

Powered by Discuz! X3.5

© 2001-2025 Discuz! Team.

返回顶部