找回密码
 请使用中文注册

苏泊尔电饭煲显示E5的故障代码维修

2023-5-14 11:26| 发布者: 开心| 查看: 140| 评论: 0

阅读字号:

摘要: 苏泊尔SY-50FH805Q型机,开机后各项功能均正常,能加热,但几分钟后面板显示“E5”。主板型号为CYSB50FHQ5-DL01,如图1所示。 根据故障表现为分析,故障应和温度有关。该机在加热时整机电流约为6.5 ...
    苏泊尔SY-50FH805Q型机,开机后各项功能均正常,能加热,但几分钟后面板显示“E5”。主板型号为CYSB50FHQ5-DL01,如图1所示。
  

        根据故障表现为分析,故障应和温度有关。该机在加热时整机电流约为6.5A,但散热风扇不转动(注意:有些机型只有在加热时,风扇才转动)。拆下主板检测,发现风扇的限流电阻R54、R55(两只202电阻并联)已烧煳。
        风扇控制三极管8050已短路,怀疑风扇内部有问题。撕开风扇表面贴纸,发现风扇正负极供电端之间有杂物。清除杂物,更换上述损坏元件后试机,故障机修到这里,终于修好值得探讨。。
  例2:收到其他维修同行的一台CFXB40HZ5A型机,上电开机操作正常,选择功能后按“开始”键,面板显示E5。
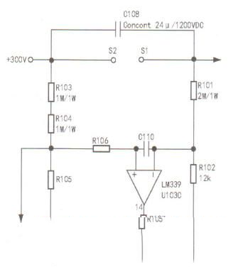
  故障原因分析:根据经验,此故障类似电磁炉的不检锅、不加热故障。修理这种故障时,须放入内锅加水试机检测。经检测,该机无检锅声。于是取出主板(型号:CFXB40HZ5A-DLO1),重点检查同步电路,如图2所示。
  

        因电阻R103、R104、R101安装在IGBT管的散热片下面,根据经验其故障率较高,于是首先检查这三只电阻,发现R103 开路,更换R103后试机,故障机修到这里,终于修好值得探讨。。
        提示:R103、R104、R101 这3只电阻的阻值误差要求极小,性能要求稳定。

路过

雷人

握手

鲜花

鸡蛋

最新评论

QQ|Archiver|手机版|家电维修论坛 ( 蜀ICP备19011473号-4 川公网安备51102502000164号 )

GMT+8, 2025-11-12 11:18 , Processed in 0.090041 second(s), 17 queries .

Powered by Discuz! X3.5

© 2001-2025 Discuz! Team.

返回顶部