找回密码
 请使用中文注册

保轩CFXB90-5E智能电饭煲加热过程中会自动跳掉

2023-5-14 11:25| 发布者: 开心| 查看: 143| 评论: 0

阅读字号:

摘要: 收到其他维修同行的一台保轩CFXB90-5E智能电饭煲,在加热过程中常会跳掉不加热。通电试验,电饭煲在加热一定时间后显示E4代码,并有提示音。断电,再重新通电开机,故障表现为仍不定时出现,并且发现在开机时开关电饭煲锅盖 ...
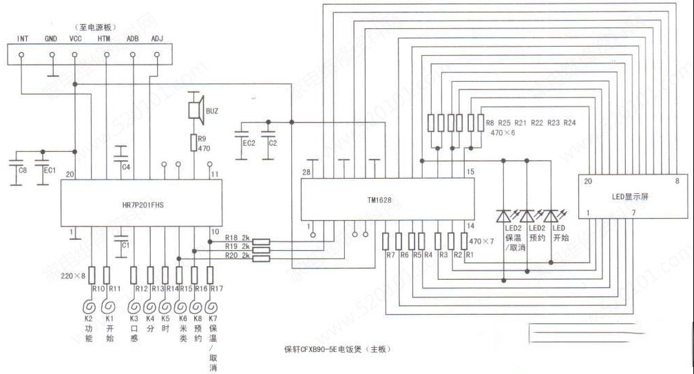
    收到其他维修同行的一台保轩CFXB90-5E智能电饭煲,在加热过程中常会跳掉不加热。通电试验,电饭煲在加热一定时间后显示E4代码,并有提示音。断电,再重新通电开机,故障表现为仍不定时出现,并且发现在开机时开关电饭煲锅盖的话,屏幕也会显示E4代码,并有提示音。根据这个现象查看电饭煲电路(整机实测电路如图1、图2所示),看到锅盖与主板之间并没有开关连线,只有锅盖内的温度传感器与主板的连线。测量出是锅盖温度传感器与主板的连线有断裂接触不良的情况,将断裂的连线连接好并做好绝缘。再开机试验数小时,故障未出现,电饭煲修复。
         最后总结:电饭煲锅盖内的电路与主板的连线在锅盖转轴铰链处断裂是常见故障,修复的话,可以重新接通导线。需要注意的是,重新连接处要用有弹性的热缩管或硅胶做好绝缘。
  
 
  

路过

雷人

握手

鲜花

鸡蛋

最新评论

QQ|Archiver|手机版|家电维修论坛 ( 蜀ICP备19011473号-4 川公网安备51102502000164号 )

GMT+8, 2025-11-12 11:17 , Processed in 0.173699 second(s), 17 queries .

Powered by Discuz! X3.5

© 2001-2025 Discuz! Team.

返回顶部