找回密码
 请使用中文注册

九阳F-40T12电磁IH电饭煲不通电的检修思路

2023-5-14 10:06| 发布者: 开心| 查看: 127| 评论: 0

阅读字号:

摘要: 收到同行送来的故障机壹台九阳IH电饭煲,型号是F-4012,故障表现为为不通电,无显示,测量进线220V正常,测量整流桥正常,+ -段电压为300v。前级应该是好的,问题应该是出在后面电路了,查看此电源板用的是TXH203H电源管 ...
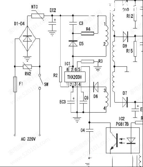
    收到同行送来的故障机壹台九阳IH电饭煲,型号是F-4012,故障表现为为不通电,无显示,测量进线220V正常,测量整流桥正常,+ -段电压为300v。前级应该是好的,问题应该是出在后面电路了,查看此电源板用的是TXH203H电源管理芯片,测量各引脚电压 ,均不正常。查看此芯片电路图 7角和8角应该有300v电压,测量是0v。跑线路往上查发现是保险丝断路了,导致无300v电压。虽然是一个保险丝,也让我饶了不少弯路。
  

  

  

  

  

路过

雷人

握手

鲜花

鸡蛋

最新评论

QQ|Archiver|手机版|家电维修论坛 ( 蜀ICP备19011473号-4 川公网安备51102502000164号 )

GMT+8, 2025-11-14 10:36 , Processed in 0.215567 second(s), 17 queries .

Powered by Discuz! X3.5

© 2001-2025 Discuz! Team.

返回顶部