找回密码
 请使用中文注册

米家恒温电水壶按钮无反应的检修思路

2023-5-14 10:02| 发布者: 开心| 查看: 476| 评论: 0

阅读字号:

摘要: 收到同行送来的故障机壹台米家电水壶,刚开始以为是一般的机械式电水壶,满口答应,第二天打开一看是米家恒温电水壶,手柄上还有蓝牙标记,电水壶用蓝牙控制,我还是第一次看到。立马插上电按煮沸、保温两按钮无反应,手 ...
    收到同行送来的故障机壹台米家电水壶,刚开始以为是一般的机械式电水壶,满口答应,第二天打开一看是米家恒温电水壶,手柄上还有蓝牙标记,电水壶用蓝牙控制,我还是第一次看到。立马插上电按煮沸、保温两按钮无反应,手机蓝牙也搜索不到设备。
       打开电水壶底部,检查主板上电源AC 220V正常、整流后DC 310V正常,非隔离降压模块输出DC 9V正常、供手柄上蓝牙模块电压3.3V也正常,检查加热控制继电器线圈、接点正常,拆下来测试动作/返回电压也正常,但继电器上有4.87V电压,深入检查驱动继电器的三极管基极电压是从蓝牙控制模块来,基极上有0.64V电压,检查此控制回路电阻元件正常。
  

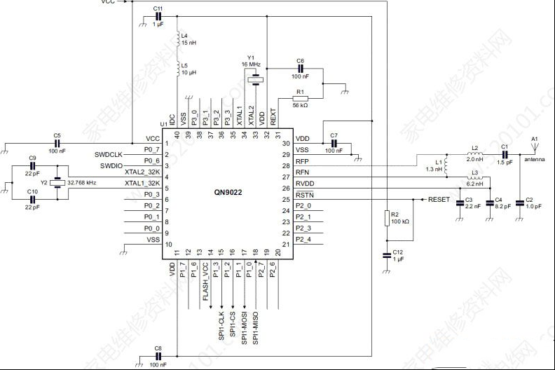
        维修了一天没有结果,只能怀疑蓝牙控制模块,从网上搜索到该蓝牙控制模块上的芯片的相关电路图。检查触摸按钮芯片TS02N,分别用手接触煮沸、保温两按钮,对应的out1、out2电位由3.3V变0V,松手后又回到3.3V,说明按钮控制回路正常,该两点电位送到蓝牙模块后蓝牙模块无反应,怀疑蓝牙芯片的外回阻容器件,检查外回电阻正常,电容也正常;决定怀疑16M晶振,更换X1晶振,一上电按钮灯瞬间一亮,奇迹出现。
  

        下载米家APP到手机,选择电水壶,蓝牙链接成功,烧开水手机上显示温度一度一度上升,直至沸腾继电器动作断开加热,保温功能选择80度测试, 当温度跌至75度时自动加热至80度后断开加热,一切都恢复正常,故障修复。
  

路过

雷人

握手

鲜花

鸡蛋

最新评论

QQ|Archiver|手机版|家电维修论坛 ( 蜀ICP备19011473号-4 川公网安备51102502000164号 )

GMT+8, 2025-11-13 12:49 , Processed in 0.188172 second(s), 16 queries .

Powered by Discuz! X3.5

© 2001-2025 Discuz! Team.

返回顶部