找回密码
 请使用中文注册

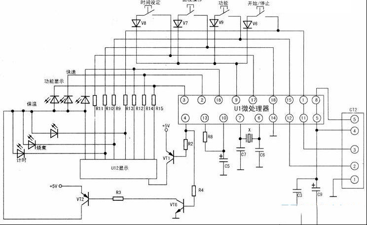
南极星CFXB40-B70T电饭煲控制电路原理分析

2023-5-14 09:28| 发布者: 开心| 查看: 159| 评论: 0

阅读字号:

摘要: 南极星CFXB40-B70T电饭煲的电路由电源电路、加热控制电路、蜂鸣电路、温度感应电路、显示指示电路、按键电路、微处理器电路等组成。放入装有食物的内锅后,开关S闭合,AC220V电源由熔断器FU、锅底开关S ...
    南极星CFXB40-B70T电饭煲的电路由电源电路、加热控制电路、蜂鸣电路、温度感应电路、显示指示电路、按键电路、微处理器电路等组成。放入装有食物的内锅后,开关S闭合,AC220V电源由熔断器FU、锅底开关S,经变压器T降压,V2-V5整流.C1、C8滤波后,得到12V直流电压,为加热控制电路和蜂鸣电路供电。该12V电压又经U6稳压,得到5v电压。经插件C22(4)脚为Ul电路和显示电路供电。继电器K、三极管VT4和加热器构成加热控制电路。三极管VT3、VT5和U4构成蜂鸣电路。
  
 
          R1、R7、温度传感器RT组成温度感应电路。RT为具有负温度系数的热敏电阻,安装在锅底总成中,用来感应锅内温度。VT1、VT2、VT6及u1(4)脚组成功能控制及显示驱动电路,数码管U2及发光二极管等组成显示指示电路。
  
 
         放入装有食物的内锅接通电源,U1(3)脚为低电平(2.9V),保温指示灯点亮,进入保温状态。按动功能按键,选择需要的功能(煮饭、快速煮饭、煮粥、炖汤等).按下“开始/停止”按键,(12)脚输出4.6V高电平,经CT2(2)脚、R5,使三极管VT4导通,继电器K吸合,其常开触点闭合,接通加热器电路,开始加热煮饭,烧煮发光二极管闪烁,数码管显示煮饭时间。每按一次按键,(11)脚输出5V高电平,此高电平经R6加至VT3基极,使VT3导通,蜂鸣器U4发出声音,表示按键有效。当煮饭的温度升至103℃左右时,负温度系数热敏电阻RT的阻值减小到需要值,U1(8)脚电压下降到设定值,(12)脚变为低电平,经R5加至VT4基极,使VT4截止,继电器K失电释放,其常开触点K1复位断开,切断加热器220V电源,停止加热。按下时间设定按键,可以设定煮饭的时间。在煮饭过程中,按下“开始/停止”键,可以停止加热,进入保温状态。
  
 
  

  一、检修思路
  1、接入电源,电饭煲不加热无指示显示的电源故障多数为温度熔断器烧断,锅底开关触点接触不良,或整流二极管开路。
2、电源电路无异常,按动各功能按键,微处理器U1的全部功能失效这可能是供电接插件触点接触不良,未能向Ul输送5v工作电压:可能是U1(6)、(7)脚振荡电路损坏导致微处理器不能正常工作。如果复位电路有故障,也可造成微处理器功能失效或功能紊乱。
3、微处理器局部功能电路失效,其余功能正常用万用表检测这些引脚对地电阻或对地电压,以及这些引脚外围的电元件,应能找出故障点,微处理器U1引脚实测参数见下表。

路过

雷人

握手

鲜花

鸡蛋

最新评论

QQ|Archiver|手机版|家电维修论坛 ( 蜀ICP备19011473号-4 川公网安备51102502000164号 )

GMT+8, 2025-11-13 12:47 , Processed in 0.178341 second(s), 17 queries .

Powered by Discuz! X3.5

© 2001-2025 Discuz! Team.

返回顶部