找回密码
 请使用中文注册

美的MB-YCB系列电饭煲电路工作原理

2023-5-14 09:28| 发布者: 开心| 查看: 118| 评论: 0

阅读字号:

摘要: 此系列电饭煲是由电脑进行模糊逻辑控制,能按设定的工作模式,控制加热时间和加热功率。该系列有三种型号(即MB-YCB30B/MB-YCB40B/MB-YCB50B),控制电路完全相同。由于生产厂不提供电路图,为方便维修 ...
    此系列电饭煲是由电脑进行模糊逻辑控制,能按设定的工作模式,控制加热时间和加热功率。该系列有三种型号(即MB-YCB30B/MB-YCB40B/MB-YCB50B),控制电路完全相同。由于生产厂不提供电路图,为方便维修,按实测绘出电路圈,并剖析其工作原理。


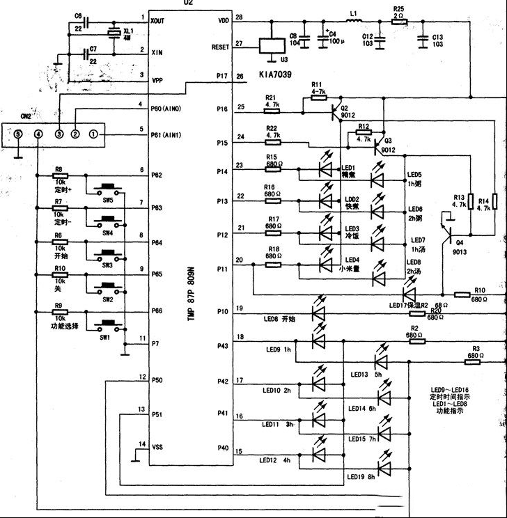
  一、电路原理
         整机电路由电源板和MCU板构成,二块电路板通过电缆连按,分别固定在饭煲底部和侧面上。控制电路由电源电路、测温电路、加热执行电路、MCU(微处理器)组成。
  1、电源电路
  
 
         见上图,市电经T1降压,D1~D4整流,再经U1(7805)稳压,输出+5V工作电源。其中Ft是热熔断器、ZNR是压敏电阻,起保护作用。
  

  2、测温电路:
  
 
         见上图,其作用是测量锅内温度变化,并转换成电压的变化,送至MCU。Rt1和Rt2是负温度系数热敏电阻,用做温度传感器。Rtl固定在锅底部,Rt2固定锅盖上。Rt的一端接入+5V电压,当锅内温度升高时,Rt阻值将变小,送入MCU的④脚P60和⑤脚P61的电压就增高。反之,Rt值变大,电压降低。
  

  3、加热执行电路
  
 
         见上图,其作用是接受MCU指令,接通或切断电热盘电源,控制加热时间。当需要加热时,MCU(26)脚输出高电平,Q1导通,继电器K吸合,接通电热盘电源,电热盘加热。反之,MCU输出低电平,Q1截止,K释放,电热盘停止加热。

4、MCU电路
         见上图,其作用是数据采集和处理、输出控制信号、显示工作状态。U2(TMP87P809N)是MCU 8位单片机,内含256Byte(字节)ROM,8K Byte ROM,4路8位A/D转换器,22个I/0接口,2个16位多功能定时器。U3(KIA7309)是电压检测及低电平复位芯片,外形像一只塑封三极管。u3接在u2的⑤脚复位端,接通电源时,U3输出端输出约0.4V低电平,使U2复位。U2①②脚外接4M陶瓷谐振器,与u2内电路共同构成时钟振荡器。
      接通电源时U2复位,(23)脚输出低电平,LED1亮(精煮指示),(19)脚交替输出高低电平,LED8闪亮(开始指示),进入待机状态。此时MCU可接受功能选择键(SW1)或定时选择键(SW4或SW5)的输入信号,并输出对应的显示信号。当按动开始键(SW3)时,MCU不断检测锅内温度,控制加热时间,直至结束。

路过

雷人

握手

鲜花

鸡蛋

最新评论

QQ|Archiver|手机版|家电维修论坛 ( 蜀ICP备19011473号-4 川公网安备51102502000164号 )

GMT+8, 2025-11-13 14:38 , Processed in 0.154853 second(s), 17 queries .

Powered by Discuz! X3.5

© 2001-2025 Discuz! Team.

返回顶部