找回密码
 请使用中文注册

电水壶的保护装置工作原理

2023-5-14 09:26| 发布者: 开心| 查看: 72| 评论: 0

阅读字号:

摘要: 本文笔者绘制了一款自动保护电水壶电路图(图1为结构示意图;图2为电路图)与目前市场上电水壶的显著区别在于以下几点: 1、当电水壶内没有注入水时(如图3a),浮球和阀片自重下垂,磁性开关与吸铁 ...
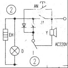
    本文笔者绘制了一款自动保护电水壶电路图(图1为结构示意图;图2为电路图)与目前市场上电水壶的显著区别在于以下几点:
  

  

  1、当电水壶内没有注入水时(如图3a),浮球和阀片自重下垂,磁性开关与吸铁相距较远,触点断开。此时若插上电源,水壶自动保护不通电,并报警提醒用户壹内无水,避免了水壶空烧。
  

  2、当电水壶内注满水时(如图3b).浮球顶起阀片至一个水平位置,磁性开关触点动作,此时按动按钮开关,电水壶通电开始加热。
  3、当水壶内水沸腾时(如图3c),大量的蒸汽顶起阀片,阀片顶磁铁使磁性开关触点断开,继电器失电,电水壶断电,停止加热并使蜂鸣器报警提醒用户水已烧开,从而防止了水外溢或水烧干造成的事故,节约了电能,即使无人在场也没关系,实现了安全保护。
            这种电水壶经使用,有以下特点:一是工作稳定可靠、反应灵敏,不会出现水长时间沸腾而不断电,或是水没有沸腾而误停止加热的现象。二是改装成本低,使用寿命长,具有一定的实用与推广价值。此项技术已获实用新型专利授权。

路过

雷人

握手

鲜花

鸡蛋

最新评论

QQ|Archiver|手机版|家电维修论坛 ( 蜀ICP备19011473号-4 川公网安备51102502000164号 )

GMT+8, 2025-11-13 09:39 , Processed in 0.181267 second(s), 17 queries .

Powered by Discuz! X3.5

© 2001-2025 Discuz! Team.

返回顶部