找回密码
 请使用中文注册

格力KYSI-30B转页扇电路原理与维修

2023-5-14 09:26| 发布者: 开心| 查看: 255| 评论: 0

阅读字号:

摘要: 格力牌KYSI-30B型数码显示转页扇具有三挡风速选择,有睡眠风、自然风、正常风风类选择;0.5 - 7.5小时定时关机选择;转页导风选择等功能,并采用强光数码管直接显示三挡风速和定时时间,用红、绿、 ...
    格力牌KYSI-30B型数码显示转页扇具有三挡风速选择,有睡眠风、自然风、正常风风类选择;0.5 - 7.5小时定时关机选择;转页导风选择等功能,并采用强光数码管直接显示三挡风速和定时时间,用红、绿、黄三色发光管显示风类,直观而方便。其工作原理和检修思路简述如下。 

  

  一、遥控器工作原理
  
          KYSI-30B数显转页扇红外遥控发射器以编码集成电路BA5101为核心构成,如图2所示。其12、13脚OSC端外接455kHz晶振产生455kHz振荡信号,经分频后为编码提供定时脉冲和38kHz发射载波;①-⑧脚为编码输入端,本电路只选取④-⑧脚五路外接按键开关,可分别实现“关机”、“风类”、“定时”、“风速”、“转页”功能,当按下任一功能键时,编码脉冲从10脚O/P端输出,经驱动放大管S9012放大后,激励红外发光二极管发射出遥控控制脉冲控制风扇各项功能操作。 

  

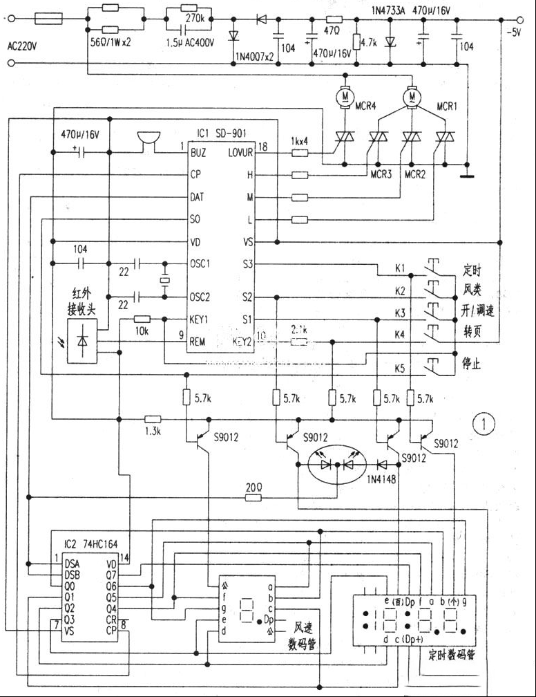
  二、主控电路原理 
           主控电路如图1所示,它以电风扇控制器SD-901(以下简称IC1)为核心组成,附表是其引脚功能简介。
  

  

           供电电源由市电经电容降压、整流滤波后经1N4733A稳压为-5V作为主控电路电源。当操作面板(或遥控)按键时,控制信号经IC1内部编码后,由③脚DAT端依次输出8位风速、定时(百位、十位、个位)串行信号,到达8位串入/并出移位寄存器。74HC164(以下简称Ic2)的串行信号输入端DSA和DSB端,再通过IC1 2脚CP端输出的脉冲信号控制IC2的cP端,实现8位输出信号传递。每组8位传递完毕时,会依次在IC1的s0、S1、S2、S3端输出相关低电平位选信号,以确定在风速数码管或定时数码管上显示风速、定时数字;同时在IC1相关的L、M、H、LOVUR端输出低电平信号,控制相关电机或同步电机通电工作。风速数码管采用一位共阳极数码管,小数点位悬空不用,定时数码管采用三位半共阳极数码管,首位(半位)和小数点位悬空不用。具体操作过程详述如下。 
         K3(开机和调速功能键)第1次按K3键,IC1 15脚L端输出低电平,触发可控硅MCR1导通,风扇电机进入低速运转,同时风速数码管显示数字1,表示风扇处于低挡风速;第2次按K3键,IC1 16脚M端输出低电平(15脚恢复高电平),触发可控硅MCR2导通,风扇电机进入中速运转,显示2;第3次按K3键,IC1 17脚H端输出低电平,触发可控硅MCR3导通,风扇电机进入高速运转,显示3。若继续按K3键,风扇将按上述方式循环。 
         K1(定时键)风扇启动后,可以通过K1键确定风扇定时工作时间,每按1次K1,定时增加半小时,共有0.5~7.5小时15种循环定时选择。定时设定后,数码管显示随时间的流失而逐步减少,显示剩余工作时间。当显示变为0:00时风扇停止运转。也可直接将显示设定为0:00状态,风扇将不受时间限制,一直处于工作状态直至关机为止。 
         K2(风类选择键)风扇启动后,三色发光二极管显示红色,为普通状态;按一次K2显示绿色,为自然风状态;再按K2显示黄色,为睡眠风状态并自动定时4小时,并可通过K1调整增减;继续按该键,风扇将按上述工作方式循环。若与K3配合(如调自然风),可分别实现强自然风、中自然风、弱自然风功能,并按多种规律循环。 
         K4(转页选择键)风扇启动后,按该键,IC1的第18脚输出低电平,触发可控硅MCR4导通,转页同步电机工作,转页轮转动,实现风向导向功能,依次按该键,风扇转页将按停止/转页循环。 
         K5(关机键)不论风扇处于何种工作状态,均可通过该键关闭一切功能,但所设功能在关机时被取消,再次开机时,须重新设置。

  三、常见故障的检修 
    1.数码管不显示或缺划 
    数码营不显示,一般引起原因为:(1)数码管公共端虚焊,(2)与公共端相连的三极管S9012损坏或虚焊,(3)三极管发射极电阻(5.7k)虚焊,(4)数码管损坏。 
    风速数码管显示缺划一般是数码管相关端点虚焊所致,若定时与风速数码管某一划同时不亮,一般是IC2 74HC164相关端点虚焊所致。 
    2.通电后不启动 
    接通电源后,正确按键操作无法启动,除了按键失效外应查验IC1⑤脚正电极VD端和14脚负电源VS端之间是否有+5V电压,若无一般是电源部分故障,引起原因是:(1)保险丝已烧坏,(2)2个56Ω/1w电阻烧坏或虚焊,(3)1.5uF/400V电容击穿,(4)电源部分其他相关元件虚焊或损坏。 
    若IC1的正负电源正常,一般是晶振虚焊或损坏,也可能为IC1损坏。 
    电脑类风扇在关机状态下,只是各项功能被锁定,整个电路仍处于工作状态之下,当遇停电或突然来电时,因电网电压波动大造成相关元器件的损伤,故不用时应将电源线拔离插座。 
    3.风扇启动不良 
    通电启动后风叶时转时不转,一般是电机启动电容(1.2uF/400V)发生软击穿造成,但电源线时断时通或内部有个别引线虚焊,也可引起该故障。 
    通电后要用手一拨,风叶才向拨动方向旋转,可能是启动电容容量减小或开路以及电机副绕组开路。 
    4.遥控功能失效 
    遥控功能失效,首先检查遥控器,(1)可能电池已失效或接触不良。(2)发射管及电路板有虚焊或损坏,若遥控器没损坏。一般是主线路板上红外接收头虚焊,可更换接收头或将接收头打开查修。

路过

雷人

握手

鲜花

鸡蛋

最新评论

QQ|Archiver|手机版|家电维修论坛 ( 蜀ICP备19011473号-4 川公网安备51102502000164号 )

GMT+8, 2025-11-13 01:52 , Processed in 0.166820 second(s), 17 queries .

Powered by Discuz! X3.5

© 2001-2025 Discuz! Team.

返回顶部