找回密码
 请使用中文注册

家庭水族箱电气系统原理分析

2023-5-14 09:26| 发布者: 开心| 查看: 67| 评论: 0

阅读字号:

摘要: 日常的功能完善的水族箱一般都配有多种电器,其配置如下图1所示。本文笔者对水族箱所配电器的原理和结构进行了剖析,现介绍给爱好者。 一、恒温器 控温方式有电子电路控制和双金属片控 ...
    日常的功能完善的水族箱一般都配有多种电器,其配置如下图1所示。本文笔者对水族箱所配电器的原理和结构进行了剖析,现介绍给爱好者。
  
 
  

  一、恒温器
            控温方式有电子电路控制和双金属片控制两种,家庭用多选后者。其内部构造见图2。双金属片的两种金属的热膨胀系数不同,遇热时会向热膨胀系数小的一面弯曲,遇冷时情况则相反,因而能自动接通或断开电热丝的电源,达到温控的目的。
  
 
  

  二、加氧泵
             目前普遍使用电磁式自动加氧泵,构造与电路见图3。在C形铁芯上绕有线圈,铁芯对面有一个粘有磁铁块的振动簧片,簧片又和一只皮碗相连。当线圈通电时,簧片皮碗压缩或伸张,不断地挤压空气送入鱼缸。在调速开关上并接有一只二极管,起调整送气量的作用。
  
 
  

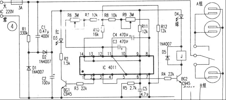
  三、间歇开关
             可使加氧泵、过滤器的潜水泵或其他用电器间歇工作。笔者剖析了一只“海宝HB-88型”间歇开关,根据印制板画出的电路如图4所示。电源电路由C1、R1、D1、D2、C2组成。主电路则由一块2输入四与非门4011与外围R、C电路组成多谐振荡器,控制BG1和BG2轮流导通与截止。调节电位器R6和R9,可使工作周期在0.5 - 60分钟之间任意设定。BG2的工作状态决定了继电器J的吸合与释放。可使接在A、B两组插座上的用电器轮流得电、自动间歇工作。 
  
 
  

  四、灯具
              水族箱视体积大小一般使用14只日光灯,高档一些的还配有杀菌用的消毒灯。多数水族箱出于成本考虑,灯光均不可调。而饲养经验告诉我们,不同的鱼和水草对光的强弱要求不同,因此灯光最好能调整。 
  

  五、潜水泵
              由一只密封在塑料外壳里的微型电机和一只安装在螺壳中的水轮构成小型离心泵。用于把水族箱中底部的杂质抽到缸体上部,经过过滤,再把洁净的水排回鱼缸。起到清洁水质的作用。

路过

雷人

握手

鲜花

鸡蛋

最新评论

QQ|Archiver|手机版|家电维修论坛 ( 蜀ICP备19011473号-4 川公网安备51102502000164号 )

GMT+8, 2025-11-12 20:23 , Processed in 0.178873 second(s), 16 queries .

Powered by Discuz! X3.5

© 2001-2025 Discuz! Team.

返回顶部