找回密码
 请使用中文注册

安宝路MB-23微波炉电路原理与故障检修

2023-5-14 09:17| 发布者: 开心| 查看: 56| 评论: 0

阅读字号:

摘要: 微波炉整机电路接线图如图1所示;电脑控制板电路图如图2所示。电脑控制板主要由低压电源电路、门控电路、功能控制电路、超温保护电路、复位电路、振荡(时钟)电路、显示电路等几部分组成。本文重点介绍该 ...
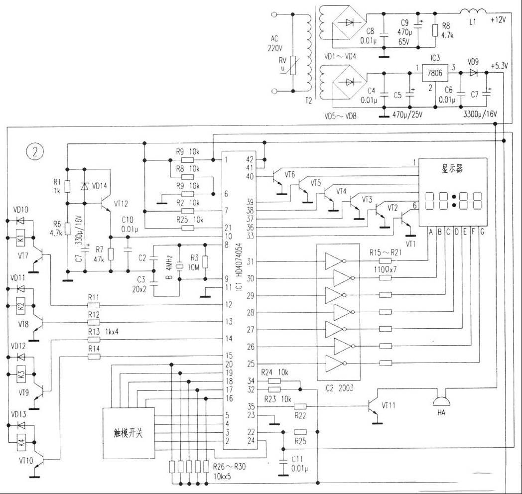
    微波炉整机电路接线图如图1所示;电脑控制板电路图如图2所示。电脑控制板主要由低压电源电路、门控电路、功能控制电路、超温保护电路、复位电路、振荡(时钟)电路、显示电路等几部分组成。本文重点介绍该微波炉常见故障及其检修,供参考。 
  
 
  
 
  

  例1、接通电源,操作启动键。发出很响的“咕咕”声,无微波输出。     根据故障表现为分析,可能是高压电路出现短路或电源负载过重所致。检修时,以高压变压器T1初级为界(见图1),首先拔出T1初级两端插接件XT1与XT2,使T1的初级与前级电路断开,然后接通电源,操作启动键,微波炉“咕咕”声消除,由此确认前级电路工作基本正常,故障出在高压电路。断电,为安全起见,先用绝缘螺丝刀将高压电容C短路放电后,检测C、R、VD2、VD1和MT皆正常。再检测T1的初级绕组、灯丝绕组和高压绕组,发现高压绕组直流电阻比正常电阻减小了3Ω(原为116Ω,用数字万用表测得),由此确认高压绕组匝间击穿短路,造成高压电源负载过重,铁芯振动引起所述故障。用同型号规格高压变压器更换后,通电试机,故障机修到这里,终于修好值得探讨。。 

  

  例2、接通电源,无任何显示,不能进入工作状态。 
      根据故障表现为分析,多是220V市电未进入微波炉或控制板低压电源电路有故障。检测保险管FU及温控器ST均正常,拔出高压变压器T1初级两端插接件XT1与XT2,接通电源,交流电源220V经端子板1的①端和⑤端之间输入(见图1),经低压变压器T2变换为两组低压电源(见图2),一组经整流器VD1~VD4桥式整流,由C8、C9、R8、L1组成高低频滤波,输出+12直流电源供继电器K1~K4及蜂鸣电路工作电源。另一组经整流器VD5~VD8桥式整流,由C4、C5、+IC3(7806)、C6、VD9、C7组成高低频滤波和稳压,输出+5.3V供微处理器IC1(HD4074054)、反相驱动集成电路IC2(2003)、显示电路和其他电路工作电源。检测第一组直流电源+12V正常,再检测第二组直流电源约+1V(正常为+5.3v),测量Ic3的①脚直流电压约+10v,说明稳压电路有问题。断电,检查C6、VD9、C7均正常,由此判断IC3内部电路损坏引起所述故障。更换IC3(7806)后,通电试机,故障机修到这里,终于修好值得探讨。。
  

  例3、接通电源,面板显示正常,炉灯亮,转盘转,但不加热。 
    故障表现为说明微波炉前级电路基本正常,不加热可能是继电器常开触点K4-1(见图1)接触不良或不接触造成220V交流电源未加到高压变压器T1,或高压电路相关元器件损坏引起的。拔出T1初级两端插接件XT1与XT2,检测T1、C、R、VD2、VD1、MT都正常。将万用表置于交流250V挡,将表棒接到前级电路的XT1、XT2,通电后按启动键,万用表测不到交流电压,且继电器常开触点K4-1无闭合声,估计该控制电路有问题,于是检查IC1 15脚、R14、VT10、K4、VD13等元器件,发现VT10的b-e极开路造成继电器K4不能吸合引起所述故障。更换VT10,故障机修到这里,终于修好值得探讨。。

路过

雷人

握手

鲜花

鸡蛋

最新评论

QQ|Archiver|手机版|家电维修论坛 ( 蜀ICP备19011473号-4 川公网安备51102502000164号 )

GMT+8, 2025-11-12 11:29 , Processed in 0.174831 second(s), 17 queries .

Powered by Discuz! X3.5

© 2001-2025 Discuz! Team.

返回顶部