找回密码
 请使用中文注册

电磁炉控制电路原理(多图)

2023-5-14 07:57| 发布者: 开心| 查看: 111| 评论: 0

阅读字号:

摘要: 本文介绍一种用单片机控制及采用IGBT高频、高压、大电流开关管的高热效环保电磁炉电路。 主控制电路见图1所示,由电源、单片机(87c1202)、两个LM339及其外围电路组成87C1202为2K内存,8位单片机,其中 ...
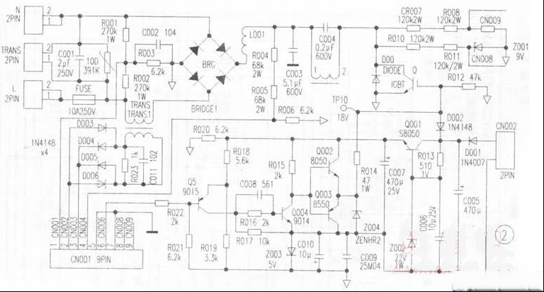
    本文介绍一种用单片机控制及采用IGBT高频、高压、大电流开关管的高热效环保电磁炉电路。  
    主控制电路见图1所示,由电源、单片机(87c1202)、两个LM339及其外围电路组成87C1202为2K内存,8位单片机,其中有两路A/D转换输入,一路②脚用于灶面温度控制,控制温度没为60~250℃(分为5个段)。另一路③脚用于IGBT超温保护,设定温度为83℃。功率自动控制由④脚采样;⑩脚为脉宽输出,控制整机输出功牢;⑨脚为保护输出端,电路如有异常,该脚输出为低电,使逆变输出截上。87C1202还完成自动功率控制,使铁锅与不锈钢锅的功率恒定,电网电压波动时自动调整功率和对火力挡、温度挡、定时挡的控制。还对散热风机、峰鸣讯响及故障代码等进行控制及设定。LM339及其外围电路完成一系列欠压、过压及脉宽方波形成与输出等功能。 

 图2为主逆变电路,由推动电路和采样电路等组成,IGBT大多根据不同功率(1300w、1600w、1800W)分别采用快捷公司的40N150D和西门子的SKW25N120等。
  
    图3为操作显示电路,由开关键、菜单键、增减键,个3位数码显示管及一个译码电路组成。  
    表1、表2、表3分别为87C1202、U4(LM339)、U3(M339)的实测静态数据。  
    该电路已应用于许多品牌电磁灶,如:台湾品牌“正夫人”、澳洲“袋鼠”、广东“美而浦”、“小鸭”、中山“雨泉”、“万升”,“家宝”、顺德“顺胜”等。 

路过

雷人

握手

鲜花

鸡蛋

最新评论

QQ|Archiver|手机版|家电维修论坛 ( 蜀ICP备19011473号-4 川公网安备51102502000164号 )

GMT+8, 2025-12-10 17:21 , Processed in 0.175932 second(s), 16 queries .

Powered by Discuz! X3.5

© 2001-2025 Discuz! Team.

返回顶部