找回密码
 请使用中文注册

海信MU7000U系列液晶电视主板供电与控制电路原理分析

2023-4-28 10:47| 发布者: 开心| 查看: 152| 评论: 0

阅读字号:

摘要: MU7000U系列液晶电视产品是海信公司2016年推出的,主要机型有LED43M7000U、LED50MU7000U、LED55MU7000U、LED65MU7000U、LED7OMU7000U等。产品的主芯片为MSD6A828EV(N1),外接四块DDR3存储器(型号为H5TQ4 ...
    MU7000U系列液晶电视产品是海信公司2016年推出的,主要机型有LED43M7000U、LED50MU7000U、LED55MU7000U、LED65MU7000U、LED7OMU7000U等。产品的主芯片为MSD6A828EV(N1),外接四块DDR3存储器(型号为H5TQ4G63CFR-RDC,位号N60~N63),一块EMMC存储器( KLM4G1FE3A-A001,位号N56),并安装有画质处理芯片HS3700,且外挂两块DDR3存储器( N176.N177,H5TQ4G63AFR-RDC)。主板电路板编号为RSAG7.820.6772。
  一、主板供电系统
         该系列产品主板供电分布如图1所示。12V电压经L87、L90、L93后去超画质处理电路供电分布,如图2所示。下面对关键的DC-DC转换电路进行介绍。
  
 
  
 
  1、 +1.05V-VDDC-CPU内核电压形成电路
         该电路以N33( SMH6110A )为核心构成,如图3所示。1.05V电压是系统内核工作的重要电压。N42工作后输出5V电压经R137、R312接入N33的①脚(EN)。N33还受④、⑤脚总线控制。此总线与EEPROM存储器N50、功放NTP8204的总线属同.路。此总线经IC内译码器转换后,控制N33内部调整输出端电压,本电路中②脚仅通过R553接在输出1.05V电压上,不安装取样电阻R1 R323、R546。
  
 
  2. +1.2V-VDDC内核电压形成电路
        该电路以N34(TPS54628)为核心构成,如图4所示。
  
 
        本电路输出的+1.20V_ VDDC也是内核的关键电压,但它较N33输出的内核电压+1.5V-VD-DC_ CPU电压要滞后一点。此IC的FB脚除外接取样电阻R378.R346外,还受主芯片GPIO_VID_0信号控制,主芯片根据内核运行状态调整N34输出电压的大小。当此路控制信号为低电平时,V34截止,N34输出1V电压;当此路控制信号变为高电平时,V34饱和导通,电阻R367、R547接入FB电路,N34输出1.13V电压。
  3. +1.5V- DDR电压形成电路
        该电路以N36( TPS54328 )为核心组成,电路如图5所示。
  
  
        ①脚(EN)是DDR启动控制端,通过R1980、R324.R189与主芯片AG2脚相连。若系统处于慢速启动DDR时,EN为高电平接入由V4组成的电路;若快速启动DDR,EN为低电平而不使用由V4组成的电路。当N36的①脚电压大于1.6V 时,IC的③脚内的5V基准电压形成电路工作,产生5V电压供内部电路工作,从⑥脚输出开关脉冲,经L11及C526、C525等电容滤波后产生+1.5V DDR3电压供N60~N63工作。
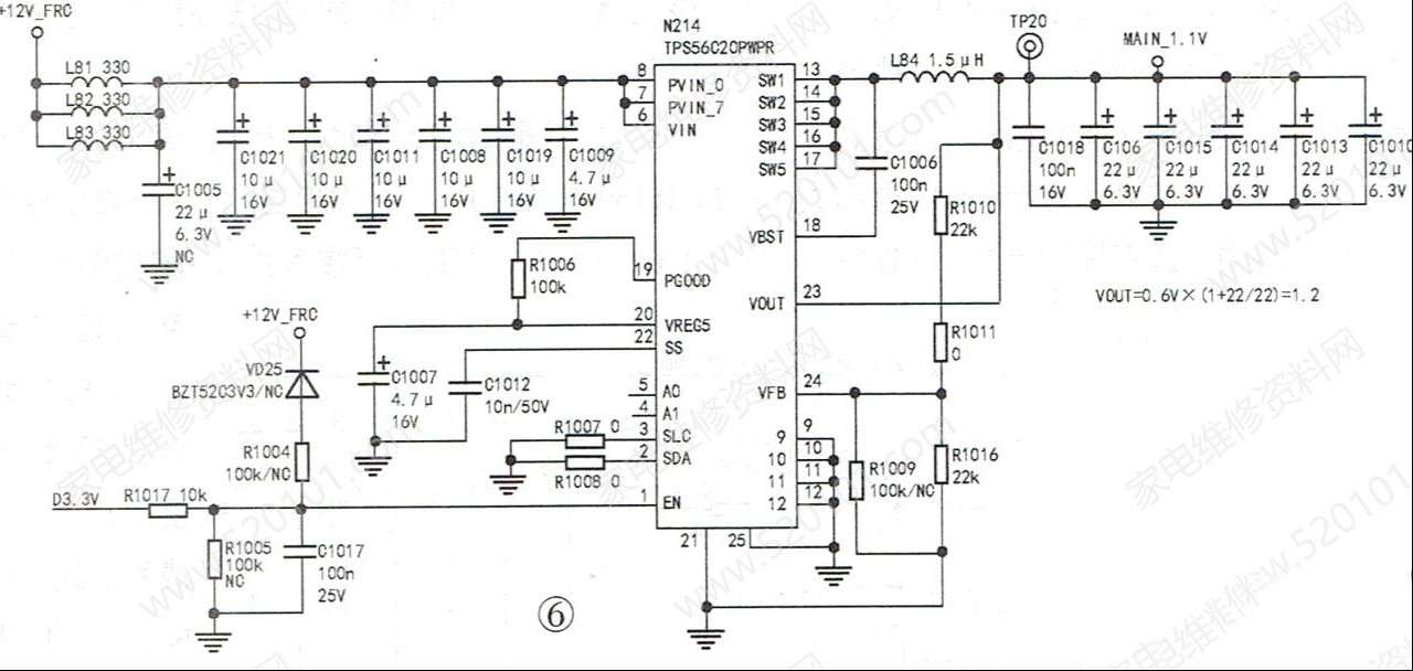
        MAIN-1.1V电压形成电该供电电路以N214(TPS56C20PWPR)为核心构成,如图6所示,输出电压供给画质处理芯片HS3700。在N214启动前,N159输出D3.3V电压,同时3.3V经图2中的N169、N163、N164、N166输出相应电压,使HS3700的控制电路及识别端口工作,这时D3.3V电压接入N214.N162等块的使能端,输出相应电压,以满足HS3700工作。N214的主要引脚功能见表1。
  
 
  
 
  二、控制电路
1.开/待机控制
      主芯片AG6脚输出PWR-ON/OFF IC信号经R529、R470送给V24基极,如图7所示。开机时,PWR-ON/OFF-IC信号为高电平,V24饱和导通,V18因基极为低电平而截止,V18的c极输出高电平STANDBY信号,经XS7的17脚去电源板,以启动PFC及主开关电源电路。待机时停止工作。待机时,V18饱和导通,XS7的17脚为低电平。另外,V18的c极输出的STANDBY信号还送给N159的①脚(EN),以便开机时输出D3.3V电压供HS3700工作,其电压分析见图2。同时,V18的c极输出STANDBY信号经R178去V40基极,开机时STANDBY为高电平,V40饱和导通,N42(AO4459 )导通工作,5VS电压通过N42形成+5V电压供图像、伴音电路工作,其电压分布见图1。待机时,无+5V电压输出,图像、伴音小信号处理电路及DDR、EMMC、EEPROM存储器电路停止工作,实现待机低功耗。
  
 
  2.背光亮度与背光开/关控制
         XS7的⑦脚为背光亮度信号BL-ADJUST,接V26的c极。主芯片AJ8脚输出BRI ADJ信号,经R14接入V26基极,如图8所示。V26的c极电压越低,背光越暗,反之背光越亮。主芯片AJ12脚输出背光开/关信号BRI ONOFF,经VD50、R208接入V7基极,V7的c极输出BL-ON/OFF信号去XS7的⑧脚。需要说明的是,插座XS7的西脚(3D_ .GLASS/NX PWM)为能效混合调光端,当整机启动3D功能时,由主芯片T11脚输出NX_ ADJ数字PWM信号,经V8放大以及R549、C11平滑滤波后变成变化的直流电压,通过xS7接入背光电路,校正背光亮度。XS7的⑧脚(3D_ EN# )为3D开/关控制端,用于调整电视机工作在2D或3D状态时背光电流.
  
 
  3.3D控制电路
         该系列彩电的3D控制电路如图9所示。由于不同机型采用的3D方案不完全相同,故实际电路也有所差异。下面对这几种方案分别进行介绍。 
  
 
           第一种:当用户启动3D功能时,主芯片K3脚输出3D EN信号,经R1075后一路经R1209去HS3700的A28脚(未使用HS3700时,不装R1209),启动3D画质处理。第二路经R1205去V23电平转换后,从c极输出3D EN#信号,一路经插座 xs7的13脚去背光电路,另一路经R445.R431及上屏线去液晶屏,让液晶屏工作在3D状态。液晶屏工作后,反馈回3D同步眼镜开/关信号Ghas Syne. From Panel,经R391返回主芯片AG5脚,再从AG7脚输出已延时校正后的3D同步信号3D DelaySync ToGlass,经R402后分两路:一路经R403.XS7去控制背光亮度,另一路经R405.R35去插座XP3所接的3D眼镜发射板。
          第二种:主芯片输出3D使能信号去液晶屏(与第一种方案控制相同),屏反馈回主板的Glas. Symc. From_Panel信号通过R401后,一路通过R405接入3D发射板,另一路通过R403去背光电路。该电路3D方案时未安装R391、R402等元件。
        第三种:主芯片输出3D使能信号去HS3700(A28脚,HS3700工作在3D状态下。同时,主芯片AH8脚输出LR SYNC同步信号通过R1059去HS3700(C30)脚,经HS3700同步处理后,从B32脚输出的信号经V9放大后,从V9的c极输出PANELLRsYnC信号,通过R430、R447送给液晶屏组件。经液晶屏再次处理后的3D同步信号Glass_ Sync From Panel又返回到主板,一路经R391反馈回主芯片AG5脚,校正主芯片AH8脚输往HS3700( C30 )脚同步信号的相位另一路经R401后分成两路,一路通过R405接入3D发射板,另一路通过R403去背光电路。该电路中未安装R402等元件。针对个别屏具有局部调光功能,主板上安装有单刀双掷模拟开关N172( SN74LVC1G3157DCKR)当电视机启动3D功能时,屏反馈回的Glass_Sync_From_Panel信号经R1022接入N172的①脚,同时HS3700(D29)脚输出高电平送给N172的⑥脚,此时N172的①脚与④脚连通,屏反馈回的3D同步信号通过④脚外接的插座XP31、XP13,使局部背光调整板工作。当电视机未工作在3D状态时,N172的⑥脚为低电平,此时①脚的3D同步信号中断,N172的③、④脚接通,HS3700(AJ31 )脚输出的超高清信号的同步信号通过N172的④脚或直接通过R1125送给XP13.XP31所接的局部背光控制电路板。
4.上屏电压控制电路
       该机上屏电压控制电路如图10所示。二次开机后,主芯片AH7脚输出PANEL oN/OFF低电平信号,V36截止,V38饱和导通,N44的②、④脚(G极)电平被拉低,N44内双P沟道MOSFET管导通,12V电压通过⑤~⑧脚输出去,经插座XP5去液晶屏。N44的型号为AO4805,它能为高清屏提供5A大电流,故此IC不能随意替换。
  

5.指示灯控制
      主芯片的L5脚输出LED-1信号经VD14降压隔离,再由V19缓冲放大后,送给由V17.V21组成的推挽放大电路放大,最后通过插座XP4的③脚接指示灯电路,如图11所示。若电视机使用触摸按键,则插座XP4部分脚将不用,而是使用XP9触摸按键板,此指示灯信号将接入XP9。
  

三、故障检修实例
例1:收到其他维修同行的一台LED55MU7000U型机,接收TV信号无图,输入AV信号图像正常。
故障原因分析:此故障主要检修调谐器N93电路。测得N93的4、12、22脚1.8V供电,13脚(内1.2V形成)外接滤波电容C389,19、20脚外接 晶体Z2及相移电容C385、C388、电阻R333(0Ω),23脚复电压(高电平3.3V)均正常,接下来检查N93的16、17脚总线通电路,发现电阻R319虚焊,补焊后故障机修到这里,终于修好值得探讨。。
例2:收到其他维修同行的一台LED55MU7000U型机,不开机。
故障原因分析:上电后面板指示灯亮,二次开机,指示灯不闪烁。测开/待机控制管V18基极电压没变化,由此推断控制系统没工作,CPU未与EMMC(N56 )和EERPOM(N50)进行数据交换。检查主芯片N1的工作条件,发现N12输出3.3V不正常,断开L24后N12输出正常,说明L24后极电路有故障,检查发现滤波电容C44漏电,且I24阻抗增大,代换这两只元件后机器恢复正常。
例3:收到其他维修同行的一台LED55MU70OU型机,不开机,但二次开机时面板指示灯闪烁。
故障原因分析:此现象表明控制系统与存储器电路的通信有故障,首先检查相关DC-DC电路,测得N42.N11.N21.N45.N33输出电压均正常,但N34输出1.2V电压,不正常。检查N34外围元件,无故障,怀疑N34损坏,将其换新后排除故障。
例4:收到其他维修同行的一台LED55MU7000U型机,不开机,但二次开机时面板指示灯闪烁。
故障原因分析:测N12、N42、N11、N21、N33、N34等DC-DC电路输出电压均正常,怀疑故障系软件异常所致,决定用U盘对其进行强制升级。先在U盘的根目录下新建文件夹TargetHis,并将升级文件:His828Upgrade. bin拷贝到此文件夹中,在断电情况下,将U盘插入电视机的2.0USB端口中,接通电源,并按住面板上的“音量-”键,不松手,这时系统进
入软件升级状态,升级完成后电视会自动重启。该机经强制软件升级后,故障机修到这里,终于修好值得探讨。。
例5:收到其他维修同行的一台LED55MU7000U型机,不开机,但二次开机时面板指示灯闪烁。
故障原因分析: 测得N12、N42.N11.N21.N33.N34 输出电压均正常,用U盘对电视机强制升级不成功,怀疑存储器电路异常,检查EMMC(N56)和DDR(N60~N63 )的供电及与主芯片N1之间的通信电路,发现N56外围通信电阻R175开路,取下此电阻发现已开裂,替换此电阻再开机,故障机修到这里,终于修好值得探讨。。
例6:收到其他维修同行的一台LED55MU700OU型机,不开机。
故障原因分析:通电,测插座XS7的②、④脚12V电压正常,但①脚(STANDBY )电平始终为待机低电平。再测开/待机控制管V18基极电平有变化,对V18外围电路进行细查,发现V18的c极所接偏压电阻R466开路,替换R466(2kΩ),再通电开机,故障机修到这里,终于修好值得探讨。。
      提示:V18工作不正常, 不仅影响电源工作,同时影响主板N42无法输出5V,这样主板N11、N21等所有DC- -DC转换块都不会工作,同时电源电路中的PFC、背光电路等都不会工作,出现整机不开机故障。
例7:收到其他维修同行的一台LED66MU700OU型机,输入AV信号时右边喇叭无声,输入其他信号源,左右喇叭发声正故障原因分析:根据故障表现为分析,判断该机故障仅在AV输入的R伴音通道中。检查该电路中的电阻R285.R287及隔直电容C22(2.2uF/10V),发现C22虚焊,补焊后故障机修到这里,终于修好值得探讨。。
例8:收到其他维修同行的一台LED66MU7000U型机,输入多种信号源均无声。
故障原因分析:先测功放 N81的12V及3.3V供电均正常,再测N81的44脚I2C总线地址识别电压为正常的高电平3.3V,⑧脚静音控制电压为3.5V,也正常,接下来检查③脚~⑤脚及45脚外接的I2S总线电阻R364~R366.R380,发现R380(02)巴开路,将其换新后通电试机,故障机修到这里,终于修好值得探讨。。
例9:收到其他维修同行的一台LED55MU7000U型机,故障表现为同例8。
故障原因分析:先测功放N81供电、I2S总线通道无故障,检查N81的⑧脚外接静音电路、④脚总线地址识别电阻R377正常,怀疑主芯片N1与N81之间的rC总线通道元件R368.R369异常,但检测并无问题。最后代换功放N81后故障机修到这里,终于修好值得探讨。。
例10:收到其他维修同行的一台LED55MU7000U型机,黑屏(伴音正常)。故障原因分析:开机观察背光亮,说明主板控制系统与背光电路工作正常。测上屏供电开/关块N44的⑤脚~⑧脚输出的12V电压正常。检测主板上的相关DC-DC电路,测得给HS3700供电的DC-DC块N159输出的3.3V,N163.N164输出的1.1V,N163 输出的3.3V,N169输出的2.5V,N214输出的1.1V,N162输出的1.5V及N165输出的2.5V,均正常。转向对HS3700与N176.N177组成的超高分辩率转换处理电路时进行检查,测得R1189、R1188连接点电压仅为0.3V(正常值为0.7V),对R1189、R1188进行检查,发现R1188阻值已由1k增大至4.1k,更换R1188后故障机修到这里,终于修好值得探讨。。

路过

雷人

握手

鲜花

鸡蛋

最新评论

  • 海信LED43H2600开机画面视频正常,系统启动
  • H【海信】TLM32V68C亮度不均匀的维修
  • 维修一例H【海信】 HDP29S696 黑屏有字符
  • H【海信】TLM4777的电源板子不开机的维修
  • H【海信】LED32K01 开机不了 显示灯亮按
  • 王牌L32M16 和H【海信】TLM32E29 一样维修
  • H【海信】液晶TLM46V86P黑屏维修故障检修
  • H【海信】TLM3237D系列液晶电视机开关电源
  • H【海信】TLM3237D系列液晶电视机开关电源
  • H【海信】TLM3237D系列液晶电视机开关电源

QQ|Archiver|手机版|家电维修论坛 ( 蜀ICP备19011473号-4 川公网安备51102502000164号 )

GMT+8, 2025-10-26 17:22 , Processed in 0.185066 second(s), 21 queries .

Powered by Discuz! X3.5

© 2001-2025 Discuz! Team.

返回顶部