找回密码
 请使用中文注册

海信RSAG7.820.1032电源板电路原理与检修思路

2023-4-28 10:45| 发布者: 开心| 查看: 176| 评论: 0

阅读字号:

摘要: 海信液晶彩电采用的RSAG7.820.1032电源板,应用于海信TLM3233H、TLM3233N、 TLM32V67D、TLM32V67K、TLM32E29、 TLM32V68 、TLM26P69D、 TLM3207 等液晶彩电中。海信RSAG7.820.1032电源板实物图解如图1 ...
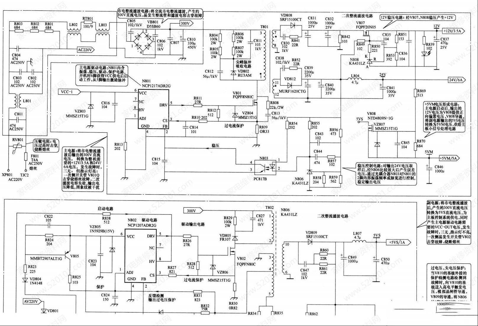
    海信液晶彩电采用的RSAG7.820.1032电源板,应用于海信TLM3233H、TLM3233N、 TLM32V67D、TLM32V67K、TLM32E29、 TLM32V68 、TLM26P69D、 TLM3207 等液晶彩电中。海信RSAG7.820.1032电源板实物图解如图1所示;电路组成框图如图2所示。
  
 
  
 
         该电源板集成电路采用NCP1207ADR2G ( N802 )+ NCP1217ADR2G (N801) 组合方案。
         该电源板由两部分组成:一是由驱动控制电路NCP1207ADR2G (N802)和MOSFET (开关管) V802 组成的副电源,产生+5V-S/1A电压,为主电路板控制系统供电;二是由NCP1217ADR2G ( N801)和MOS-FET (开关管) V801 组成的主电源,产生+ 12V/3.5A和+ 24V/6A电压,为主电路板和逆变器电路供电。待机采用控制主开关电源N801驱动电路VCC-1供电的方式。接通市电电源后副电源首先工作,产生VCC-OUT和+5V-S/1A电压,其中+5V-S/1A电压为控制系统提供电源,二次开机后待机控制电路将VCC-OUT电压稳压为vCC-1电压送到NCP1217ADR2G (N801) 的6脚,主电源启动工作,为整机提供+ 12V/3. 5A和+24V/6A电压,进人开机状态。
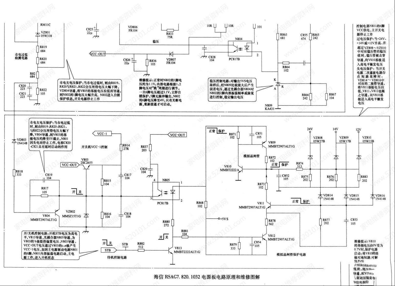
         海信RSAG7. 820.1032电源板依托待机控制电路设有以模拟晶闸管V809 、V810为核心的过电压、失电压保护电路,当开关电源发生过电压故障或负载电路发生短路故障,造成输出电压过电压或失电压时,保护电路启动,进入待机保护状态。该电源板的集成电路引脚功能和参考电压见表1、表2。
  
 
        海信RSAG7. 820.1032电源板电路发生故障,主要引起开机黑屏幕故障,可通过观察待机指示灯是否点亮,测量关键点电压,解除保护的方法进行维修。
  1.待机指示灯不亮
        测量熔丝F801是否熔断,如果已经熔断,说明开关电源存在严重短路故障,主要检测抗干扰电路C801 ~ C804及整流滤波VB801、C805 ~C807、C810、 副电源开关管V802、主电源开关管V801是否击穿,如果V802、V801 击穿,还需注意检测尖峰吸收件VD805、R829、 C827 和VD802、C812、 R804 ~R807,检测源极过电流取样电阻R830、R809 是否连带烧断。如果测量熔丝F801未断,主要是副开关电源电路未工作,首先测量市电整流滤波后输出的300V是否正常,无300V电压,检查市电整流滤波电路;有300V电压,测量副电源N802的8脚有无启动电压,N802 的6脚有无+ 13V直流电压。8脚无启动电压,检查8外部的R838VZ801流电压,检查6脚外部的二次供电电路C825、VD806、C832、 C833。 测量N802的1脚电压是否正常,如果高于正常值,则是市电欠电压保护电路启动,检查市电电压是否正常,如果正常,则检查以V805为核心的市电欠电压保护电路。
  2.待机指示灯亮
         电源板无+ 12V/3. 5A和+24V/6A电压输出,故障在主电源。按遥控器上的"POWER"键,测V813基极有无STB高电平,无STB高电平,查主电路板微处理器控制电路;有STB高电平,测量N801的6脚有无VCC供电。无vCC供电,查V803、N805、V813组成的待机控制电路和以V804为核心的市电欠电压保护电路等;有VCC供电,测N801的5脚有无PWM驱动脉冲。如果有PWM驱动脉冲,查N801的5脚外接R811、开关管V801源极电阻R809;如果无PWM驱动脉冲,查N801的2脚电压反馈电路。
  3.自动关机
         开机的瞬间有+24V和+12V电压输出,说明主电源保护电路启动。在开机的瞬间,测量保护电路的模拟晶闸管V810的基极电压由正常时的低电平0V变为高电平0.7V以上,则是以模拟晶闸管为核心的保护电各启动。由于 V810的基极电压外接三路过电压保护和三路过电流保护两种保护检测电路,为了确定是哪路检测电路引起的保护,可在自动关机前的瞬间测量v811 的发射结电压,该电压正常时为0V,如果为0.7V,则是过电流保护电路启动,否则是过电压保护电路启动。角定保护之后,可采解除保护的方法判断故障范围。全部解除保护:将模拟晶闸管V810的基极对地短路;逐路解除保护:对于+24V过电压保护电路,断开VZ808; + 14V过电压保护电路,断开VZ809;+12V过电压保护电路,断开VZ810。对于+ 24V过电流保护电路,断开VD814; + 14V过电流保护电路,断开VD815; + 12V过电流保护电路,断开VD816。每解除一路保护检测电路, 进行一次开机实验,如果断开哪路保护检测电路后,开机不再保护,则是该路保护检测电路引起的保护。
        注意:断开二极管后不可长时间通电,以免损坏元器件。
        海信RSAG7. 820. 1032电源板原理和维修图解如图3所示。
  
 
  

路过

雷人

握手

鲜花

鸡蛋

最新评论

  • 海信LED43H2600开机画面视频正常,系统启动
  • H【海信】TLM32V68C亮度不均匀的维修
  • 维修一例H【海信】 HDP29S696 黑屏有字符
  • H【海信】TLM4777的电源板子不开机的维修
  • H【海信】LED32K01 开机不了 显示灯亮按
  • 王牌L32M16 和H【海信】TLM32E29 一样维修
  • H【海信】液晶TLM46V86P黑屏维修故障检修
  • H【海信】TLM3237D系列液晶电视机开关电源
  • H【海信】TLM3237D系列液晶电视机开关电源
  • H【海信】TLM3237D系列液晶电视机开关电源

QQ|Archiver|手机版|家电维修论坛 ( 蜀ICP备19011473号-4 川公网安备51102502000164号 )

GMT+8, 2025-10-26 19:43 , Processed in 0.215563 second(s), 21 queries .

Powered by Discuz! X3.5

© 2001-2025 Discuz! Team.

返回顶部