找回密码
 请使用中文注册

海信RSAG7.820.1374二合一电源板电路原理与检修思路

2023-4-28 10:45| 发布者: 开心| 查看: 653| 评论: 0

阅读字号:

摘要: 海信液晶彩电采用的RSAG7.820.1374电源板,将电源电路和逆变器电路合并在-一起,可用型号为RSAG7.820.1567电源板代换。该电源板应用于海信TLM32P69CP、TLM37P69GP、TLM42P69GP、 TLM47P69GP、TLM40V69P ...
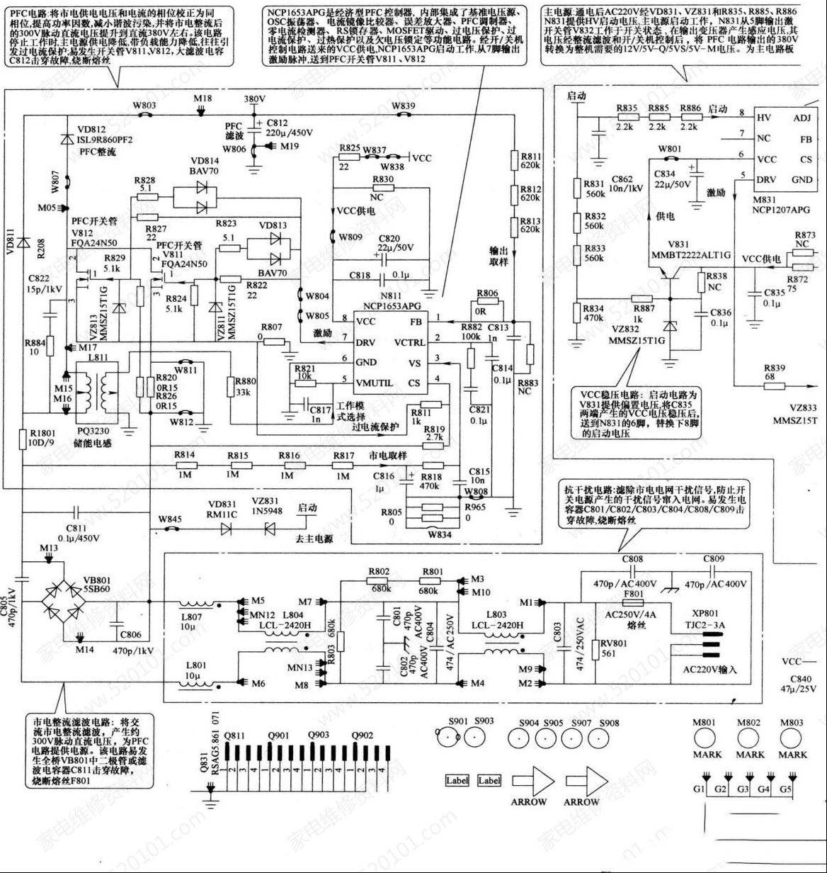
    海信液晶彩电采用的RSAG7.820.1374电源板,将电源电路和逆变器电路合并在-一起,可用型号为RSAG7.820.1567电源板代换。该电源板应用于海信TLM32P69CP、TLM37P69GP、TLM42P69GP、 TLM47P69GP、TLM40V69P、TLM4233D 等液晶彩电中。海信RSAG7.820.1374二合一电源板实物图解如图1所示;电路组成框图如图2所示。该电源板集成电路采用NCP1653APG( N811) + NCP1207APG( N831) + OZ9925GN( N901) + FAN7382( N902)组合方案。
  
 
  
 
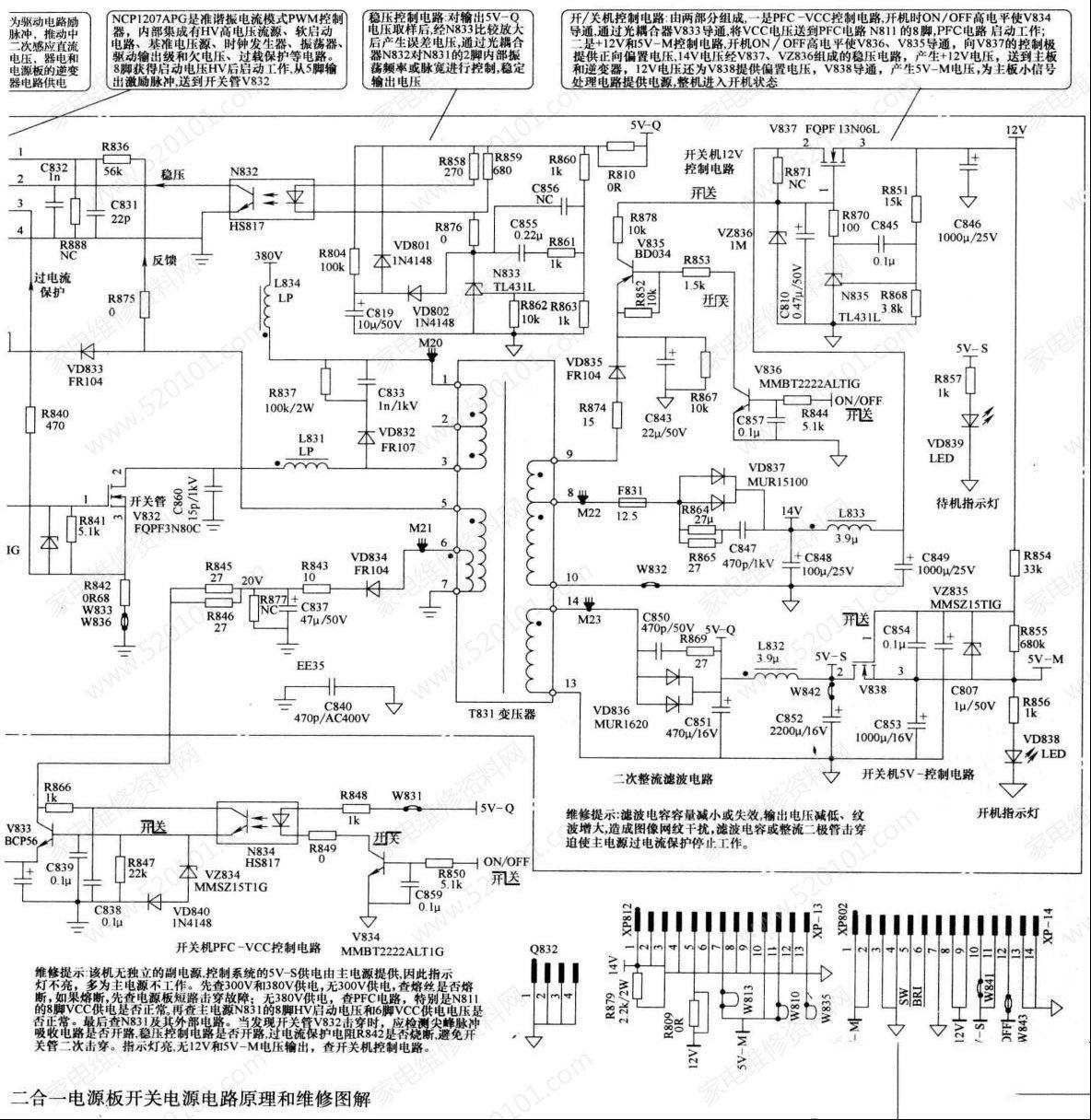
        该电源板的电源供电由三部分组成:一是以集成电路NCP1653APG (N811) 为核心组成的PFC电路,将整流滤波后的市电校正后提升到380V为主开关电源供电;二是以集成电路NCP1207APG ( N831)为核心组成的主开关电源,产生5V和12V电压,经开关机电路控制后,为主板和逆变器板供电。
        待机采用控制5V和12V电压输出及PFC驱动电路VCC供电的方式。接通市电电源后副电源首先工作,市电整流滤波后的300V电压为主电源供电,主电源启动工作,在输出变压器的二次侧产生14V和5V-Q、5V-S 电压,在输出变压器的一次侧产生VCC电压,其中5V-S电压为控制系统提供电源,二次开机后待机控制电路-一是将VCC电压送到PFC驱动电路,PFC电路启动工作,将主电源的供电由300V提升到380V,提高主电源的带负载能力;二是二次侧控制14V电压输出稳压后产生12V电压为主板和电源板上的逆变器电路供电,将5V-S电压转换为5V-M电压,为主板小信号处理电路供电,进人开机状态。
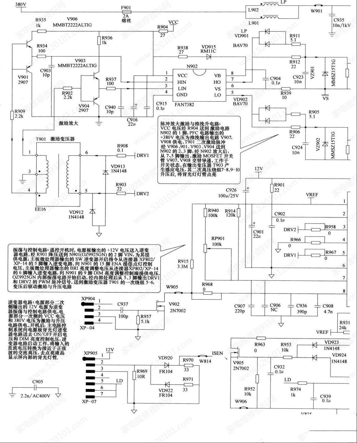
        该电源板的逆变器电路由三部分组成:一是以OZ9925GN(N901)为核心组成的振荡与驱动控制电路,产生激励脉冲;二是以FAN7382(N902)为核心组成的激励脉冲放大电路;三是以MOS开关管v907、V908 组成的推挽输出升压电路,产生高频交流高压,点亮背光灯管。该逆变器设有过电流、过电压保护功能,发生保护故障时,背光灯点亮后熄灭。
        该电源板的集成电路引脚功能和参考电压见表1 ~表4。
  
 
        海信RSAG7. 820. 1374二合一电源板发生故障,主要引起开机没有反应、黑屏幕故障,可通过观察待机指示灯是否点亮,测量关键点电压,解除保护的方法进行维修。
        本机电源板可以从电视机上摘下独立维修,维修时拔掉输出连接器XP812/XP-13和XP802/XP-14,将XP802/XP-14的12脚ON/OFF端与10、11 脚5V-S端相连接,模拟ON/OFF高电平开机电压,电源板处于开机状态,正常时各路电压均有输出。在维修不是带负载能力差的故障时,本电源可以空载维修。
  1. 待机指示灯不亮
        测量熔丝F801是否熔断,如果已经熔断,说明开关电源存在严重短路故障,主要对抗干扰电路电容及整流滤波VB801、C811、 PFC 电路开关管V811、V812、主电源开关管V832是否击穿。如果V832击穿,检查尖峰吸收元器件VD832、R837、 C833 是否发生开路故障。如果熔丝F801未断,主电源无电压输出,主要是开关电源电路未工作,一是测量V832的漏极有无待机状态300V、开机状态380V电压。二是测量N831的8脚有无启动电压,6脚有无+14.3V直流电压。8脚无启动电压,检查8脚外部的VD811、VZ831、R835、R885、R886; 6脚无+ 14.3V直流电压,检查6脚外部的二次供电电路VD833、R873 /R872、C835、V831、VZ832等。三是测量N831的5脚有无PWM驱动脉冲输出,有驱动脉冲信号输出,检查N831的5脚外部R839、V832、 R842;无驱动脉冲输出,检查N831外部元器件,外部元器件正常,更换N831。
  2. 待机指示灯亮
        按遥控器上的"POWER”键,测ON/OFF开关机控制为高电平,则故障在主电源或待机控制电路:一是测量N811的8脚有无vCC供电,无vCC电压,检查以V833、N834、 V834为核心的待机控制电路;二是测量电源板有无受控的12V和5V-M电压输出,无电压输出,检查T831二次侧的V836、V835、V837、N835和V838、VZ835 组成的12V、5V-M输出电压控制电路。
        逆变器电路发生故障,主要引起有伴音、黑屏幕故障: 一是背光灯始终不亮,液晶屏始终为黑屏幕,多为逆变器电路故障,主要检查逆变器的工作条件和逆变器电路;二是液晶屏开机瞬间背光灯点亮,然后熄灭,主要检查保护监测电路、背光灯管和高压形成电路。
  1. 检查逆变器工作条件
         当逆变器不工作时,首先测量逆变器的工作条件。一是测量连接器XP812/XP-13和XP802/XP-14电压,其8、9脚为12V供电,5脚为sW逆变器开启电压,6脚为BRI亮度调整电压;二是测量待机控制电路输出的VCC电压是否正常;三是测量PFC电路输出的380V电压是否正常。
  2.检测逆变器电路
         测量N901(0Z9925CN)的3、5脚有无脉冲电压输出,有条件的测量其输出波形有无和是否正常,如果0Z9925CN的3、5脚无脉冲电压输出,故障在以0Z9925CN为核心的振荡与控制电路,否则故障在逆变器激励与高压形成电路中。逆变器的激励与高压形成电路由于工作在高电压、大电流状态,容易发生故障,重点检查激励电路N902、MOSFET (开关管) V907、 V908 和升压变压器T903。另外,连接背光灯管的输出连接器易发生接触不良而引起打火放电故障,维修时应注意观察。
  3.保护电路维修
         当逆变器电路发生过电流、过电压故障时,会出现背光灯亮一下就灭的故障表现为。维修时,可采取测量关键点电压,判断是否保护和解除保护,观察故障表现为的方法进行维修。检修时,可在开机后保护前的瞬间通过测量0Z9925CN的10、11、14脚电压判断保护电路是否启动如果10脚电压异常,则可判断是电压反馈电路引起的保护;如果11、14 脚电压异常,则可判断是电流反馈电路引起的保护。
         海信RSAG7.820.1374二合一电源板开关电源电路原理和维修图解如图3所示;逆变器电路原理和维修图解如图4所示。
  
 
  
 
  
 
  

路过

雷人

握手

鲜花

鸡蛋

最新评论

  • 海信LED43H2600开机画面视频正常,系统启动
  • H【海信】TLM32V68C亮度不均匀的维修
  • 维修一例H【海信】 HDP29S696 黑屏有字符
  • H【海信】TLM4777的电源板子不开机的维修
  • H【海信】LED32K01 开机不了 显示灯亮按
  • 王牌L32M16 和H【海信】TLM32E29 一样维修
  • H【海信】液晶TLM46V86P黑屏维修故障检修
  • H【海信】TLM3237D系列液晶电视机开关电源
  • H【海信】TLM3237D系列液晶电视机开关电源
  • H【海信】TLM3237D系列液晶电视机开关电源

QQ|Archiver|手机版|家电维修论坛 ( 蜀ICP备19011473号-4 川公网安备51102502000164号 )

GMT+8, 2025-10-26 19:43 , Processed in 0.216409 second(s), 21 queries .

Powered by Discuz! X3.5

© 2001-2025 Discuz! Team.

返回顶部