找回密码
 请使用中文注册

海信LED32K01液晶电视背光不亮的检修思路

2023-4-28 10:44| 发布者: 开心| 查看: 350| 评论: 0

阅读字号:

摘要: 收到同行送来的故障机壹台海信LED32K01型液晶彩电,故障表现为开机后伴音正常,但背光不亮。上电测得开关电源输出的12V电压正常,主板输出的背光ON信号为高电平(3.3V )也正常,背光芯片OZ9902的②脚VCC电压为正常的12V, ...
    收到同行送来的故障机壹台海信LED32K01型液晶彩电,故障表现为开机后伴音正常,但背光不亮。上电测得开关电源输出的12V电压正常,主板输出的背光ON信号为高电平(3.3V )也正常,背光芯片OZ9902的②脚VCC电压为正常的12V,但⑥脚(PWM调光控制)电压为0V。测主板输出的PWM控制电压仅0.1V,由于该信号是脉冲信号,用万用表无法准确判断,于是换用示波器监测,没有脉冲信号。为何主板已经发出背光ON信号却未发出调光信号呢?开机时测上屏电压,发现该电压始终为0V。仔细观察上屏线插座旁边线路板,发现位号为N14 的三脚贴片元件爆裂,如图1所示。
  

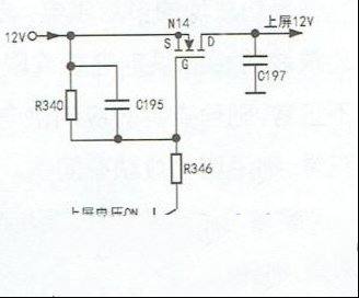
       实绘出N14外围电路,判断N14为P沟道场效应管,如图2所示。
  

       主板发出的高电平上屏电压ON信号,使V10导通,N14因G极为低电平而导通,逻辑板得电工作。N14爆裂,说明负载有短路。拔下上屏线,测逻辑板侧12V供电端对地没有短路,但主板上电容C197两端短路。更换C197(用一只22uF贴片电容焊在CA10位置上).N14后试机,故障机修到这里,终于修好值得探讨。。
       该机逻辑板和主板有通讯,逻辑板不工作,主板不发出PWM调光信号,引起背光不亮。因此如果背光不亮,除了查电源部分和背光电路以外,还要检查一下逻辑板是否工作正常。

路过

雷人

握手

鲜花

鸡蛋

最新评论

  • 海信LED43H2600开机画面视频正常,系统启动
  • H【海信】TLM32V68C亮度不均匀的维修
  • 维修一例H【海信】 HDP29S696 黑屏有字符
  • H【海信】TLM4777的电源板子不开机的维修
  • H【海信】LED32K01 开机不了 显示灯亮按
  • 王牌L32M16 和H【海信】TLM32E29 一样维修
  • H【海信】液晶TLM46V86P黑屏维修故障检修
  • H【海信】TLM3237D系列液晶电视机开关电源
  • H【海信】TLM3237D系列液晶电视机开关电源
  • H【海信】TLM3237D系列液晶电视机开关电源

QQ|Archiver|手机版|家电维修论坛 ( 蜀ICP备19011473号-4 川公网安备51102502000164号 )

GMT+8, 2025-10-26 22:10 , Processed in 0.110406 second(s), 21 queries .

Powered by Discuz! X3.5

© 2001-2025 Discuz! Team.

返回顶部