找回密码
 请使用中文注册

海信液晶MST7机芯1585电源高压二合一板电路原理与维修

2023-4-28 10:36| 发布者: 开心| 查看: 134| 评论: 0

阅读字号:

摘要: 海信液晶MST7机芯采用MSTAR公司(晨星半导体)的MST721DU芯片,有4种主板,型号分为1563、 1718、 1754、 1779,其基本电路相同。适用机型:海信TLM19V09X、 海信TLM19V68、海信TLM19V68X、海信TLM19V88 ...
    海信液晶MST7机芯采用MSTAR公司(晨星半导体)的MST721DU芯片,有4种主板,型号分为1563、 1718、 1754、 1779,其基本电路相同。适用机型:海信TLM19V09X、 海信TLM19V68、海信TLM19V68X、海信TLM19V88、海信TLM19V88X、海信TLM22V88、海信TLM22V88X、海信TLM26P69DX、海信TLM26V68、海信TLM26V68X等液晶彩电。
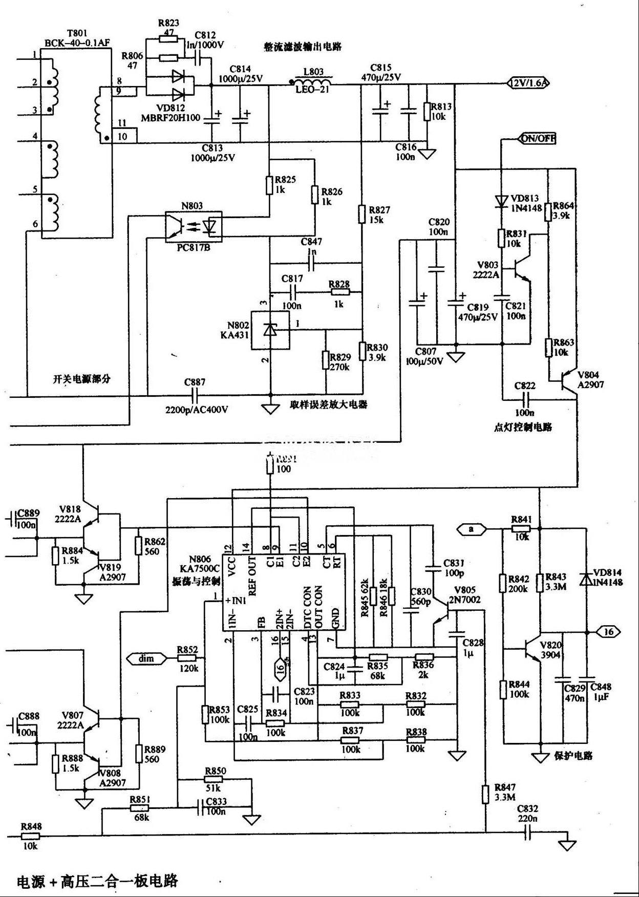
      MST7机芯电源板使用过1032、 1569、 1585、 1646等型号,1585板应用在19in (1in=25. 4mm)电视机中,1569板应用在22in电视机中,1032, 1646板应用在26in电视机中。本节以型号为1585板为例,介绍电源+高压二合一板的原理与维修。该板将电源电路和高压板电路整合在一块电路板上。 电源电路采用SG6859A,高压板振荡与控制电路采用KA7500C。

  

  一、电源电路工作原理 
         海信MST7机芯1585电源+高压二合一板实物图解如图5-1所示;二合一板电路如图5-2所示。在图5-2的上半部分为12V电源电路,可以产生 12V/1. 6A的电压,为主电路板和高压板电路提供工作电压;图5-2的下半部分为高压板电路,可以产生交流高压,为背光灯管供电。
  
 
  
 
  1、 12V开关电源
    12V开关电源采用反激式方式,由驱动控制电路N801 (SG6859ADZ)、激励电路V813、V814、大功率MOSFET(开关管)V801开关变压器T801和稳压控制电路等组成。
   (一)SG6859ADZ简介
    SG6859ADZ是开关电源专用驱动控制电路,是一款符合节能需求且高度整合型的低成本AC-DC PWM集成电路。它仅需要9mA的启动电流与3mA的工作电流,故能轻易地符合各项节能要求,同时可以保护外部开关管不受过电压破坏。SG6859ADZ将 驱动脉冲输出电压限定在17V,内置OVP与UVLO等保护功能,均使得外部的元器件数大幅减少,达到了降低设计成本的要求。SG6859ADZ内部电路框图如图5-3所示,其引脚功能见表5-1。
 
  
 
  
 
  
 
     (二)启动和振荡电路
     AC 220V市电从连接器XP801输入,经过交流抗干扰电路滤除高频干扰信号,再经VD801~VD804桥式整流,C810滤波,获得300V左右的直流电压。由于该电路板没有PFC电路,所以为主电源供电的为300V电压。
     市电整流滤波后的300V电压经开关变压器T801一次绕组的1-3端加到开关管V801的漏极,同时经R808~R810降压后为N801的2脚提供 VDD启动电压,N801获电后启动工作,振荡电路产生PWM脉冲,经内部电路处理后从1脚输出,经V813、V814放大后,送到V801的栅 极,V801在脉冲的驱动下工作于开关状态,其开关电流在T801产生感应电压。
     N801的2脚外部的C808、VD807、R807组成VCC供电电路,电源电路启动后,T801绕组的5-6端的感应电压经VD807、C808整流滤波,送到N801的2脚,替换下启动电路,为N801提供稳定的工作电压。
     T801二次绕组的感应电压经VD812、 C813、 C814、 L803、 C815、 C816整流、滤波后,产生+12V/1. 6A的输出电压,为主电路板和高压板电路供电。
  2、稳压与保护电路
    (1)稳压控制电路
     当开关电源12V/1. 6A电压因故升高时,经过R827, R830, R829取样加到误差放大电路,N802的1脚电压升高,经N802内部比较放大后,3脚电压降低,光耦合器N803的电流增加,将N801的7脚电压降低,输出的PWM脉冲变窄,开关管V801提前截止,输出电压回落到12V。
    (2)过电流保护电路
     过电流保护电路由N801的4脚及其外部电路组成,对开关管V801的源极电压进行检测。当V801电流过大时,在源极电阻R822上的电压降升高,该电压经R815送到N801的4脚,当4脚的电压达到设计值时,N801停止PWM脉冲输出,开关电源停止、工作。
  
 
  二、电源电路检修思路
       由于海信MST7机芯1585电源+高压二合一板将电源和高压板合二为一,因此引发的故障主要有两种:一是指示灯不亮,多为12V开关电源部分发生故障;二是有声无光,背光灯不亮或亮一下熄灭,则是背光灯高压板电路发生故障。
      如果开机指示灯不亮,测量电源板有无12V电压输出,如果有电压输出,一是主电路板发生故障,二是电源板到主板之间的连接器接触不良。
      为了区分是电源板故障还是主电路板故障,拔掉与主电路板的连接器XP805的插头,将电源板拆下,在XP805的插座5、6脚12V/1. 6A输出端接假负载,并用电阻跨接在XP805的5、6脚和4脚之间,为电源板提供ON/OFF点灯启动电压,然后通电对电源板进行维修。
  

  1、熔丝熔断
   (一)根除短路故障
    测量AC 220V输入电路的熔丝F801和限流防浪涌电阻RT801是否烧断,如果F801或RT801之二烧断,说明电源部分有严重的短路故障。首先排除电源短 路漏电故障:一是检查抗干扰电路的电容C801、C803、C804是否击穿短路;二是检查市电整流滤波电路VD801~VD804、C810是否击穿短 路;三是检查开关电源的开关管V801是否击穿。
   (二)排查开关管击穿原因
    如果V801击穿,还要排除V801的击穿原因,避免更换后再次损坏。造成V801击穿的原因,.一是V801的漏极外接的VD806、C806、 R804组成的尖峰脉冲吸收电路发生开路故障,失去尖峰脉冲吸收作用,将V801击穿;二是N801的7脚外部的取样误差放大电路发生开路、失效、变质故 障,造成开关电源输出电压升高,将V801击穿;三是V801的栅极电路元器件发生故障.造成V801由于激励不足出现过损耗损坏。
  2、熔丝未断
    (一)测量300V电压
    如果熔丝未断,则故障在开关电源电路。首先测量大电容C810两端形成的300V左右电压,如果无300V电压,则是市电输入电路或整流滤波电路发生开路故障。
    (二)测量 N801电压
   如果300V电压正常,则测量N801的2脚有无启动电压,该电压应该在9~15V之间。如果2脚无启动电压,检查2脚外部的R808-- R810启动电路是否开路;如果2脚有启动电压,测量N801的1脚有无激励脉冲输出,如果其值在0~3V之间变动,说明N801工作是正常的。如果无激 励脉冲输出,则是以N801为核心的振荡控制电路发生故障,否则是N801的1脚外部的V813、V814、V801发生故障。如果驱动控制电路N801 发生故障,首先检测N801的各脚电压和外围元器件是否正常,外围元器件正常时,更换N801。
  例5-1:开机没有反应。指示灯不亮。
    分析与检修:观察指示灯不亮,检测电源板无12V输出,判断故障在电源电路中。通电测C810两端电压为0V,检测熔丝F801已经熔断,说明电源部分存在严重的短路故障。
    测量电源部分整流滤波电路,未发现短路元器件;检查电源输出电路,发现大功率MOSFET(开关管)V801击穿,检查V801外部元器件,发现尖峰脉冲 吸收电路的R804引脚开焊,造成尖峰脉冲吸收功能失效,将V801击穿。将R804补焊后,再更换V801,开机时指示灯亮后熄灭。开机指示灯亮,说明 开关电源已经启动,亮后熄灭,很可能是保护电路启动。测量开关电源输出端,有电压输出,然后降低到0V。
    考虑到V801击穿,很可能将其S极电阻烧焦变大,检查发现V801的源极电阻R822阻值变大,由正常时的0. 82Ω增大到10Ω以上,且不稳定,致使正常的电流在R822上的电压降增大,保护电路误启动。更换R822后,故障彻底排除。
  
 
  三、高压板电路工作原理
    1、高压板基本电路
    高压板电路的振荡和控制电路N806采用KA7500C,互补全桥电路双MOSFET(开关管)N804、N805采用A04616,与升压变压器T802配合,输出750V交流高压,经连接器XP803、XP807为背光灯管供电。
    (一)KA7500 C简介
    KA7500C是专用的液晶产品背光控制检测电路,其内部电路框图如图5-4所示,内部设有振荡电路、比较器、误差放大器、脉冲翻转电路、参考电压、输出 驱动电路等,其引脚功能和对地电压见表5-2。为了保证不同行频时输出的交流电压稳定,KA7500C外部设有电压、电流检测稳定电路。
 
  
 
  
 
      (二)启动工作过程
    主板控制系统输出的高压板ON/OFF点灯控制电压为高电平,经XP805的4脚送入电源板;背光灯DIM亮度调整电压通过连接器XP805的3脚送入电源板;电源电路的12V/1. 6A电压直接送到互补全桥电路双开关管N804, N805的3脚。
    开机后主电路板送来的ON/OFF点灯控制电压经VD813、R831送到点灯控制电路V803的基极,使V803和PNP晶体管V804导通,将电源部 分输出的+12V/1. 6A电压送到高压板电路N806的12脚,N806振荡电路启动,产生脉冲信号,经内部电路处理后,从8、9脚和10、11脚输出两路PWM脉冲信号,送 到全桥驱动升压电路。
    (三)全桥驱动升压电路
    全桥驱动升压电路由N804, N805和升压变压器T802等组成。N804、N805内含两个开关管,NE.04和N805组成桥式推挽输出电路。
    N806的8脚输出的PWM脉冲经V818、V819放大后,送到N804的驱动双开关管的G1、G2极,10脚输出的PWM脉冲经V807、V808放大后,送到N805的驱动双开关管的G1、G2极。
    在驱动脉冲的激励下,N804、N805内部的开关管交替工作,在升压变压器T802产生感应电压,其二次侧的两个高压绕组产生的750V交流高压,经连接器XP803、XP807送到两只背光灯管,将背光灯管点亮。
  2、调整与保护电路
    (一)亮度调整
    N806的1脚为误差放大器1的正输入端,外接亮度调整电路,背光灯DIM亮度调整电压通过连接器XP805的3脚送入电源板,经R852送到N806的 1脚,控制输出激励脉冲的占空比,控制背光灯管亮度。N806的5脚外接定时电容,决定芯片的工作频率。5脚不但外接固定电容C830,还设有C831、 V805等组成的频率自动调整电路。
    高压输出连接器XP803、XP807的2脚为CCFL的电流回路。XP803的2脚产生的电压经VD829、VD830整流,XP807的2脚产生的电 压经VD827、VD828整流,两路整流后的检测电压分为两路:一路送到N806的1脚,控制输出激励脉冲的占空比,从而控制背光灯管的亮度;另一路送 到5脚外部的V805的基极,控制N806的5脚外接定时电容C831的介入,对芯片的工作频率进行自动调整,达到自动调整亮度的目的。
    (二)保护电路
    N806的16脚为误差放大器2的正输入端,外接以V820为核心的保护检测电路,对高压输出连接器XP803、XP807的2脚CCFL电流回路电压进行检测。
    XP803的2脚产生的电压经VD825整流产生检测电压,XP807的2脚产生的电压经VD821整流产生检测电压,两路整流后的检测电压送到V820 的基极,经V820放大后对N806的16脚进行控制。当输出电压和背光灯管电流正常时,V820输出电压较低;当连接器XP803、XP807的背光灯 管发生故障、造成电流异常时,V820输出电压升高;当N806的16脚电压高于15脚时,内部停止输出激励脉冲。
  
 
  四、高压板电路检修思路
   1、背光灯始终不亮
    (一)测量高压板工作条件
    首先测量电源板与主电路板之间的连接器XP805的4脚ON/OFF点灯控制电压和3脚DIM亮度调整电压是否正常。如果不正常,故障在主控板电路;如果正常,故障在高压板电路。
    (二)检测高压电路
    测量背光灯控制电路N806的8、10脚是否有激励脉冲输出,如果无脉冲输出,故障在背光灯控制N806电路,重点检查N806及其外部电路,测量 N806的各脚电压,判断故障所在,外围元器件正常时更换N806;如果有脉冲输出,重点检查激励电路V807、V808、V818、V819和易发生故 障的高压形成电路N804、N805、T802。如果N804、N805损坏,务必用万用表检测晶体管V807、V808、V818、V819是否连带损 坏,避免更换N804、N805后再次损坏。

    2、背光灯亮后熄灭
    如果背光灯亮一下然后熄灭,则是高压板保护电路启动。引发保护电路启动的原因有两个:一是灯管开路、高压插座不良或输出高压线没有插好;二是开关变压器T802二次绕组发生短路、接触不良。
    如果测量N806的16脚21N+电压大于3V,检查以V820为核心的保护电路,检查二极管VD814是否短路等;如果N806的4脚DTC CON电压大于3V,则检查电阻R835、R836是否焊接不良。
    例5-2:开机后有伴音,屏幕亮一下即灭。
    分析与检修:开机后指示灯亮,几秒钟后伴音出现,屏幕上刚显示出图像,马上熄灭,判断高压板电路的保护电路动作。
    对高压板电路的供电、控制电压进行检查,均正常。开机的瞬间,用数字表交流电压档,黑表笔接地,红表笔搭接XP803、XP807高压输出连接器的插头外皮,利用电磁感应测 量交流输出电压,测得开机后的几秒钟内有150V左右的交流感应电压输出,当灯管刚亮时,马上消失。将两个连接器的检测电压进行比较,发现XP803的感 应交流电压偏高,此时测量KA75000的16脚电压大于3V,判断是XP803连接器相关的灯管或高压升压电路发生故障。试更换与XP803相连接的灯 管后,故障机修到这里,终于修好值得探讨。。

路过

雷人

握手

鲜花

鸡蛋

最新评论

  • 海信LED43H2600开机画面视频正常,系统启动
  • H【海信】TLM32V68C亮度不均匀的维修
  • 维修一例H【海信】 HDP29S696 黑屏有字符
  • H【海信】TLM4777的电源板子不开机的维修
  • H【海信】LED32K01 开机不了 显示灯亮按
  • 王牌L32M16 和H【海信】TLM32E29 一样维修
  • H【海信】液晶TLM46V86P黑屏维修故障检修
  • H【海信】TLM3237D系列液晶电视机开关电源
  • H【海信】TLM3237D系列液晶电视机开关电源
  • H【海信】TLM3237D系列液晶电视机开关电源

QQ|Archiver|手机版|家电维修论坛 ( 蜀ICP备19011473号-4 川公网安备51102502000164号 )

GMT+8, 2025-12-10 16:33 , Processed in 0.192626 second(s), 21 queries .

Powered by Discuz! X3.5

© 2001-2025 Discuz! Team.

返回顶部