找回密码
 请使用中文注册

康佳LED42F1300NF液晶电视无背光怎么修理

2023-5-6 10:02| 发布者: 开心| 查看: 14| 评论: 0

阅读字号:

摘要:   收到同行送来的故障机壹台康佳LED42F1300NF开机指示灯亮,液晶电视无背光,仔细看可看到有画面,证明显示正常,背光驱动坏,或者LED灯坏,接下来跟随小编一起来看看维修师傅修复过程 ...
      收到同行送来的故障机壹台康佳LED42F1300NF开机指示灯亮,液晶电视无背光,仔细看可看到有画面,证明显示正常,背光驱动坏,或者LED灯坏,接下来跟随小编一起来看看维修师傅修复过程吧。
康佳LED42F1300NF液晶电视无背光怎么修理 图1
  由于平时都是修电脑多一些,这种液晶电视几乎没怎么修过,只好硬着头皮拆开试试看了,一回生二回熟嘛。
康佳LED42F1300NF液晶电视无背光怎么修理 图2
  拆开了,有点陌生啊,一头雾水,慢慢查看板上,无明显烧坏的元件,只有这处被人修过了。
康佳LED42F1300NF液晶电视无背光怎么修理 图3
  可以看到R742  R743被人动过了,经查此脚连接OCP8122A的15脚,好像属于一个保护脚,一般碰到这种无背光的,有不少朋友都喜欢直接将15脚和19脚去保护,我不太喜欢这种方式,本人愚见,总感觉这样不太稳定,因为肯定是电路有故障才会起保护的,强制去保护,只是应急之措吧。
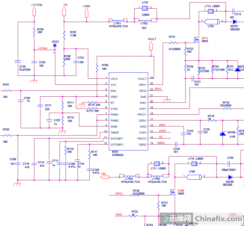
  上论坛找了下此机型,正好有此图纸,查了一下背光驱动芯片OCP8122A。
康佳LED42F1300NF液晶电视无背光怎么修理 图4
  图纸显示的型号是OZ9902A ,这两芯片应该是可以互换的吧,查了1脚,1.2V电压,2脚11V好像1脚电压不大对,由于修这方面的经验几乎没有,只好度娘参考了一下。
  经找到相关资料说明,1脚是100V的一个电压检测脚,电压应在3V以上,断电查得1脚所连电阻R707为3.6M,而且数字还在增加。估计此电阻阻值变大导致。
康佳LED42F1300NF液晶电视无背光怎么修理 图5
  R707在板的背面。

康佳LED42F1300NF液晶电视无背光怎么修理 图6
  由于找不到3.3M的电阻,只好找了一个1.5M的电阻换上试一试。
康佳LED42F1300NF液晶电视无背光怎么修理 图7
  这个是坏的3.3M,通电再测试1脚,有5V的电压了,朋友们注意看一下此脚的地是热地,不是冷地哦,地找不准你是测不出电压的哦。
  既然电压貌似正常,那就插上线测试下是否正常吧。
康佳LED42F1300NF液晶电视无背光怎么修理 图8
  期待的画面出现,至此,康佳LED42F1300NF液晶电视无背光故障解决。
康佳LED42F1300NF液晶电视无背光怎么修理 图9
  一点点小经验,希望有时候能给大家带来帮助和启发吧。
康佳LED42F1300NF液晶电视无背光怎么修理 图10

路过

雷人

握手

鲜花

鸡蛋

最新评论

QQ|Archiver|手机版|家电维修论坛 ( 蜀ICP备19011473号-4 川公网安备51102502000164号 )

GMT+8, 2026-1-17 08:32 , Processed in 0.153005 second(s), 17 queries .

Powered by Discuz! X3.5

© 2001-2025 Discuz! Team.

返回顶部