找回密码
 请使用中文注册

手机读取不到sim卡如何维修?6s手机不读卡的原因分析

2023-5-6 07:24| 发布者: 开心| 查看: 16| 评论: 0

阅读字号:

摘要:   手机读取不到sim卡如何维修?都以为是小问题引起,比如SIM卡座坏、SIM卡电路问题、可是6s手机此类电路引起不读卡,你遇到过吗?又修复好了没?今天就给大家介绍这个6s ...
      手机读取不到sim卡如何维修?都以为是小问题引起,比如SIM卡座坏、SIM卡电路问题、可是6s手机此类电路引起不读卡,你遇到过吗?又修复好了没?今天就给大家介绍这个6s 不读卡问题修复案例!
  看板一眼就可以知道,这是个断头板,很显著的,GPS前端U5411_RF 部位已被折断,整个GPS模块和地板都没有了。

手机读取不到sim卡如何维修? 图1


手机读取不到sim卡如何维修? 图2  Phone6S/6SP跟iPhone6/6P不一样,GPS前端有问题,是会造成不认卡的。这种连GPS部位都已经被折断了的主板怎么修呢?


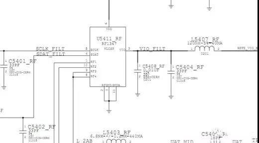
手机读取不到sim卡如何维修? 图3  那么,6SGPS前端U5411_RF影响认卡的原因有哪些呢?经分析发现,有5跳线:VIO_FILT/SDAT_FILT/SCKL_FILT/PAC2-VDD _3V0_FILTER/GND。
找到问题,直接开干。
  1.找一个可以放GPS模块的地方,


手机读取不到sim卡如何维修? 图4  2.固化
  3.飞线
  4.飞好上底壳测机
  5.排除了问题,做维修实修手记,并录入维修狮资料库!


手机读取不到sim卡如何维修? 图5  通过这个维修示范,估计以后6s手机不读卡,可以轻松的搞定咯,原来gps会引起哦!

路过

雷人

握手

鲜花

鸡蛋

最新评论

QQ|Archiver|手机版|家电维修论坛 ( 蜀ICP备19011473号-4 川公网安备51102502000164号 )

GMT+8, 2025-11-24 18:35 , Processed in 0.190849 second(s), 17 queries .

Powered by Discuz! X3.5

© 2001-2025 Discuz! Team.

返回顶部