找回密码
 请使用中文注册

MODEL-ER-2537有源音箱右声道的检修思路

2023-5-5 11:47| 发布者: 开心| 查看: 47| 评论: 0

阅读字号:

摘要: 据用户讲述,一次开机时红色指示灯闪了一下,能播放音乐,但音箱R(右)声道没有声音。笔者看到该型音箱说明书上介绍道该型有源音箱是典型的2.1声道、配有U盘/SD卡播放功能,支持MP3音频格式,工作电源电 ...
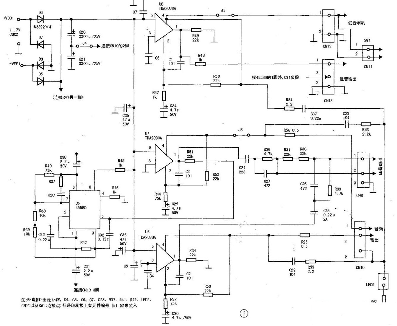
    据用户讲述,一次开机时红色指示灯闪了一下,能播放音乐,但音箱R(右)声道没有声音。笔者看到该型音箱说明书上介绍道该型有源音箱是典型的2.1声道、配有U盘/SD卡播放功能,支持MP3音频格式,工作电源电压为220V/50Hz/260mA,喇叭单元:3英寸/4Ω、5.25英寸/4Ω。因该音箱未配有电路原理图,笔者依电路板实物绘画了功放板电路图见图1、图2、图3为功放板实物图(见下页)。JRC4558D低噪音双运放集成块各脚功能和管脚序号见表1,TDA2030A音频功放电路各脚功能和管脚序号见表2。
  
 
  
 
         首先把DVD机与音箱输入和输出端连接好,开通DVD机并播放音乐,开通音箱电源开关,能听见音箱发出声音,但右声道没有声音,断电。把左、右两个声道对调,试机,结果还是右声道没有声音。断开右声道,单独听左声道,正常;断开左声道,单听右声道,没有声音,说明左、右两个声道音箱喇叭是好的,问题出在右声道电路上。
  
 
         断电,拆开音箱后盖,目测电路板比较新,未发现有异味以及电路元件损坏、电容顶包漏液等情况。重点检查右声通电路电子元件,经测量检查发现功放管U8的④、⑤脚对比功放管U7、16的④、⑤脚的阻值有变小的现象。拆下U8测量,阻值确实变小,怀疑U8损坏。将U8代换上同型号(TDA2030A )后试机,故障不变,说明不止U8功放管损坏还有其他故障。U5是有源音箱常用的双运放集成电路,在路测量U5未发现异常,试用同型号代换U5( 4558D )后试机,此时右声道已有声,说明故障是U5( 4558D )双运放引起的。可是声音是有了,但右声道的声音太小。经用放大镜检查,发现在功放管U6外围的C2、C30、R53、R32、R34、C25、C26七只元件都不同程度有虚焊的现象,补焊后试机,左、右声道都能正常发出声音,调试音量大小正常,至此维修结束。
  
 
  
 
         维修总结:1、有源音箱不像家庭影院音响电路那样设有单独的左、右声道功放电路,因为有源音箱绝大多数都是通过一只或几只功放管来实现左、右声道同步功率放大,再通过喇叭发声。当出现左声道或右声道没有声音故障时,可先检查功放管是否有损坏或阻值变小,甚至短路的现象,如故障还未能排除,再通过检查双运放集成块或代换双运放,故障能解决的。值得提醒的是用放大镜去检查电路焊接的情况,有很多疑难故障是通过补焊得到解决的。2、笔者收到故障机这台音箱双运放的型号是4558D。4558D是低噪音双运放集成块中最普通的型号,在市场上售价几元一只,如遇到4558D损坏可直接用同型号代换,条件允许的话可用NE5532、AD827(AD827是美国公司生产的双运放,音质好,正品在市场上售价为50元一只)代换。

路过

雷人

握手

鲜花

鸡蛋

最新评论

QQ|Archiver|手机版|家电维修论坛 ( 蜀ICP备19011473号-4 川公网安备51102502000164号 )

GMT+8, 2025-11-21 12:25 , Processed in 0.178429 second(s), 17 queries .

Powered by Discuz! X3.5

© 2001-2025 Discuz! Team.

返回顶部