找回密码
 请使用中文注册

DELL戴尔AX210电脑音箱无声音的检修思路

2023-5-5 11:47| 发布者: 开心| 查看: 45| 评论: 0

阅读字号:

摘要: 该音箱是一款与电脑配套使用的小型便携式有源音箱,箱内未设电源,使用时需要将附带的USB线插头与电脑USB端口连接,由电脑输出的DC5V直流电压为音箱供电。由实物测绘的电路如图1所示。 IC1、IC2 ...
    该音箱是一款与电脑配套使用的小型便携式有源音箱,箱内未设电源,使用时需要将附带的USB线插头与电脑USB端口连接,由电脑输出的DC5V直流电压为音箱供电。由实物测绘的电路如图1所示。
  

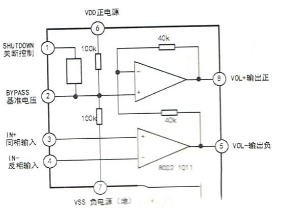
        IC1、IC2是两只型号为“8002 1011"的贴片式音频功放集成电路,采用soP-8双列扁平封装,其内部结构框图如图2所示。
  

        它属桥接BTL式功放电路,省却了自举、缓冲、消振等外围元件,还能在5V低电压条件下获得较大功率输出。当负载为4Ω时输出功率为Pp=2.5W;8Ω时PD=1.5W。其第一个放大器增益可由外部元件设定,第二个放大器增益是固定的,两个放大器输出的信号数量相同,但相位相反,两个信号相加输出,因而增大了信号输出功率。IC工作电压为DC2.0V~5.5V ,对应的静态电流为6.5mA~12mA。由于该芯片具有以上优点,目前已被广泛运用于手提、台式电脑、MINI音响、学习机、游戏机等数码产品中。     双声道音源信号经直径3.5mm插头XS输入,再由双联电位器RP1-1、RP1-2进行音量调节,分别经C1、R3和C2.R4送到IC1和IC2④脚,经内部放大、处理后由⑧、⑤脚同时驱动R.L两路扬声器SP1和SP2发声。音量电位器上带有一个联动电源开关SRP,它串接在USB-IN的5V电压(VDD)输入电路,可以实现电源开、关控制。

路过

雷人

握手

鲜花

鸡蛋

最新评论

QQ|Archiver|手机版|家电维修论坛 ( 蜀ICP备19011473号-4 川公网安备51102502000164号 )

GMT+8, 2025-11-21 10:30 , Processed in 0.177490 second(s), 16 queries .

Powered by Discuz! X3.5

© 2001-2025 Discuz! Team.

返回顶部