找回密码
 请使用中文注册

谈一谈不同类型三极管的复合应用

2023-5-5 11:46| 发布者: 开心| 查看: 38| 评论: 0

阅读字号:

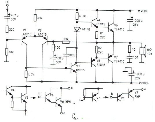
摘要: 在功放电路中,为了提高电路的放大倍数,常用两只三极管通过一定的连接方式组成一只复合管,亦称达林顿管。在图1所示功放电路中,V4和V6复合成NPN型管。V4导通后,其集电极电流在2200负载电阻R1上产生 ...
    在功放电路中,为了提高电路的放大倍数,常用两只三极管通过一定的连接方式组成一只复合管,亦称达林顿管。在图1所示功放电路中,V4和V6复合成NPN型管。V4导通后,其集电极电流在2200负载电阻R1上产生的压降作为V6的b-e结偏压,v4导通加深,则V6的导通也同步加深。由于v4为NPN型管,因此复合管的类型为NPN。同时,V5和V7也复合成PNP型管,V5导通后,其发射极电流在R2(220)上产生的压降作为V7的b-e结偏压,V5导通加深,则V7的导通也会同步加深。
  

  

         由于V5是PNP型管,因此复合管的类型为PNP型。在图2所示的功放电路中,V4和V6复合成NPN型管,V5和V7复合成PNP型管,对比图1、图2可知,V4、V5的集电极或发射极外接2202电阻的方式不同,则功率管V6.V7的极性也就不同知道这一特点后,就可灵活地配用复合管中的后级功率管。若图1中的V6或V7损坏,在没有TIP42C这种PNP型功率管的情况下,能否换用图2中的NPN型功率管TIPAIC呢?答案是肯定的,但需对电路进行改动。如需代换V6,则先拆除R1,把R1焊盘短接,然后将V4发射极焊盘与输出中点的铜箔切断,把R1跨接在此切断处,最后换上TIP41C,将新管的基极接V4发射极,新管的集电极接vCC+端,新管的发射极接输出中心,如图3所示。
  

        编后语:复合管的连接原则有以下两条:一是在正确的外加电压下,每只三极管的各电极电流均有合适的通路,且均工作在放大区;二是前一只三极管的集电极或发射极电流为后一只三极管的基极电流。复合管的类型与前一只管相同,复合管的放大倍数约为两只管放大倍数的乘积。

路过

雷人

握手

鲜花

鸡蛋

最新评论

QQ|Archiver|手机版|家电维修论坛 ( 蜀ICP备19011473号-4 川公网安备51102502000164号 )

GMT+8, 2025-11-21 10:36 , Processed in 0.179810 second(s), 17 queries .

Powered by Discuz! X3.5

© 2001-2025 Discuz! Team.

返回顶部