找回密码
 请使用中文注册

用TIP41C/TIP42C代换2N5551/2N5401修复车载低音炮无声故障

2023-5-5 11:45| 发布者: 开心| 查看: 35| 评论: 0

阅读字号:

摘要: 收到其他维修同行的一台车载低音炮,故障表现为无声,在路检测,发现升压管IRFZ44N,一只功放管C5198及两只推动管2N5551均已击穿,两只220Ω电阻烧黑。更换上述损坏元件后故障机修到这里,终于修好值得探讨。,但三天后故障重现。为排除故障,实绘相 ...
    收到其他维修同行的一台车载低音炮,故障表现为无声,在路检测,发现升压管IRFZ44N,一只功放管C5198及两只推动管2N5551均已击穿,两只220Ω电阻烧黑。更换上述损坏元件后故障机修到这里,终于修好值得探讨。,但三天后故障重现。为排除故障,实绘相关电路如图1所示。
  

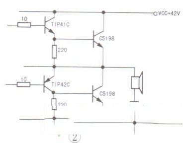
        在路检测,发现V4、V6击穿,R1、R2断路。分析认为,该机V4、V5采用双管并联方式,其目的是提高输出电流能力。屡烧V4的原因可能是原用的2N5551、2N5401组合的极限电流偏小。试用中功率三极管TIP41C代替并联的2N5551,用TIP42C代替并联的2N5401 ,如图2所示。长时间试机,故障不再出现。
  

路过

雷人

握手

鲜花

鸡蛋

最新评论

QQ|Archiver|手机版|家电维修论坛 ( 蜀ICP备19011473号-4 川公网安备51102502000164号 )

GMT+8, 2025-11-21 12:26 , Processed in 0.598710 second(s), 17 queries .

Powered by Discuz! X3.5

© 2001-2025 Discuz! Team.

返回顶部