找回密码
 请使用中文注册

奇声MAV-2322回音壁音箱的电路原理与检修思路

2023-5-5 11:45| 发布者: 开心| 查看: 31| 评论: 0

阅读字号:

摘要: 奇声MAV-2322回音壁音箱具有蓝牙和外接音频输入功能,采用触摸按键和遥控两种控制方式。低音炮与主机采用无线方式连接,其主机实绘电路如图1所示。该机主控芯片型号是AX2220,烧录固化程序后丝印为B6T ...
    奇声MAV-2322回音壁音箱具有蓝牙和外接音频输入功能,采用触摸按键和遥控两种控制方式。低音炮与主机采用无线方式连接,其主机实绘电路如图1所示。该机主控芯片型号是AX2220,烧录固化程序后丝印为B6THK05085.1。遥控接收信号送到主芯片22脚,触摸按键芯片CHMC- S04输出的按键信号送到芯片图39~42脚,面板LED显示驱动芯片LN1650与主芯片29、30脚通讯,用户存储器24C04与主芯片17、19脚通讯,蓝牙(BT)模块CW6638M与主芯片18、23、24脚数据进行交换。
  
 
          音频输入(AUX )信号送到主芯片15、16脚,先经芯片内部电路控制(蓝牙和音频输入的切换,音调、音量控制),再经D/A转换后,从9、11脚输出音频信号,经过由4558组成的有源低通滤波电路滤除音频信号以外的数字噪音,一路信号输入D类功放PAM8006放大后,以驱动扬声器发声;另一路信号送给无线音频发射模块GWK5A3T,将音频信号发射给无线低音炮。主芯片48脚输出静噪信号,送给GWK5A3T和PAM8006,高电平时静噪。37脚输出控制信号,控制GWK5A3T的5V供电,高电平时模块得到5V供电。
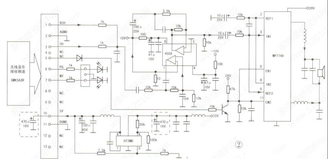
          低音炮实绘电路如图2所示。无线音频接收模块GWK5A3R接收来自主机的数字音频信号,解码后的音频信号从插座①、③脚输出,由4558组成的有源低通滤波电路滤除中高频信号,输出重低音信号送给D类功放MP7748③、⑨脚,经MP7748放大后驱动低音扬声器发声。当主机发射无线音频信号时,插座⑥脚输出高电平,蓝色LED点亮;插座⑤脚输出低电平,使得与该脚相连的三极管的b极低电平,三极管截止,MP7748使能端⑥、②脚为高电平,功放电路正常工作。在
         主机关机没有发射无线音频信号时,插座⑦脚输出高电平,红色LED点亮;插座⑤脚输出高电平,使得与该脚相连的三极管导通,MP7748 使能端⑥脚和②脚为低电平,功放电路停止工作。
  故障表现为1:无线低音炮偶尔无声。
  故障原因分析:改用同型号其他低音炮试验,声音正常,说明主机电路发射接收信号正常,问题在低音炮电路中。上电,测得功放芯片MP7748的使能端⑥、12脚为低电平,说明芯片未启动。为了测量与MP7748使能端⑥脚和12脚相连的三极管和各极电压,只能清除该三极管上的固定胶。除胶后再测试时,低音炮发声正常,故障机修到这里,终于修好值得探讨。。看来应是固定胶受潮漏电,造成MP7748⑥脚和12脚为低电平,从而出现无声故障。
  故障表现为2:低音炮经常检测不到主机发出的无线音频信号, 红色LED灯点亮。
  故障原因分析:拆机检查,发现无线音频接收模块的5V供电来自DC/DC芯片(丝印:HT3MB),其输入端⑤脚外接滤波电容是一只瓷片贴片电容,输出端⑥脚外接滤波电容的容量也只有100uF,且离开芯片较远。
        于是在该芯片⑤脚外接一只470uF高频电解电容,在无线音频接收模块的线路板5V供电端上也再接一只470uF高频电解电容(如图2中虚线框所示)。开机试验,故障机修到这里,终于修好值得探讨。。
  
 
  故障表现为3:蓝牙突然失效。
  故障原因分析:通电测试机子,主机屏显“配对失败”。正常时,主机屏显:已配对的设备QS-2322已连接。测量主芯片B6THK05085.1、用户存储24C04及蓝牙(BT)模块的cW6638M的供电,均正常。接下来检查显示板与主板之间的插座,发现插座10脚和11脚之间的阻值偏小,只有200Ω。顺着线路检查,发现主芯片41、42脚被一粒锡珠短接。 移走锡珠后开机,蓝牙功能正常。但屏显的配对的设备为CW6638M已连接,即显示的名称是蓝牙模块名称,而不是回音壁音响名称,这可能是系统复位所致。因不影响使用,故维修到此结束。

路过

雷人

握手

鲜花

鸡蛋

最新评论

QQ|Archiver|手机版|家电维修论坛 ( 蜀ICP备19011473号-4 川公网安备51102502000164号 )

GMT+8, 2025-11-21 12:27 , Processed in 0.176152 second(s), 17 queries .

Powered by Discuz! X3.5

© 2001-2025 Discuz! Team.

返回顶部