找回密码
 请使用中文注册

采用并管法检修功放声音失真的检修思路2例

2023-5-5 11:45| 发布者: 开心| 查看: 29| 评论: 0

阅读字号:

摘要: 例1:收到其他维修同行的一台音之佳有源音箱,在大音量时声音失真。故障原因分析:试机发现该机在小音量或中等音量时音质很好,增大音量后音质变差。以为扬声器有问题,但换新后故障依旧,这说明故障在功放电路中,如图1所示。 ...
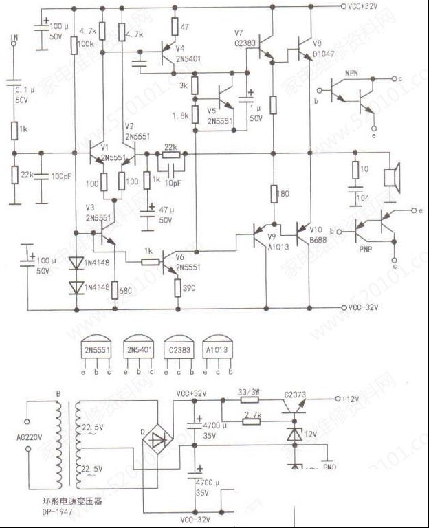
    例1:收到其他维修同行的一台音之佳有源音箱,在大音量时声音失真。故障原因分析:试机发现该机在小音量或中等音量时音质很好,增大音量后音质变差。以为扬声器有问题,但换新后故障依旧,这说明故障在功放电路中,如图1所示。
  

        此功放电路为经典OCL电路,为判断故障原因,从VI基极引出信号送给TDA2003小功放,调大音量,音质一直很好,这说明故障点在功率放大电路中。结合故障表现为分析,功率放大电路直流工作点正常,问题应出在交流通道中,决定用并管法进行判定。当用一只C4466型三极管并在V7的三个电极上时,音质变好,这说明V7性能不良,代换V7后故障机修到这里,终于修好值得探讨。。
  例2:收到其他维修同行的一台太阳升F680有源音箱,音量很小时音质基本正常,调大音量后音质变差。故障原因分析:该机功放电路采用经典OCL形式,如图2所示。
  

        有了例1检修经验,直接采用并管法判断故障点。当用一只C2383三极管并到v7三个电极上时,音质变好,这说明V7有问题。拆下V7测量,b-e结正向阻值13k,反向阻值为25k;b-c结正向阻值为6k,反向阻值为无穷大,由此可见v7的b-e结已损坏。更换V7后试机,故障机修到这里,终于修好值得探讨。。

路过

雷人

握手

鲜花

鸡蛋

最新评论

QQ|Archiver|手机版|家电维修论坛 ( 蜀ICP备19011473号-4 川公网安备51102502000164号 )

GMT+8, 2025-11-21 12:29 , Processed in 0.178728 second(s), 17 queries .

Powered by Discuz! X3.5

© 2001-2025 Discuz! Team.

返回顶部