找回密码
 请使用中文注册

阿尔派MRD M301车载功放电流保护的检修思路

2023-5-5 11:43| 发布者: 开心| 查看: 46| 评论: 0

阅读字号:

摘要: 收到同行送来的故障机壹台ALPINE MRD-M301功放,这是收到其他维修同行的一台带DSP音频处理器的低频专用车载功放,该功放后级的数字信号处理及驱动IC是TDA7571,厂家称作数码功放。其电压保护,过流和温度保护,功能选择均由CPU控制。整个功 ...
    收到同行送来的故障机壹台ALPINE MRD-M301功放,这是收到其他维修同行的一台带DSP音频处理器的低频专用车载功放,该功放后级的数字信号处理及驱动IC是TDA7571,厂家称作数码功放。其电压保护,过流和温度保护,功能选择均由CPU控制。整个功放电路架构有别于传统AB类纯摸拟功放。整机没有一个可调电阻。该机做功很好,使用了一些音响爱好者说的“补品电容”,实听音质也确实不错,应该是当年的中高端产品。
      接好12V电源开机,功放能开机,瞬间有正常的声音输出,半秒钟后VFD显示屏显示电流保护,声音输出关断。各功能键均可正常操作,整机无明显发热,12V供电电流也不大。测功放的前,后级电压正常。测功率管也没有损坏。刚开机时能听到短暂声音输出,音频通道问题应该不大,猜想出问题的地方应该是保护电路,但是仍补焊了一下四个功放管,故障依旧。因为是第一次修这种功放,于是有去看了几遍电路图,最近精神不佳,每次都看不了3分钟就头昏,也间接导致了这次维修走了点小弯路。
     在电路原理没有完全吃透之情况下,更换了过流保护IC,NJM2903,再开机故障还是跟之前一样。看电路框架流程图,12伏电源处有输入过流保护回路。是不是功放后级有故障,开机后12伏电源过流触发了此电路动作?我又焊下了功放电源整流二极管,再开机,还是一样显示过流保护。至此,已暂时无计可施。先放下一两天,把自己的正事做了。
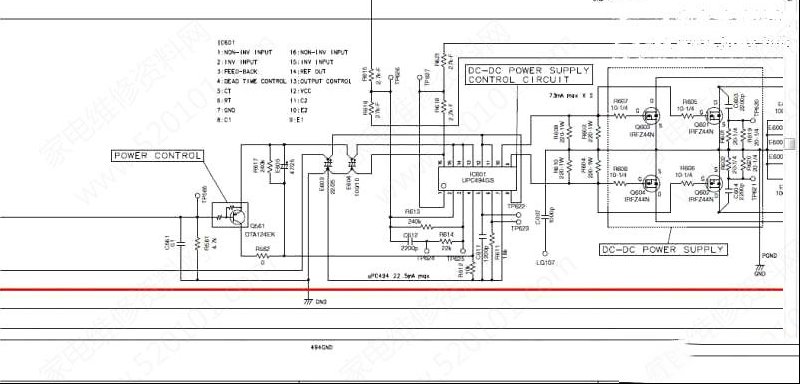
       过了两天,再次头昏昏的看MRD-M301电路图发现,后级供电电路有两个三极管是做电源短路保护的,输出的信号一并引入到过流保护信号上面,通知CPU过流,关断功放输出。用功放电源短路(没有电压或电压很低),来判断功放过流,这逻辑没有问题。好吧,我找来收到其他维修同行的一台双路直流可调电源直接给后级(正负25伏),再接好功放12伏电源开机,功放不显示过流。信号发生器接上,示波器测量喇叭输出信号,波形良好,幅度足够,12伏和正负25伏电源电流都不大。上个低音炮试听,声音还是有点小振撼的。到这里,功放可以说是大至正常,出问题的是后级电源供电不正常,导致功放误报过流,我关闭了给后级供电的电源,功放再次显示过流保护,反复试了几次都是这样,证实我的判断是准确的。可是,我测量后级电源也是有正负25伏的电压,为什么就不正常呢。
      问题就在这里,先复原拆下来的整流管,接好12伏电源,接好万用表,开机监测后级电压,开机那一下,电压有25伏,接着电压不断下跌到只有几伏,功放显示过流。示波器测量494电源IC开机瞬间有正常的输出波形,一下子又没有了,过一秒钟又再出现正常的输出方波,这时候再去测量后级电压又是正常的。我这才弄清楚是开机后升压电路短暂有输出,然后关断,一秒钟后再次恢复输出,过流保护电路检测到瞬间电压过低,引发了保护。CPU是从12伏电源经稳压后供电的,不受升压电路影响。

        接下来就是查找是哪种故障影响了升压电路开机电压中断。这台也是别人修过的二修机,观察电路板发现前任维修员把Q561换成型号已看不见的不知名PNP三极管。看电路图可知这是内置电阻的晶体管,用普通三极管代换是不能正常工作的。在某宝商城买了同型号管换上。故障机修到这里,终于修好值得探讨。。
  

  

  

  

路过

雷人

握手

鲜花

鸡蛋

最新评论

QQ|Archiver|手机版|家电维修论坛 ( 蜀ICP备19011473号-4 川公网安备51102502000164号 )

GMT+8, 2025-11-21 12:31 , Processed in 0.171836 second(s), 17 queries .

Powered by Discuz! X3.5

© 2001-2025 Discuz! Team.

返回顶部