找回密码
 请使用中文注册

音频功率放大器μPC1316C

2023-5-5 11:43| 发布者: 开心| 查看: 29| 评论: 0

阅读字号:

摘要: 概述:μPC1316C是一款2W音频功率放大器,工作电压范围3-13V,典型工作电压9V,最大工作电压18V。 一、μPC1316C引脚功能 二、μPC1316C内部方框图 三、μPC1316C典型应用电路 ...
    概述:μPC1316C是一款2W音频功率放大器,工作电压范围3-13V,典型工作电压9V,最大工作电压18V。
  

  一、μPC1316C引脚功能
  
 
  

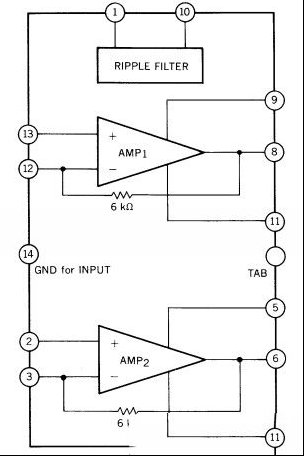
  二、μPC1316C内部方框图
  
 
  

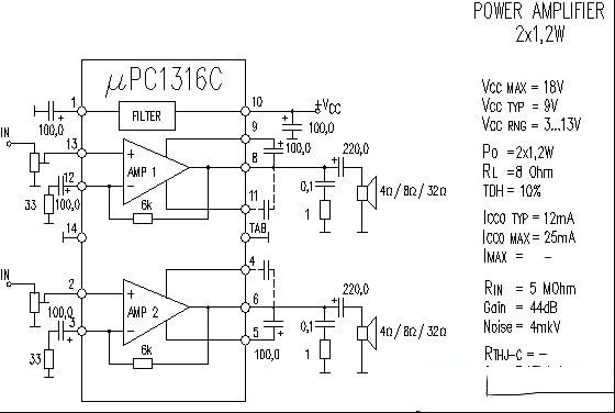
  三、μPC1316C典型应用电路
  

路过

雷人

握手

鲜花

鸡蛋

最新评论

QQ|Archiver|手机版|家电维修论坛 ( 蜀ICP备19011473号-4 川公网安备51102502000164号 )

GMT+8, 2025-11-21 11:45 , Processed in 0.179793 second(s), 16 queries .

Powered by Discuz! X3.5

© 2001-2025 Discuz! Team.

返回顶部