找回密码
 请使用中文注册

适合胆机的小功率音箱制作

2023-5-5 11:42| 发布者: 开心| 查看: 27| 评论: 0

阅读字号:

摘要: 近年来在数字音源的感召下,古老的电子管功放又焕发出了青春。电子管放大器谐波丰富、声音醇厚、优美动听,但其也存在着以下一些不尽如人意的地方。例如,它的输出功率不容易做大,特别是那些流行的小功率 ...
    近年来在数字音源的感召下,古老的电子管功放又焕发出了青春。电子管放大器谐波丰富、声音醇厚、优美动听,但其也存在着以下一些不尽如人意的地方。例如,它的输出功率不容易做大,特别是那些流行的小功率管或被广为推崇的各类低效率Hi-Fi电路装配的发烧功放胆机的有效频率响应很难做得宽润与平滑,尤其是高频响应不易做好,一般能做到40Hz~16kHZ已经是相当发烧了。电子管功放的输出阻抗RZ比较高,它对扬声器的阻尼因素FD要比晶体管功放的低1~2个数量级。功放的FD反映了它对扬声器振膜的控制能力,FD大则声音清晰、层次分明;FD小则声音模糊、缺乏层次。电子管放大器对电信号的应变能力也较差,即它的转换速度不够敏捷。信号转换速度高的功放瞬态、动态响应较好,声音清晰、亮丽、有力度;速度低的则明显呈现出软、甜、柔的电子管音色。

一、胆机及其音箱的特性
      许多胆迷曾多次被音响展示会或精品店中胆机的风采所倾倒,但当他们聆听自制或所购买的品牌胆机时却总也找不回那份韵味与气势。对此,一些朋友已明智地意识到问题可能出在音箱上。的确如此,就胆机远离Hi-Fi的一些音色个性和弱点来说,除了要从电路技术上下功夫来提高其保真度外,千万不要忽视了与它息息相关的放音系统,音箱对提高胆机音质和电声效率也有着非同凡响的作用。胆机虽好但也要靠靓声音箱相助,这点已渐渐成为了共识。因此,如何正确地为胆机选择扬声器、配置音箱以及充分利用放音系统的特性来校正、弥补胆机的一些缺陷显得尤为重要。对于动手派发烧友来说,最关心的问题是怎样制作出一款适应胆机特性的高效率Hi-Fi音箱。下面我们就来谈谈这方面的问题。
1、提高胆机放声效率
      通常,在面积不太大的居室、客厅中原汁原味地聆听音乐的响度大约为92~94dB,这与原始音源节目制作时的音量基本吻合。而营造AV音响效果的响度至少为96~105dB,这对于那些能轻而易举地做到百瓦级以上的晶体管功放来说,即使配套的音箱灵敏度较低也没有什么问题。不过,一般家用型胆机的情况就不那么乐观了,特别是那些输出为3~15W 的单端A类或威廉逊、超线性等功放。尽管电子管功放是效率很高的感性负载输出,还有过荷承受能力强、过载后非线性畸变小、不需要很大的储备功率等优点,但是此类Hi-Fi功放由于输出功率有限,因此很难达到原汁原味的放音效果。如果给它们错配了灵敏度低的音箱则更是雪上加霜,在此情况下不可能经常开足音量、拼足力气去营造那惊心动魄的AV气氛。
其实,收到其他维修同行的一台功放所给出的声功率除了与功放的输出大小有关外,还与其配套音箱的灵敏度高低有直接关系。也就是说,在放音响度一定的情况下,随着音箱灵敏度的变化,所需要的电功率也截然不同。灵敏度高的音箱消耗的电功率较小,反之则较大。这方面的事例不胜枚举,如以往用于城乡电影放音的都是清一色的电子管功放和高灵敏度音箱,它们的音响服务于数千观众,但是功放的功率却仅为15~40W。当时如用收到其他维修同行的一台功率为40W 的YJ603型电影扩音机来驱动灵敏度达108dB的巨型音箱,其所拥有的震撼力及冲击力足以使2000个座位席的影剧院中的空气振荡起来。
      有资料表明,在一定的响度级别下, 音箱的灵敏度每下降3dB则所需要的音频功率将增大两倍。当收到其他维修同行的一台功放以105dB的响度进行AV放音时,如果它的音箱灵敏度为94dB,那么大约有10W的功率便绰绰有余了。此时分别换上91dB、88dB和85dB几种不同灵敏度的音箱,如果也要达到105dB的响度,那么输入功率将依次上升到20W 、40W 和80W。
      由此可见,随着音箱灵敏度的降低,输入功率由10W 上升到80W 。反之也表明,如果收到其他维修同行的一台10W 的功放与94dB的音箱搭配,那么其音量与80W 功放配85dB音箱的旗鼓相当,前者的输入功率仅为后者的1/8。通过上面的例子,说明了小功率胆机只要配置了高灵敏度的放声系统,同样也能营造出相当不错的AV效果。
2、校正胆机音色
      无论多么发烧的晶体管功放还是电子管功放的音色都不是中规中矩、自然纯真的,多少都带有一些令人遗憾的个性音色。其中晶体管功放的音色表现是干、硬、噪,电子管功放却是软、甜、柔。功放品质越低下则所呈现的音色个性就越明显。其实,如站在Hi-Fi的立场上看,两者都是一种声染色失真。
      针对晶体管功放的干、硬、噪,近年来那些由柔顺的橡皮边低频单元和软球顶中、高频单元组成的具有软、甜、柔音色特性的放音系统,可以用来校正令人生厌的晶体管声。晶体管功放与这种特性的音箱联姻虽不是什么天作之合,但却能有效地令功放的狂气和躁气变得服服帖帖,音质和音色也确实变得柔顺耐听多了。对于胆机来说就不能给它配置校正晶体管音色特性的音箱。否则,胆机的个性将于此类音箱的特性不谋而合地叠加在一起,不但达不到补偿或校正电子管声音的目的,相反还会进一步地加强胆机的个性,使声音变得更加软、甜、柔。在这方面,行之有效的办法是给此类胆机配置特性相反的即具有冷、硬、亮音色个性的音箱,以此来校正胆机过分的声染色失真。当然, 不能矫枉过正,要恰到好处,否则,也会丧失可爱的胆味。
不少
       胆机都缺乏爆发力和冲击力,中、高频也少了些沁人心脾的穿透力。这正是人们对胆机颇有微词的地方,也是它难以胜任AV的原因。事实上,出现上述情况除了有胆机功率不够大、频响及瞬态响应比较差这些问题外,还有一个重要的因素便是与所配制的放音系统的特性不适应。确实,胆机的瞬态响应赶不上晶体管机。长期以来,在电路方面都是通过尽量减少放大电路耦合级数、采用直流DC放大器以及改进电源品质等办法来提高其转换速率,使功放的瞬态响应得到了明显的好转。后来,人们已经注意到了扬声器辐射速度对瞬态响应的重要性。从扬声器的一些特性上来看,它的振膜、音圈、定心支片等构件的材料、质量、刚性、几何形状以及结构工艺等将直接影响声辐射速度。声速快的振膜反应灵敏,对那些瞬息万变的信号有非常准确的跟随能力,播出的声音明快、有力度。而声速慢的振膜反应迟钝,对信号的分析能力差,声音软弱无力达不到信号应有的高潮和爆发力。
      明白了电子管功放与晶体管功放转换速率上的差异后,在给它们配置音箱时就应该充分考虑到这一点。由于晶体管功放的转换速率较高,因此在一般的情况下不必对其所配音箱的瞬态响应特性过分挑剔,只要综合电声指标达到上乘的音箱便可。然而,胆机所配的音箱则要选择那些声速特别高的扬声器来组成音箱,以此来弥补胆机瞬态响应不佳的缺陷。通常,那些用铍、钛等金属或特种植物纤维制成的振膜,其声速可达220m/s,对声音不仅有非常出色的刻画能力,而且声音也特别铿锵有力。由这类单元组成的音箱虽然不合晶体管功放的口味,但对于胆机来说却是求之不得的。
3、改善胆机音质
       许多CD节目中都有极丰富的高、低频乐音,但经过一些胆机的播放后没有了荡气回肠的低音,也少了些清脆纤细的高音。这里有功放的毛病,也有音箱的问题。在胆机中,除了输出变压器是左右高、低频带宽的关键元件外,还要考虑其各级电路中的容抗及分布电容所产生的相移影响。这样,胆机信号中的高低频成分再怎么精彩也别指望它能真实地展现出来。如果配置的音箱频率响应不太宽,高、低频单元的灵敏度又不高,那么所给出的声音必然是上面所述的样子。
晶体管功放的情况就不同了,目前的晶体管功放几乎都是OTL直流DC放大器,很容易将功放频响做到0Hz~50kHz,因此对其音箱来说就不必刻意地追求宽频响。相反,为了防止过分的晶体管声,有时还特意给它们配置一些频响不十分宽的、具有软特性的音箱,以此来抑制那些尖刺、生硬的高频噪声。然而,对于频响一般的胆机,由于频带两端衰减量大,高、低频功率分量比中频段差得多,因此所配的音箱不但要强调高、低频灵敏度,而且还希望其频率响应特别宽。这样的音箱才能有效地展宽放音频带,改善功放高、低频响应的平滑程度。
       笔者常见到不少胆机的频响很到位,声音也柔和激荡、圆润悦耳,但仔细品味后觉得低音多了些尾音而显得有些浑,高音也少了些微妙的成分。这些问题是那些高输出阻抗胆机的通病,其特征是音量越大则上述不良表现越显著。造成这种现象的原因主要有两个。一是胆机的FD仅为10~30.它对扬声器的阻尼能力弱,振膜不能准确分析信号,所给出的声音不是丢了些细节便是新增了些原始信号中没有的成分,声音必然就变了样。二是所配音箱低频单元的Q值不合适,Q值高的扬声器振动系统质量大,振动惯性也大,响应不平滑且声音浑浊。胆机由于FD较小,对扬声器的控制力小,不能及时制约振膜的惯性振动,因此采用Q值低一些的扬声器有利于改善音质。这样的扬声器声音刚劲、清脆,胆机又天性柔和,两者所搭配出的必定是柔和且层次分明的声音。

  

  二、适合于胆机的Hi-Fi音箱制作       现在的音响市场上扬声器品种丰富,国内的电声名厂都不时有品质一流的高、中、低频单元亮相。有些单元的特性不一定适应晶体管机,但它们的一些品质却很投胆机所好,并且价廉物美、唾手可得,这就为自制适合胆机特性的音箱提供了方便。笔者也是一个多年的音响迷,打造过许多不同种类的小功率胆机。由于长期以来寻觅不到适合胆机特性的高灵敏度音箱,因此在不得已的情况下设计了几款Hi-Fi音箱,现将其中表现不错的一款介绍给大家。
1、音箱设计理念
在自制一款Hi-Fi音箱前,除了要对它的频率响应、失真度、灵敏度、承受功率和输入阻抗等主要技术指标做到心中有数外,还要事先对音箱的音色取向、声辐射特性、音箱类型、体积和单元组合等予以重点考虑。本音箱所要达到的主要技术指标如下:
(1)频率响应:27Hz~25kHz ±1dB
(2)灵敏度:不小于92dB
(3)输入功率:60W
(4)输入阻抗:8 Ω
(5)音箱特点:体积小、声辐射面宽、瞬态响应及声象定位好
2、单元组合
       采用多扬声器单元组成宽频带音箱已经是个老话题了,但从小功率胆机特性要求的高效率、高保真音箱情况来看,要真正全面做到设计中要求的电声技术指标不是那么简单。似乎选用一只灵敏度高的宽频带大功率Hi-Fi扬声器最符合创意要求,但问题是扬声器的振膜与频率响应、保真度、电声效率等始终存在着一系列尖锐的、不可
       调和的矛盾,至今还很难用一只扬声器来Hi-Fi地重放全音频。尽管也有同轴、双振膜(双纸盆)、组合式(附加的高、中频单元用构架组装在低频单元上)等形式的全频带扬声器,然而由于结构上的诸多原因,它们仍然存在着频响不平滑、互调失真大、瞬态欠佳、灵敏度低、功率小以及声场窄等损害保真度的问题。因此,很少见到用此类扬声器制成的高灵敏度或大功率Hi-Fi放音系统。
       由高、低频独立的扬声器单元组成的音箱具有频响宽、功率大、分频网络简单、单元少、安装紧凑及声象定位好等优点,其始终是各类视听音响系统中首选的音箱。然而,在要求很高的Hi-Fi放音时,二单元音箱的情况就不容乐观了。试想一只下潜到20Hz的低频单元,其振动系统已不能出色地再现中频,而一只频响上扬到20kHz的高频单元也不可能很好地兼顾中频。这样的组合即便能勉强做到宽频带,但在中频段的响应将变得很不平坦。尤其是语言、音乐中丰富的谐波功率多半是在中频,如果离开了品质一流的高、低频单元的支持,其保真度也就可想而知了。另外,二单元音箱对高、低频扬声器的电声指标要求十分苛刻,能胜任Hi-Fi组合的二单元扬声器也都存在着价格昂贵、不易搭配及难以购到等问题。如果对扬声器特性、音箱制作与调试技术缺乏了解 一般用二单元装成功Hi-Fi音箱的把握不大。
       如果在二单元中间插入中频扬声器,那么放音的情况就大为改观了。显然,高、中、低频扬声器各有特色,三者能尽情地展现自己的风采,给出的必然是一个宽频带Hi-Fi音箱。多单元音箱由于频段划分细,因此不需要响应十分平坦的宽带扬声器,只要它们各自所承担的频段灵敏度及响应出色,便能将频响、效率、功率衔接搭配得很均衡。另外,多单元组合对扬声器的要求不高、成本低廉,这些都使得三单元音箱一直成为各类Hi-Fi放音的佼佼者。
       当然,组合音箱时也并非是单元越多越好,从某些情况来看,二单元音箱的一些优点正好是多单元音箱的不足。对于多单元组合及分频网络所引起的频带衔接、响应平滑度、灵敏度以及声象定位等问题都要加以考虑。只要认真选择并搭配单元、科学合理地设计音箱,仔细地组装调试,一般都能做出令人满意的Hi-Fi音箱。全面权衡利弊,笔者认为小功率Hi-Fi放音系统还是选择三单元组合音箱为上策。
那么,究竟哪一类型的音箱才是设计理念中的最佳拍档呢?回答肯定是倒相式音箱,其主要有以下几个闪光点。
(1)、它的灵敏度很高,输入较小的功率便能给出很大的声压,并且音质也相当好。理论数据表明,好的倒相式音箱可以使低频的灵敏度提高4~6dB,这就意味着功放的输出功率增加了3~4倍,这一点对提高小功率胆机的音量更显得难能可贵。
(2)、有效地弥补了由功放低频相移及扬声器声短路现象而引起的声压下降问题,这也是一般胆机求之不得的优点。
(3)、由于箱子的谐振频率与扬声器的共振频率相调谐(谐振),扬声器的谐振峰受到了极大的阻尼,可使低频响应的平滑度改善80%,而且低频端的响应也比原来向下延伸1/ (31/2),因此完全可以用普通扬声器来获得宽频响和高灵敏度。
(4)、倒相式音箱的保真度很高且箱子的体积很小,在同样的下限频率时箱容积也仅为密闭箱的60%。这些出类拔萃的优点都为小型高灵敏度音箱的制作提供了可能。
3、单元选择
       反复权衡了扬声器的频响、保真度、电声效率、输入阻抗、功率、声辐射指向性及音色取向等因素后,本音箱选择了银笛的YDQG5-14、YDQZ10-2、YD200-54单元作为高、中、低频单元。之所以对银笛扬声器情有独钟,主要是因为银笛厂是研制生产Hi-Fi扬声器最早的厂家之一, 该厂技术领先且不断推陈出新,开发生产出的百余种单元质优价廉,产品一向受到音响界和发烧友的好评。各个单元的特性请参见附表,下面来谈谈它们的特点。
       YD200-54是一款品质超群的低频单元,其振膜是在优质纤维纸浆中添加一定的增强材料制成的。振膜上模压出了许多同心圆的凹凸增强筋,各个波节线之间还模压了密集的麻点、条形等不同几何形状的机械筋。这些措施使纸盆在不增加质量的情况下大幅度提高了刚性,有效地抑制了局部的分割振动。另外,纸质振膜质量小、口径适中、Q值也不大,即使在大振幅下纸盆也不易产生惯性运动。显然,它的响应平滑、瞬态特性好、声音刚劲清晰、保真度比较高。该单元采用的是一种泡沫材料折边,其特点是质轻、耐疲劳且有合适的内阻尼特性。在直径达130mm的特大型多波纹定心支片的配合下,它的有效频率从38Hz至5kHz都有特别平坦的响应,灵敏度比同口径的橡皮边高2~3dB。
       该单元的磁钢增大到Φ130mm×20mm,磁路极板加厚到8mm以上,有效磁场也高达12mm。Φ38mm 的大型音圈使绕组变得很窄,同时又工作在很宽的磁场内,长冲程所营造的动态响应与保真度也是显而易见的。从本单元的磁路及音圈情况来看,其已经远远超过了12英寸喇叭的规格标准。它的输入功率应当在100~120W 之间,但厂家却只定为40W,功率标称得如此保守也足见这是一款名副其实的发烧级单元。
       扫描一下YD200-54,发觉该单元的工艺技术、材料结构等各个环节都是极为地道的。它的输入端子是大型接线柱,盆架也是非常厚实的铝合金铸造,尽管单元基础是质量很小的铝盆架,但喇叭的总质量却高达3.3kg。宽厚的硬橡胶整体压边使单元无论在板上正反安装都有很好的防震和密封性能,丝毫都不漏气。单元的磁路系统被一只大型的硬橡胶罩子封闭,既保护了磁路又使其在箱内的驻波减至最小。该单元的后磁路板上还开有一个减压孔,其作用是令定心支片内封闭的空气里外流通,使音圈等不因为受到压缩空气阻尼而影响到振幅,明显的好处便是使正负振幅平衡、非线性失真小。这点小工艺对于一般扬声器来说不足挂齿,但对于Hi-Fi扬声器却有着不同寻常的意义。
       YD200-54的盆架直径为240mm,这是一款按振膜直径标称口径的扬声器。纸盆的直径实实在在地做到了200 mm (8英寸), 振膜有效辐射半径达93mm,要比传统8英寸喇叭的81mm大得多。本箱选择8英寸低频单元的原因还在于其在5~l2英寸的5个传统口径中(5英寸、6英寸、8英寸、l0英寸、12英寸)占尽了优势,它既有小口径的优点又少了些大口径的缺陷,从各个方面来说都是令人喜欢的规格。另外, 目前的各类单元阻抗大多为8 Ω,采用一只低频扬声器容易与中、高频单元及功放匹配,其分频器的设计制作也较为简单。以上正是笔者选用本单元的几个重要原因。
        YDQZ10-2是一只品质不俗的球顶形中频单元,它采用了生化纤维经浸渍处理的大球顶振膜。其特点是声音清晰、圆润悦耳,频响从800Hz至10kHz几乎是平直的。由于球顶振膜突出在面板的最前沿, 因此声波直接向四周扩散,声象立体感强,听音时没有了皇帝位,而盆形振膜则恰恰少了这些优势。 
       该单元是一款不惜工本的重料制作,它的磁钢体积为120mmX 20mm,与YD200-54很接近,质量约为1.7kg,这样的用料在各种品牌的同类产品中是少有的。其配以了直径为60mm 的球顶振膜,令扬声器的平均特性灵敏度达91dB以上。为了真实而有力地再现中频,它的音圈直径增大到50mm,在强磁场作用下其音乐功率至少在150W以上,但厂家给出的标准值却只有50W。该单元振膜前面板还压有一个中120mm的声辐射扩散器,这也使得声辐射面更加开阔。
       YDQZ10-2的振膜背腔附加了一个很大的圆型罩子(Φ120mmX 60mm),它与振膜里面的音圈和磁路形成一个很大的封闭容器。罩内填满了松软的吸音材料,其目的是消除振膜后腔产生的驻波,以此改善中频段的响应平滑度。由于振膜背腔密封,因此装在箱子里也彻底消除了低频声波对它的调制。同样,罩子侧面也开有减压作用的空
气疏通孔。
        由附表可以看出,YDQG5-14的高频响应相当宽阔,灵敏度也特别高,这完全归功于所采用的钛球膜技术。钛金属是一种新型的高科技宇航材料,用钛箔制成的振膜虽然薄如蝉翼,但却非常坚硬。其球膜直径为1英寸,如此轻巧的振膜极为灵敏,非常适应高频振幅特性。在它的振膜上又模压了许多鱼鳞状的机械增强筋,令其即使在振幅很大的情况下也不会产生有害的分割振动。 该单元的平均特性灵敏度高达91dB以上,有效频响可从3kHz一直到25kHz的超高频,比现在流行的那些织物纤维软球顶高频单元的频响要宽得多,灵敏度也要高出3~4dB。它对信号中的谐波刻画生动,音质清脆明亮,音色绚丽多彩且极富穿透力。由于其电声效率高,因此与本箱选定的中、高频单元的效率十分匹配。该单元的额定输入功率为30W .这样的功率正好符合家用Hi-Fi音箱的高频功率分配。因为是非磁液结构,所以高频分析也将更加细微、透彻。
       钛、铍、铝等硬球顶中、高频扬声器的音质魅力无可厚非,但不少朋友对此类单元始终心有余悸,认为金属振膜声音尖刺、生硬,总怕用不好。其实,现在的音乐大多为金属乐器的演奏,硬球顶振膜与它们为同一属性,刻画表现这些音乐是最自然不过的了。看一下当今文体演出中使用的大功率Hi-Fi专业音箱,它们都采用了灵敏度高达100多dB的金属振膜中、高频扬声器,并且还给它们附加了各式各样提高声效率的号筒。因此,播放的声音不但清澈明亮,而且歌手的演唱也十分甜美细腻。相信聆听过大型场馆文艺演出的人们都有亲身体验,谁也没有感觉到声音冷艳、尖利或不柔和。
       当然,组装Hi-Fi音箱时也不必拘泥于同一厂家的单元, 只要所选单元的特性有利于提高功放的效率与音质,那么完全可以采用不同厂家的单元搭配组合。例如,选用南京的YD200-8XPH低频单元、惠威的大球顶中频单元及银笛其他型号的钛球顶高频单元等。如果你希望本箱能同时适合晶体管功放的口味,那么可将特性相应的软球顶高频单元加装在本箱上,使其成为音色取向可变的音箱,具体的方法在本文后面将有所涉及。

4、分频器
      分频器是宽频带放声系统的一个十分重要的部件,虽然它只是个带通滤波器,仅仅对不同扬声器单元承担着频率分配的任务,但其性能、品质将直接影响音箱的保真度与效率。许多朋友在制作音箱时常常把目光盯在扬声器单元的选择及音箱方面,却把分频器看得无足轻重,显然这对Hi-Fi的放音是不幸的。
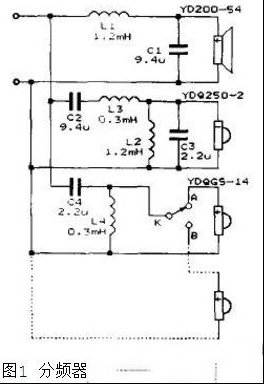
     一只优良的分频器应内阻低、耗损小,有很陡的频率衰减斜率。鉴于目前市场上发烧级分频器很难寻觅且价格也不菲,更重要的是分频频率完全依据所选单元特性而定,成品分频器往往并不一定适用,因此,Hi-Fi音箱的分频器还是自制为上策。图1是本箱的分频电路,它的衰减率是按每倍频程-12dB设计的。分频点很重要,它直接决定着各单元能否工作在最佳响应频段,并将其衔接成一个宽阔而平坦的放声系统。分频点应选择在各单元最出色的一段频带,一定要避开频响两端急剧起伏变化的峰谷段,才能衔接成一个频响宽阔平坦、效率高的Hi-Fi音箱。否则,即使做到了宽频带,频响也会变得高低不平、过渡特性变坏等。对于Hi-Fi音箱来说,应尽量采用厂家推荐的分频值。
  
 
  图1 分频器电路图
         L1与C1组成的低通滤波器将200-54的分频点选在1.5kHz,这里将它的分频点适当提高,主要是单元特性好,更重要是音频的功率多半都集中在中低频,适当提高低频单元的截止频率,可以充分发挥单元特长,给出的声音将更加饱满有力度。如果分频点过低,不但丧失了单元优势,反而还会加重中频单元的负担,引起振幅过载、失真增大等弊病。
      虽然中频单元的有效频响宽达800Hz~10kHz,L2、L3与C2、C 3组成的带通滤波器仅取其1.5~6kHz的一段频带,这也是它的黄金频段。L4、C4构成的高通滤波器将YDQG5-14的分频点定为6kHz,本单元的下限截止频率也取得较高,将更加轻松自如地在高频段发挥它的特长。由于合理的选择分频点,3个单元各自都工作在声效率最高的频带,故系统的综合灵敏度也要比各单元的平均特性灵敏度高出1~2dB。
      分频器元件少,电路也很简单,对于分频电容器最起码的要求是高频特性好,耗损及容量误差小。目前的聚丙烯CBB无极性电容器的耗损角正切值仅为0.08% ~0.1% ,高频性能优异,体积小、无感、价廉,完全能胜任Hi-Fi系统分频电路的需要。本音箱选用耐压为63V的CBB21、CBB22电容器,9.4 uF的用2只4.7 uF的并联即可。高耐压电容在分频器上无大意义,价格却成倍上升。不要盲目崇拜那些舶来品洋电容,这类电容并不一定能明显改善音质,价格却高得惊人,有时1只10 uF的电容往往超过一只中低频扬声器单元的售价。
      分频线圈L的内阻R0大小直接关系到传输效率与音质,在胆机中分频器与输出变压器二次侧线圈、扬声器音圈及传输馈线呈串联回路。当L的直流电阻较大时,引起插入损耗增大,传输效率下降,不但白白浪费了大量输出功率,还
会明显降低对扬声器的阻尼作用,导致声音浑浊、瞬态响应变坏等。显然L的R0越小,插入损耗小音质也越好。通常,L的直流电阻做到音圈电阻的1/10以下就很好了。
     分频线圈电感量的误差要尽量小,不然会使分频点偏移,引起各频段重叠太多或衔接不良而出现峰谷点,响应也变得很不平滑。电感线圈制作很容易,但在绕制时遇到的问题是电感量的准确程度难以掌握。以下给出的线圈数据是经过实际测量得来的,只要线圈骨架几何尺寸、线径、匝数符合要求,电感量一般不会有较大的误差,当然有条件最好用数字电感仪测量一下。从图2的线圈数据看,几个线圈已接近最佳结构尺寸,线圈的R0小,Q值也较高。由于导线线径很粗,L的电阻小到0.2~0.4 Ω,已做到重料发烧级的分频器了。对于胆机用音箱分频器,不要刻意去追求那些5N、6N的纯铜或无氧铜导线来绕制,还不如下功夫从线圈的最佳结构、减少输出变压器二次侧线圈或扬声器传输馈线的R0方面来得合算。
 
  图2 分频线圈数据
        分频器的组装不一定非印刷电路板莫属,一来自制麻烦不易,二则电路板的载流量往往不够,引起效率和音质下降。一般用一块胶木板或塑料板即可。笔者采用一个普通塑料录象带包装盒作为安装板, 由于板的面积大(200mm X 120mm),各线圈之间距离大,不会发生有害的互耦作用而影响分频质量。L、C元件在板上的分布及电路如图3所示,L1~L4,Cl~C4用胶粘在板上,并在元件引线相应位置钻2mm小孔,引线穿入板后直接连接成电路。这样R0小,电路也整齐简洁,最后不要忘了在端子接线处做出相位及输出标志。
  
 
  图3 分频器组装图
  5、音箱制作
       音箱作为一种真实再现声音的装置,在设计上它的声学性能是首要的,其次才是审美方面的要求。音箱设计比较复杂,还要知道低频单元的一些关键数据才行。本音箱的尺寸定为790 mm X300mm X 270mm,从一般家庭放音情况看,这是个非常适宜的体积。对中、高频单元来说,不能简单地把箱子看成是组装支架的作用。对于Hi-Fi放音,箱子越窄越有利于中高频辐射,声场分布宽音质也越好,本箱宽度做到270mm,已接近低频单元外径的极限。由图4可见,各单元及倒相管都紧靠在一起,且都尽量集中在箱子最上端,其特点是声象集中,声音没有分裂现象。由于声波与听音者耳朵呈同一水平,声音也真实自然。
 
  图4 面板单元分布图 
  
 
  图5 加装软球顶高频单元分布图
        本箱超常规地将倒相管装在中高频单元之上,并将中高频夹在中央,也克服了响应不平滑、最佳听音范围小的毛病。它与低频单元拉大距离,不但符合倒相箱的要求,倒相孔辐射出的声波与低频单元声波叠加,还具有哑铃式音箱低频份量足的一些优点。
       图5是专为喜欢制作具有音色取向可变的音箱者提供的一个结构方案,是在音箱面板上加装了一只软球顶高频单元(电路见图1的虚线部分),当K扳向B档时软球顶单元工作,便成了具有晶体管音色特性的音箱。加装的高频单元应是丝绢软球顶振膜,高频上限响应及灵敏度应分别达到22KHz和91dB以上的优质单元为佳)。
      箱子采用20mm厚的中密度板(MDF)制作,纤维密度板虽然厚实,但音箱在放音时内部的空气压力很大,箱壁在忍受这种压力时经常会发生振动,即使小功率音箱在音乐的高潮片段也是如此,还因面板开孔集中,为防止箱子机械强度变差,又采用了复杂的龙骨架结构箱子。骨架结构如图6所示,它是由25 mm X30mm的硬木做成的整体框架,骨架尺寸必须精确,它直接决定箱子的尺寸与造型。
       音箱前后板是最易发生振动的薄弱部位,故在前板各单元中央与后壁之间又增设了一个硬木支撑,极为有效地减小了箱振所产生的声染色失真,这样的结构工艺就是在15英寸300W 的专业音箱中也不多见。密度板不像实木板那样容易粘牢。本音箱虽有骨架组合,但牢靠程度仍不放心。对此,在各箱板与骨架的粘合面上又用许多木螺丝钉进一步加固(钉子间距约100mm)。各板上的所有钉孔应在箱子未成型前钻好(Φ3mm孔,骨架上不能钻孔),粘合箱子时乘胶水未干燥时将板与骨架拧紧。
      各单元及倒相管安装洞孔应事先开好,各开孔直径、位置尺寸一定要准确,不可碰及周边骨架。面板上的各单元开孔尺寸如图7所示,要注意2只箱子的单元开孔方向呈对称状。特别强调的是YDQZ10-2和YDQG5-14的振膜面板仅比它的安装洞孔直径大4mm,一旦开孔直径稍大将造成单元面板遮不住开孔,出现封闭不严而无法补救的危险,这也是本单元在设计制造上的一个缺陷。
 
  图6 骨架结构图
  
 
  图7 单元开孔图
        倒相管是用一段外径为75mm的塑料管,经车床加工出安装台阶(如图8所示),管长120mm是事先预留的长度,待箱子调试时再适度截去多余部分。值得指出的是不同的倒相箱对其倒相管都有严格的尺寸,自制音箱时切不可随意用不合要求的管子草草了事。
  
 
  图8 倒相管图
        给箱子内部浇一层沥青,无论对箱子的声阻尼特性、机械强度、封闭性等方面都大有益处。具体作法是将熔化的沥青盛在勺子里,由面板开孔伸入浇向箱内四壁。还要对音箱添加一些吸音材料以减小驻波干扰,这都是Hi-Fi音箱必不可少的工作。玻璃纤维吸音性能好,但粘贴工艺复杂麻烦,一般泡沫塑料(俗称海绵)便可满足倒相箱的要求。这里采用10mm厚的大孔眼轻质泡沫塑料,按内壁相应尺寸裁成3块,分别用图钉粘在上顶、后板和一个侧板上。一般小型倒相箱无需过重的声阻尼,故箱内六壁不要全贴,否则吸音过量,箱子效率严重降低,声音也变得呆板干涩。音箱外观装潢也不困难, 目前都是用一种PVC贴面直接贴在音箱表面上。简单的工艺是先用油工腻子在箱表面细刮一遍,外表的木螺钉坑眼在腻子干燥的过程中多刮几遍,直至用砂纸打磨平整不再出现凹坑。然后对箱表面均刷一层油漆,此项工作很重要,否则箱板吃胶不均,不易粘牢粘平。方法是将粘合剂均匀地涂刷在箱子的一个表面上,10min左右待胶剂表面的甲苯成分挥发后,接下来将事先剪裁好的PVC仔细地粘贴在箱子上,这样才粘得平整,不会发生贴面起泡的现象。如贴面局部有起泡不平,可用针扎孔释放空气,再用毛巾压平即可。各贴面对接部位暂不刷胶,贴面接口事先预留宽些,然后将长尺压在搭接处用刀片裁开,箱子四周边角多余的贴面用刀片沿箱体切掉,贴面接口便天衣无缝了。吸音材料可以在箱子装潢完成后进行,以防加工时的粉尘杂物玷污泡沫塑料。
       扬声器单元、倒相管及分频器在Hi-Fi音箱上的安装也有讲究,必须做到安装牢靠,不松动不漏气。通常是用2mm厚的软橡胶板,依各单元装配面尺寸形状剪一个垫圈(200-54是圆形垫圈,中、高频单元是方形)。再将垫圈用胶粘在开孔相应位置上,扬声器压在垫圈上一并用螺钉拧牢。本箱所有单元都直接由外向里安装,音箱也显得庄重而有气魄。倒相管要紧紧地敲入洞孔,分频器和输入端子板就近装在低频单元对应的后板内壁。3对扬声器单元引线应尽量粗短,使用直径在1.5mm的软铜导线即可。还要注意各单元的相位问题,本音箱的高、低频单元是正相,中频单元反相连接分频器。
      从放音质量上说,Hi-Fi音箱不宜对扬声器蒙面网,如为了防尘或保护扬声器也可加装面网。选择蒙布一定要谨慎,必须是质料特别薄、网眼大的丝织物。蒙布必须张紧在框架上,并用活动搭扣固定,这样拆卸才方便。切不可选用材质厚实、网眼细密的蒙布。目前流行的一些色调诱人的喇叭布的透气性特别差,对声音尤其是中高频声波衰减十分严重,声音将变得灰暗沉闷、失去色彩。最后,给箱子装上4只底脚,音箱就做好了。
      装配好的音箱必须经过认真的调试才能出好声,音箱效率也高。即使依据所选单元给定的箱子容积,也因低频单元的某些参数,如共振频率f0、振动系统顺性系数CM系统质量MB和品质因素Q0都存在着一定的误差,并且箱内的骨架、吸音材料、各单元及倒相管等所占体积也会造成音箱容积与设计值发生较大的偏差。这样,箱子的共振频率f0A就不能准确地调制在单元的f0上,音箱的效率不高,音质也肯定不好。
      音箱的调试主要是f0A与吸音材料的调整,通常采用声压输出频响特性法或是间接地利用扬声器的阻抗模量曲线法来调试。这项工作看似简单,实则相当繁琐费时,要想调得理想,没有一定的专业技能与仪器还相当不易。
      其实,对于倒相箱来说,主要是f0A的调试,好在改变倒相孔面积或长度能在一定范围内改变f0A。在业余情况下,简单的调试方法是先卸掉倒相管,用信号仪对音箱输入100Hz以下的功率信号,变化信号频率找出音盆振幅突变到最大时(也即单元的谐振点),然后慢慢调整倒相管伸入箱内的长度,直至某一深度音盆的振幅降到最小,箱子就调试好了。此法调试虽不甚理想,但在业余情况下音箱的质量则足够好了。
      本音箱采用阻抗模量法逐点描绘音箱的阻抗频率特性曲线,反复描绘阻抗的特性变化曲线,并反复调整倒相管伸入箱内的长度和吸音材料,使YD200-54的谐振峰最大限度地压成一个非常对称的双驼峰。低端频响由原来的38Hz有效地延伸到27Hz以下,获得了满意的成绩。
      与朋友的心情一样,亲手打造的音箱都急着试听,都想早一刻分享那份喜悦。笔者的听音室约15m2,常用的是2台电子管纯功放。先用5W 单端A类功放接驳本箱试听,输出功率3W,室内的响度则令人激动,5W时的音量便与一般古典、民乐录制时的响度差不多。过去推动一对灵敏度为88dB的箱子,声音始终小得可怜,功放全开足声音也是有气无力。本箱配接20W 的UL功放情况又不一样了,8W功率在音乐的高潮室内便有爆棚的气氛,12W时的低频动态声波足以使桌上的茶具发出声响。以往用晶体管功放要达到这个响度或音效,最起码也要80~90W 的功率。
      接下来播放《高传真音效》CD片,这是一张笔者久听不厌的发烧试机片。碟中每首乐曲都由风格不同的乐器和电子乐器演奏,间或也出现女声伴唱与和声。乐曲频谱宽、高低音丰满平衡,最适宜检测Hi-Fi功放及音箱。一曲热烈欢快的《素兰姑娘要出嫁》奏起,悠扬圆润的长号和着低沉柔和的大鼓声声振耳,纹理清晰的余音回荡在各角落直至下一声再起。明亮悦耳的小号、铿锵刚劲的打击乐与奇妙的电子乐
交织在一起,把一个热闹的婚礼场面表现得淋漓尽致。
      扑面而来的是一首《行船的人》,乐曲旋律优美感人。三角铁、碰铃清脆的金属音令人心动,激荡的鼓声、纤细的沙锤音与绚丽多彩、变化万千的电子乐勾画出浩瀚的大海,雷鸣电闪的暴风雨中海鸥啼鸣栩栩如生。突然,又响起了轻柔的女中音,那亲切甜美的歌声伴着乐曲走出音箱,让人真切地感受到表演者就在面前歌唱。
      试听音箱、评价音质,必须要熟悉音源,对音源的音色特征要有一定的了解和深刻的记忆。如果对音源印象不深,就无从评价音箱品质。笔者的朋友是位乐迷和音响迷,多次聆听了本音箱后,一直抱怨自己五六千元买来的音箱声音小,缺少色彩,总不服气这套廉价的音箱能有如此好的音质(本箱里的6只单元价仅400多元)。后来他抱来收到其他维修同行的一台“中联9100B”100W 晶体管功放接驳试听,给出的音质、响度又一次令他吃惊。又在功放前面接入听感激励器进一步考验箱子,声音即刻大放异彩,高音一点都不硬、不尖刺,看来优秀的晶体管功放也非常喜欢这对箱子。

路过

雷人

握手

鲜花

鸡蛋

最新评论

QQ|Archiver|手机版|家电维修论坛 ( 蜀ICP备19011473号-4 川公网安备51102502000164号 )

GMT+8, 2025-11-21 13:15 , Processed in 0.301401 second(s), 17 queries .

Powered by Discuz! X3.5

© 2001-2025 Discuz! Team.

返回顶部