找回密码
 请使用中文注册

晶体管分立元件音频前级平衡放大电路

2023-5-5 11:41| 发布者: 开心| 查看: 27| 评论: 0

阅读字号:

摘要: 前级放大电路的工作位置处于信号源与功率放大器之间,它的主要作用是补偿放音系统的增益、使信号源与功率放大器信号匹配、平衡与非平衡信号的转换,同时有调相作用。前级平衡放大电路通常可以由运算放大 ...
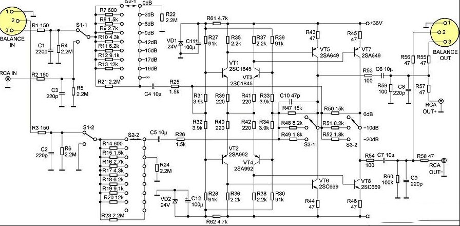
    前级放大电路的工作位置处于信号源与功率放大器之间,它的主要作用是补偿放音系统的增益、使信号源与功率放大器信号匹配、平衡与非平衡信号的转换,同时有调相作用。前级平衡放大电路通常可以由运算放大器或晶体管分立元件组成,由于运算放大器的一些技术指标限制,笔者决定使用晶体管分立元件设计一款性能较高的前级平衡放大电路,如图1所示。
  
 
  
 
  一、音频线路传输分析
1. 音频线路信号的0dBm电平
     0dBm电平是指在600Ω的负载电阻上耗散了1mW的功率,表示是0dBm电平强度,通过有关的换算所得,在600Ω的负载电阻上产生775mV的电压。为了使用方便有时也会使用0dBV,0dBV=1V。音频信号经常使用0dB来说明信号是否正常,比0dB小的信号表示没有受到电路输出动态限制,不会产生过载削波失真,但电平过低会使信噪比降低,比0dB大(指示在红色位置)会产生严重削波失真。音频线路使用600Ω的负载阻抗是非常合适的,这样可得到较低的失真和较高的信噪比。
2. 平衡信号的优点
     音频信号线路传输有两种类型,第一类是非平衡(单端信号)传输,它由一个信号端和一个地端组成,传输信号线是由芯线和屏蔽网线组成,在长距离信号传输中,信号较容易感应空间的电磁波干扰而降低信噪比。第二类是平衡(双端信号)传输,它由一个正相信号端和一个负相信号端与一个地端组成,传输信号线是由两条芯线和屏蔽网线组成;两条芯线虽然同样也会感应干扰,但是两条芯线感应的干扰是共模信号,而平衡输入放大电路只对差模信号有放大作用,对共模信号有抑制作用,两条芯线感应的干扰噪声会自动衰减掉。
3. 输入与输出阻抗匹配
      在《电工基础》理论中说道阻抗匹配时,即后级输入电阻等于前级输出电阻,后级负载可获得到最大的功率,阻抗匹配能得到较低失真和较高信噪比。在《电子电路基础》理论中有反相放大电路输入电阻较低,较容易实现阻抗匹配一说,而且电路增益可大于1倍也可小于1倍,利用该增益特点可实现音量控制调节。
  

  二、电路分析
      电路信号接口使用卡农接头作平衡信号输入、输出,RCA接头为单端信号输入、输出。RCAIN与RCAOUT+是同相,与RCAOUT-是反相,这样进行相位调整,扩展了前级放大器适用于其他器材的通用性。
      S1-1、S1-2为平衡与非平衡信号输入选择开关,使两种类型的输入信号都能工作于本电路。
      S2-1、S2-2、 S3-1、S3-2为电路增益控制开关,也是该电路的音量调节开关,S2-1、S2-2为主音量调节,S3-1、S3-2为副音量调节,两组开关配合使用能有效扩大音量调节范围。对于一款性能要求高的前级放大电路,音量电位器的设置是一件较难处理的问题,音量电位器若安装在前级放大电路的输入端。由于一开始就对输入信号进行衰减,因此对信号的动态处理控制是有利的,但是会降低信噪比,也会增大开机冲击噪声。音量电位器若安装在前级放大电路的输出端,则与安装在输入端的效果相反。虽然输入端与输出端都可安装衰减式电位器,但是电位器的线性度差会严重影响左右声道的平衡,为此,本电路决定采用调节电路的增益量来调节音量。降低电路的增益可以带来有效的降低电路的失真度、提高电路信噪比、展宽电路的频率响应等优点。
     基极偏置稳压电路,集成电路稳压IC虽然有很高的稳压精度,但是它的高频噪声也很大。本电路只有两级放大,相对三级以上的放大电路,其直流总增益低,而且信号的工作电平较低,虽然普通稳压二极管的稳压度较低,但是噪声值也较低,综合平衡,普通稳压二极管较适合本电路使用。
电路相关元件作用,R1、R2、R3、R53、R54、C1、C2、C3、C8、C9组成低通滤波电路,减小射频信号对电路的干扰,提高信噪比,对音色也有一定调整作用。隔离电阻R55、R56、R57、R58减小两组输出的相互影响。R4、R5、R6、R59、R60下拉电阻能有效降低耦合电容漏电产生的直流电压,使开关在转换时的冲击噪声降到最低。
  

  三、电路的计算
1. 相关参数的计算
     前级放大电路的最大输入信号一般在0dBm电平,现时最高输出的音源是CD机的电压(达2V)。前级放大电路的最高电压增益为10倍,按最大限度来计算前级放大电路的最高输出电压UO(达20V)。考虑到放大电路对电源的利用率,工作供电直流电压VCC应该比20V大一些,安全一些就取VCC为36V。
2. 直流计算
     根据UO、RL计算各级静态工作电流。前级放大电路和静态工作电流较小的电路,要得到低的失真时都要工作在甲类状态。输出负载电阻若按600Ω来计算,那么VT5的集电极静态工作电流的下限为(UO/600Ω)/2≈33mA/2,考虑到电路实际输出电压比20V高一些,于是IC5就取50mA。现时的中功率管和小功率管的β都会高于100倍,当β5=100倍时,则有IB5=50/100=0.5(mA),IC1一般要比IB5大些,则有IC1为 1mA,当β1=200倍时,则有IB1=0.5 /200=0.0025(mA)。
     根据VCC、IC1、IC5计算电路中各电阻的阻值,三极管共发射极放大电路采用分压式偏置工作,为了能较稳定地工作,其偏置电路的电流一般是IB1的 5~10倍,用100倍来计算,则有IR27= IR31=0.0025×100=0.25(mA),R27+R31=24/0.25 =96(kΩ)。第一级VT1、VT3的主要作用是差分放大,它的交流电压放大倍数Au1可在5~10倍,表示VT1工作在深度负反馈,Au1可约等于 R35/R39的比值,VT1和VT5工作在线性放大区,UBE1与UBE5约为0.7V,迭加上R39产生的电压,UB1必须大于0.7V,可将UB1 选为1V,则有R31=(1/24)(R27+R31)=4kΩ,R27=96kΩ-4kΩ=92kΩ。IC1≈IE1=1mA,R39=(UB1- UBE1)/ IE1=(1-0.7)/0.001=300(Ω)。R35=Au1×R39=10×300Ω=3kΩ。电阻R35的电压为 UR35=IC1×R35=1mA×3kΩ=3V,UR43=UR35-UBE5=3V-0.7V=2.3V,R43=UR43/ IC5=2.3/0.05=46(Ω)。因为实际使用的三极管的β值会比计算的值大得多,UBE会比0.7V小,所以计算的电阻值与电路图的电阻值有些差异。
3. 交流计算
     前级的音量控制是通过调节电路的增益来改变声音大小的,电路是电压并联型负反馈,电路增益由R50与R25来改变,最高增益是Au=R50/R25=15 /1.5=10(倍),音量处-3dB挡位时,增益为Au=R50/(R25+R7)=15/(1.5+0.6)≈7(倍)。人耳的听觉特性是在较大和较小音量时敏感度较低,约3dB的变化量时才有感觉。中等音量时对2dB的变化量就有感觉了。由于开关挡位有限,一般在20挡左右,为此可在前5挡和后5挡时,使用3dB的变化,在中间10挡时,使用2dB的变化,这样可在有限的挡位做出最大的变化量。
      R0=R25+R7,当R0变化1.1225倍就有1dB的变化,n表示挡位(是正整数),n为3时,根据公式Rn=1.1225nR0,则 R3=1.12253R0=1.414R0,约产生3dB的变化。电阻器是按E24和E96系列生产,E24每级的变化是0.8dB,E96每级的变化是 0.2dB,这样可自行计算使用。若认为开关制作比较困难也可使用一个(100~250kΩ)四联指数式变化的电位器,国外用A型来表示指数式电位器。
  

  四、制作注意事项
1. 电阻R25、R26安装位置要按照电路原理图,尽量靠近VT1~VT4三极管,可减小S2感应的噪声而防止寄生自激振荡。
2. 电容器C10并联在R47或R50上,不能不并,也不能同时并联两只电容器,否则会出现自激振荡。
3. VT5、VT6、VT7、VT8每个三极管的功耗达1.8W,必须安装散热器散热。对VT1、VT2、VT3、VT4增设热平衡处理电路稳定性会更佳。
4. 开关S2安装图片,见图片2。

路过

雷人

握手

鲜花

鸡蛋

最新评论

QQ|Archiver|手机版|家电维修论坛 ( 蜀ICP备19011473号-4 川公网安备51102502000164号 )

GMT+8, 2025-11-21 13:15 , Processed in 0.143942 second(s), 17 queries .

Powered by Discuz! X3.5

© 2001-2025 Discuz! Team.

返回顶部