找回密码
 请使用中文注册

输出25W、50W、100W的分离元件功放电路

2023-5-5 11:40| 发布者: 开心| 查看: 30| 评论: 0

阅读字号:

摘要: 本电路如下图所示,全部采用分离元件制作,各元件取不同值可分别适应25W、50W和100W的功率输出。如果将下图(a)中①~⑤各点间的电路用图(b)电路部分代替,则可防止在控制信号过大或输出短路时末级晶 ...
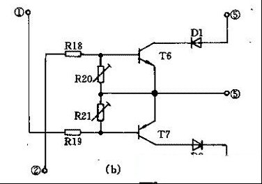
    本电路如下图所示,全部采用分离元件制作,各元件取不同值可分别适应25W、50W和100W的功率输出。如果将下图(a)中①~⑤各点间的电路用图(b)电路部分代替,则可防止在控制信号过大或输出短路时末级晶体管过载。当超过由R20、R21电位器所限制的阈值电压时保护晶体管导通,从而降低了加在推动级和末级复合管基极上的电压,保护了末级晶体管。
           由电路图可知这是一款OTL功放,末级推挽放大晶体管采用了复合三极管,以满足输出功率的要求,制作时应安装足够面积的散热器。这种功放电路由于输出电容限制频率响应不是很好,在一般家庭音响中使用较少,主要用于公众场合的扩音。
 
  
 
  该电路元器件参数如下表所示
                              技术参数                          电阻参数                                      额定输出功率(W)                          25                          50                          100                          额定输出功率(W)                          25                          50                          100                                      电源电压(V)                          40                          60                          80                          R1(kΩ)                          150                          150                          150                                      T1集电极电流(mA)                          0.5                          0.5                          0.5                          R2(kΩ)                          150                          220                          390                                      T2集电极电流(mA)                          5                          4                          4                          R3(Ω)                          47                          47                          47                                      末级静态电流(mA)                          20                          40                          40                          R4(kΩ)                          47                          100                          220                                      全控时总消耗电流(A)                          1.2                          1.65                          2.25                          R5(kΩ)                          3.3                          3.3                          3.3                                      最大输出功率(W)
f=1kHz,k=1% 
                           30                          57                          109                          R6(kΩ)                          1.2                          1.2                          1.2                                      全控时输入电压(mV)                          400                          400                          500                          R7(kΩ)                          1                          1                          1(0.5W)                                      输出阻抗(Ω)                          0.04                          0.05                          0.1                          R8(kΩ)                          1.2                          2.7                          2.2                                      输入阻抗(kΩ)                          150                          150                          150                          R9(kΩ)                          1.5                          1.5                          1.5                                      畸变系数
f=1kHz,额定输出功率                          0.1%                          0.35%                          0.3%                          R10(kΩ)                          1                          1                          1                                                                 R11(Ω)                          680                          680                          680                                      R12,R13(Ω)                          270                          270(0.5W)                          270(0.5W)                                      R14(kΩ)                          1.8                          2.7                          5.6                                      R15,R16(Ω)                          0.5(2W)                          1(7W)                          1(15W)                                      R17(Ω)                          10                          10(0.5W)                          10(1W)                                      *电阻未注明瓦数者均为0.25W                                                  电容参数                          晶体管型号                                      额定输出功率                          25W                          50W                          100W                          额定输出功率                          25W                          50W                          100W                                      C1(μF)                          0.68                          0.68                          0.68                          T1                          BC558                          BC557                          BC557                                      C2(μF)                          4.7(63v)                          4.7(100v)                          4.7(100v)                          T2                          BC547                          BC637                                                                 C3(μF)                          220(63v)                          220(100v)                          220(100v)                          T3                          BC548                          BC548                          BC548                                      C4(μF)                          220(63v)                          220(100v)                          220(100v)                          T4                          BD645                          BDX65A                          BDX67B                                      C5(PF)                          330                          330                          330                          T5                          BD646                          BDX64A                          BDX66B                                      C6(PF)                          100                          100                          100                          T4、T5散热器热阻,K/W                          ≤5.2                          ≤4.1                          ≤1.2                                      C7,C8(pF)                          330                          330                          330                                                                                                                                                  C9(μF)                          0.1                          0.1                          0.1                                                                                                                                                  C10(μF)                          2200(63v)                          2200(100v)                          2200(100v)                                                                                                                                                              输出功率(4Ω负载电阻)                          25W                          50W                          100W                                      D1                                                     BA318                          BA318                                      D2                                                     BA318                          BA318                                      T6                          BC548                          BC548                          BC548                                      T7                          BC558                          BC558                          BC558                                      R18,R19(kΩ)                          8.2                          10                          27                                      R20,R21(kΩ)                          4.7                          4.7                          4.7

路过

雷人

握手

鲜花

鸡蛋

最新评论

QQ|Archiver|手机版|家电维修论坛 ( 蜀ICP备19011473号-4 川公网安备51102502000164号 )

GMT+8, 2025-11-21 14:30 , Processed in 0.180767 second(s), 17 queries .

Powered by Discuz! X3.5

© 2001-2025 Discuz! Team.

返回顶部