找回密码
 请使用中文注册

日升宝RS-350交直流两用收音机电路原理

2023-5-5 11:38| 发布者: 开心| 查看: 35| 评论: 0

阅读字号:

摘要: RS-350是一款交直流两用便携式收音机,为不同层次的用户提供了趸广泛的选择,也是边远山区接收广播的理想机型。本文详细剖析RS-350的性能特点以及电路,并附上原理图,供广大读者维修和使用时参考。 ...
    RS-350是一款交直流两用便携式收音机,为不同层次的用户提供了趸广泛的选择,也是边远山区接收广播的理想机型。本文详细剖析RS-350的性能特点以及电路,并附上原理图,供广大读者维修和使用时参考。 

  

  一、性能概况 
           RS-350交直流两用供电,外观精致,调谐显示准确,旋钮及全轻触式的功能按键手感特好,是一款高灵敏度(调频FM优于15dBuV,中波MW优于56dB/m,短波优于36dB),低噪声,选择性好,输出功率强大,性能价格比较高的机型(外型见图3)。
  
 
  

  二、功能特点 
    1.交直流供电(交流220V、直流采用3节一号电池供电)。 
    2.调频、中波、短波1-7段全球范围的收音接收系统。 
    3.大屏幕数码液晶显示,显示电台频率准确。 
    4.12小时制电子时钟功能。 
    5.钟控定时开机功能。 
    6.轻触式功能转换,操作非常方便。 
    7.照明功能。当夜间无灯光的情况下按动LIGHT键,能清楚地看到屏幕上显示的电台频率或时钟显示的时间。
  

  三、采用芯片 
         RS-350采用优质AM/FM专用CXA1691BM IC作主芯片,内含AM/FM本振、混频、检渡、鉴频及功率放大等电路;LCD显示驱动采用软封装CMOS大规模集成芯片SC3610作为本机FM/AM收音频率的显示驱动。SC3610内含分频器、12小时制时钟系统、LCD驱动系统及运算逻辑系统。
  

  四、电路原理简
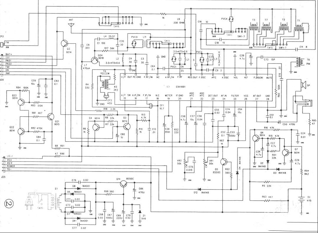
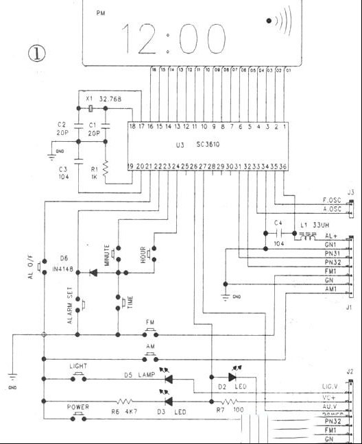
    1.数字显示时钟、收音频率及定时开机线路原理请参阅附图1(控制板原理图)和附图2(主板原理图)。(注:均系扫描图)
  
 
  

    (1)时钟显示:该部分功能线路主要由IC U3(SC3610)控制及完成。当本机正确接上电源时控制板连线接口J1之AL+脚有3V电压,通过L1电感向U3 36脚供电,这时U3正常工作,驱动LCD显示12:00。LCD显示的各字符由u3的(①~16脚)驱动。 
    (2)时钟、定时开机时间的调校及定时开机的原理:当按一下AL、O/F钮时,IC u3 21脚低电平触发,通过IC U3内部控制,驱动LCD显示时钟符号,此时为钟控定时开机状态。接着按住ALARM SET钮、Ic U3 22脚均低电平触发、通过IC U3内部挖制,驱动LCD显示“SET”符号,此时再分别按MINUTE(分)或HOUR(时)钮可以设定定时开机时间的操作,这时IC U3 23脚、24脚分别为低电平触发,同样通过Ic u3内部控制,驱动LED显示“分”或“时”数字向上变化,直调至需要定时开机的时捌例如:12:30。用同样方法一手按住TIME(时间)钮,另一手分别按MINUTE(分)或HOUR(时)钮,将时间调至现在时刻,例如:7:30。当时间行至12:30时,Ic u3 27脚输出低电平,通过控制板连线接口J2的AU、V脚与收音板连线接口J25的AU、V脚连接、这时使收音板Q5(8550D)基极电位降低,Q5导通,这时Ic1 CXA1691BM 26脚正常供电(使用电池时该电压约为4.5V),CXA1691BM正常工作,达到定时开机的目的。与此同时,收音板J25之“VC+”脚同样有约4.5V的电压,通过与控制板J2的VC+脚连接,这时该电压通过R7向IC U3 26脚供电,Ic u3 26脚高电平,通过Icu3内部控制,显示时钟模式转变为显示收音频率模式。“VC+”(约4.5V)通过R7向IC U3 26脚供电的同时,控制板发光二极管D3、D2得电,该电压一路经D3、R6到地,D3发光,表示为开机状态。另一路经D2与收音板J25的TD-脚连接。当本机接收到某一电台、且信号强度达某一值时,IC1 19脚输出低电平,该低电平经R52,收音板J25的TD-脚与控制板D2负极连接,这时D2发光,起到调谐指示作用。
    2.FM/MW/SW1~7接收原理及AM/FM电子开关转换原理(见附图2)。 
    (1)、FM接收原理:电台信号由拉杆天线ANT接收,经C30耦合到由L2、C4组成的带通滤波器选出约88—108MHz的调频信号,再经c3耦合到IC1 12脚输入,该信号由外围元件PVC1、C6、L1及IC1 9脚等组成的选频回路选频,选频后的信号再经IC1内部选频放大器放大之后再送到混频器,与此同时,由PVC2、C37、L3组成的本振回路产生的振荡信号由IC1的⑦脚输入再送到混频器进行混频,混频后得出的中频(10.7MHz)信号由IC1 14脚输出经R4、CF1(10.7MHz滤波器)选频,选出的中频信号由IC1 17脚输入,再经IC1内部进行中频放大,鉴频(由C73、T6组成鉴频互助网络),鉴频后的音频信号由IC1 23脚输出,经C56、VR1(电位器)、C74耦合至IC1 24脚输入进行功率放大,放大后的音频信号由IC1 27脚输出经C50推动扬声器或可机。而FM本机振荡信号的另一路经过一个5pF电容及1个1k电阻耦合到控制板IC U3的35脚,再经内部放大及分频处理后驱动LCD显示。 
    (2)、AM/FM电子开关转换及MW接收原理:由Q2、Q4、R10、R6、C60、R7、R8等组成的AM/FM电子开关转换电路,FM模式下,Q4导通、Q2截止,IC1 15脚高电平,这时为FM状态;当按一下AM按钮时Q4基极低电平,Q4截止,Q2导通,IC1 15脚低电平,这时IC1内部自动转换为AM模式,信号由PVC3、L11的初级组成的输入回路选频,选出的电台信号由L11耦合经开关SW1A转换到Ic1的⑩脚输入,而MW本振电路由PVC4及T3组成,该回路产生的本振信号经SW1D由IC1⑤脚输入、经IC1内部混频放大之后得出的中频455kHz信号由14脚输出,再经R3、T5、CF2(455B)组成的选频回路,选出的中频信号由16脚输入,再经IC1内部进行中频放大、检波,得到的音频信号由23脚输出至功放输出。 
    (3)、SW1-7接收原理:IC1在AM状态下,SW1-7的电台信号由拉杆天线接收,经L4、C1耦合至由Q24、R17、C7等组成的放大器放大,放大后的信号由c8输出,经SW1A转换到IC1⑩脚输入。而SW1~7本振回路由T7、T2、T1、PVC4、C16、C18等元件组成、本振信号经SW1 D转换后由IC1 5脚输入与Ic1⑩脚的高频信号一起送到IC内部混频器进行混频,混频后得出的455kHz中频信号由IC1的14脚输出(之后同MW中频信号输出至功放输出)。另外MW、SW1-7本振信号另一路经C11送到控制板IC U3 33脚再经内部放大、分频等处理后,驱动LCD显示电台频率。 
    3.电子开关原理。该电子开关由Q6、R15、R16、C26、C27、C24、R51、D2、D3、C29、R63、R64、R5、Q7、Q5、R62、D4等组成。当本机接通电源时Q7导通、Q6截止、Q5截止,此时为关机状态,当按一下电源开关(POWER)钮时。Q7截止、Q6导通、Q5导通,这时Ic1 26脚正常供电为开机状态。

路过

雷人

握手

鲜花

鸡蛋

最新评论

QQ|Archiver|手机版|家电维修论坛 ( 蜀ICP备19011473号-4 川公网安备51102502000164号 )

GMT+8, 2025-11-22 11:05 , Processed in 0.354303 second(s), 17 queries .

Powered by Discuz! X3.5

© 2001-2025 Discuz! Team.

返回顶部