找回密码
 请使用中文注册

道奇收音机部分电路分析

2023-5-5 11:38| 发布者: 开心| 查看: 25| 评论: 0

阅读字号:

摘要: 道奇收音机中的大部分IC芯片属定制,型号命名比较特殊,均是用一串串数字表示,其资料很难查找。笔者使用近几年的道奇机最近出现了一点故障,查阅近几年关于道奇机的文章没能找到很详细的资料,于是借 ...
    道奇收音机中的大部分IC芯片属定制,型号命名比较特殊,均是用一串串数字表示,其资料很难查找。笔者使用近几年的道奇机最近出现了一点故障,查阅近几年关于道奇机的文章没能找到很详细的资料,于是借来收到其他维修同行的一台正常使用的机子进行对比研究,结合IC的外围电路、功能及标记,找到了部分IC的确切型号和资料,供朋友们参考(注:单、双功放机型元件编号有别,文中为双功放板编号)。 

      1、CPU(U1):单功放机使用的CPU标号是ECT9344N,上有“ST”标志;双功放使用的CPU标号是AD9501,均为双列28脚封装,外围电路完全一样。后经查证,实际为ST公司的ETL9344,该CPU是一款多功能的4位NMOS微处理器,宽电压、宽温度,管脚功能如图1。在道奇机中使用的电压为5V,CKI输入频率为2MHz,芯片内部写进了整机的控制程序。
  
 
      2、电源:收音电路、音频处理等采用三端稳压块U4,标号为8AI209等,其封装、管脚功能与常见的78系列一样,实测输出电压为10V;CPU、时钟电路则采用五端稳压块U5,输出电压为5V,与常见的L78MR05的使用、管脚相同。在道奇机中的应用电路如图2,其中第④脚用于监测主电源。 
  
 
      3、降噪电路(DNR)U14,标号为+CA9223M等,实际测绘的电路如图3。从引脚功能与元件参数判断,与常见的降噪芯片LM1894应用一致,降噪通过U2完成。
  
 
      4、音量、音调、平衡控制电路U13,标号为DSS9220等,实测电路如图5。从功能、引脚判断,与常见的TDA1524应用一致,不同之处在于音量、音调控制电路与TDA1524的典型应用有别,可能与应用的环境有关。
  

    5、AM处理电路U8,这是唯一一片标有具体型号的芯片LA1135,其内部框图如图4。 
  

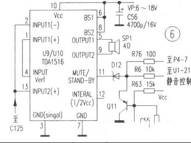
    6、功放电路U9/U10,这是以前流行的两种机子的最大不同之处。两种机型均采用飞利浦车用功放,SIL13脚封装。经核查,双功放的电路与TDA1516应用完全相同。该芯片内含两个独立的功放。在供电电压14.4V、BTL接法、扬声器阻抗  4Ω、THD=10%时输出功率为24w,具体电路如图6;单功放电路与TDA1552应用完全相同,其内含四个功率放大电路,内部已接成两种BTL电路,在同样的条件下输出功率为2×22W,电就是说两种机型的输出功率是一样的,具体电路如图7。上述功放电路外围器件极少,与常见的TDA1521相比,除封装不同外,前者为汽车功放设计,外围器件少,采用单电源供电,可靠性高,满载时失真较大;而后者为Hi—Fi设计,可用单双电源供电,满载时失真较小。两种机型的静音电路相似,主要用于磁带放音倒带时关闭扬声器,此功能收音不用而空置。另外,道奇收音机是假的四声道,左右声道通过一个特殊的电位器将功率分配给前后四只扬声器。
  
 
  

       道奇收音机中共有12块IC(单功放机11块),其中面板2块。除上述7种外,还有FM高放U6、中放U11(东芝IC)、立体声解码U3(飞利浦IC)、收音调谐、时基IC U2(标号B9214、AB9217等)、负压产生电路U202及VFD显示屏驱动电路U201,虽功能知晓,但具体型号尚未找到,希望有这方面资料的朋友互相交流

路过

雷人

握手

鲜花

鸡蛋

最新评论

QQ|Archiver|手机版|家电维修论坛 ( 蜀ICP备19011473号-4 川公网安备51102502000164号 )

GMT+8, 2025-11-21 15:51 , Processed in 0.156052 second(s), 17 queries .

Powered by Discuz! X3.5

© 2001-2025 Discuz! Team.

返回顶部