找回密码
 请使用中文注册

德生牌二次变频收音机R9701电路原理分析

2023-5-5 11:38| 发布者: 开心| 查看: 47| 评论: 0

阅读字号:

摘要: 接收机的二次变频技木早先主要用于军事通信领域,以后逐渐用于民用通讯设备,如对讲机、移动电话、收信机等。国内将此技术移植于收音机中的德生公司第一家。第一代“短波王”R9700的推出,曾畅销大江 ...
    接收机的二次变频技木早先主要用于军事通信领域,以后逐渐用于民用通讯设备,如对讲机、移动电话、收信机等。国内将此技术移植于收音机中的德生公司第一家。第一代“短波王”R9700的推出,曾畅销大江南北,此后,又先后推出R9701、R9702等功能更优异,使用更方便的机型。 
           二次变频技术与传统的超外差式收音机的电路结构比较,见图1所示。 
  
 
         由上图可以看出,二次变频的应用,使收音机的接收灵敏度和选择性等指标大大提高。下面将承前启后的R9701机作一典型介绍。
  
 
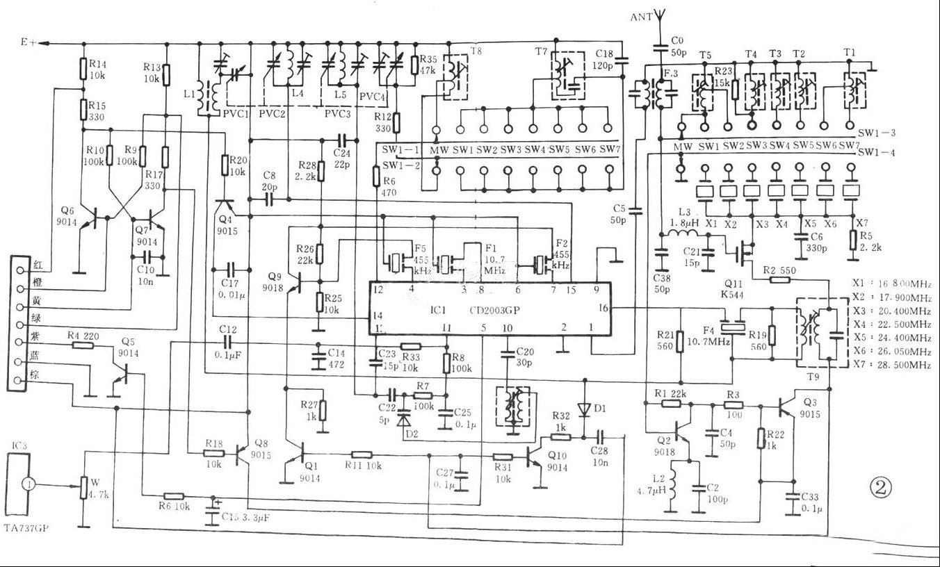
          上图2是德生R9701 AM/FM前级电路图,图3为其功放电路与操作功能显示电路。K1为电源开关。图2中的Q6、Q7等元件组成双稳态电子波段切换开关。由于开机瞬间,C10上的电压不能突变,Q7截止,电源电压E+通过R13、R9使Q6导通,其集电极上的低电平使Q4导通,IC1 14脚输入高电平,于是IC1工作在FM状态。与此同时,Q6集电极外接的FM LED点亮。 
        拉杆天线ANT接收到的高频信号经CO、F3、C5耦合至IC1①脚。IC1是一片低电压AM/FM收音机专用集成电路,内含AM/FM本振,混频及检波电路,内部结构如图4所示,引脚功能及实测数据如表1所示。
 
  
 
           IC1①脚输入的FM信号经内部高频放大从15脚输出,再由PVC2、C8、L4选频后与PVC2同步调谐的本振信号(PvC3、L5、C24、IC1③脚内部元件组成)一起送入混频器。混频后从③脚输出的10.7MHz中频信号再经FM选频并送入IC1⑧脚,经内部中频放大,FM鉴频后通过电子开关选通,从11脚输出鉴频后的音频信号。TuN LED为电台强场指示灯(见图3)。
  
 
         按动电子波段开关AM时,即相当于给Q6基极一个人为的低电平.Q6截止,FM LED熄灭。同时Q4也因高电平而截止,IC1工作在调幅波段。Q6集电极的高电平又使Q7由截止转为导通,AMLED点亮。由于Q7的导通,Q8导通,Q3截止。这时如果波段开关打在MW波段,SW波段的第一本振管Q2基极被信号短路,Q2截止。这时Q10、D1均截止。中波信号的接收与选频由Ll、PVC1等组成,并经R21送入IC1 16脚。与PvCl同步调谐的本振信号(PVC4、R35、R12、T8等元件组成)从IC1 12、16脚一起输入到混频器.得到455MHz中频信号从IC1 ④脚输出,再经F5、F2选频后从⑦脚输入。由于F5具有一定的插入损耗,信号经Q9作预放大。从⑦脚输入的455kHz中频信号经AM中频放大,检波后,再经电子开关选通从11脚输出检波后的音频信号。 
       如波段开关打在SW1~SW7任一位置,中波本振线圈T8被切断。拉杆天线ANT接收到的AM信号经C0、F3耦合至波段开关上与T1-T5等元件组成SW段带通滤波器。石英晶体X1~x7与Q2等元件组成SW段第一本振回路。Q2起振后,Q3导通,场效应管Q11得电工作。Q3导通后,Q10、Dl均导通,PVC1调谐回路被短路,可有效防止中波信号进入IC1。从天线接收AM高频信号和第一本振管Q2输出的本振信号一起送入混频级Q11。Q11在这里作混频管。其优点是输入阻抗高,噪声低,动态范围大,基本克服了接收机噪声大,易过载等缺点.还使整机的灵敏度、选择性大大提高。混频后的信号经R2、T9、F4选频得到10.7MHz中频宽带信号进入IC1的11脚。在F4的输出端并有阻尼电阻R21,其通频带≥500kHz,而且通带外衰减很大,它只允许10.7MHz±0.25MHz频带内的信号通过。SW1~SW7每个波段的频带均≤500kHz,因此可将每一个波段的不同信号变频到10.7MHz±0.25MHz范围内。 
    T7、C18、R35、PVC4、R12等元件组成第二本振回路。振荡信号IC1的12脚输入并与从ICl的16脚输入的第一中频信号一起送入混频器混频,得到的455kHz中频信号从④脚输出。T7为第二本振回路的本振线圈,改变PVC4中的容量可改变第二本振频率,因此可从带宽为500kHz的第一中频信号中找出某一电台频率,并将其变频为455kHz的第二中频信号。从IC1④脚输出的中频信号再经F5,F2选频后从IC1⑦脚输入。虽然本机短波采用了二次变频,但其灵敏度仍比中波接收效果要差一些。加之F5有一定的插入损耗,因此这里加有一级由Q9等元件组成的预放大电路。在SW接收过程中,由于Q2的起振,Q3导通,Ql随之导通。Q1的导通相当于将Q9的发射级直接接地,因此Q9的放大能力加强。从IC1⑦脚输入的中频信号经Ic内部中频放大,AM检波后,再由电子开关选通从11脚输出检波后的音频信号。由于SW波段的第一变频使用了石英晶体,因此第一中频频段就非常稳定。虽然第二次变频仍使用了LC回路,有微小的频偏,但这种频偏仍在其正常范围内,因此它不会产生逃台及飘移,可与PLL系统抗衡。 
        IC1的11脚输入的音频信号经R33、c12耦合.再由音量电位器w调控并送入音频功放集成电路IC3的1脚见图4。   
        TA7376P实际上是一片双声道功放集成电路,每声道可输出21mw的有效功率。本机由于没有立体声鉴频能力,故TA7376P设计成BTL工作模式,使得输出功率成倍增大。即使在使用耳机时,IC3仍为BTL工作仿式,两只耳机只不过串联而已,这便是本机唯一的缺憾。TA7376P内部结构如图5所示。引脚功能及实测数据如表2所示。本机各晶体管实测数据如表3所示。 
 
  
 
  

路过

雷人

握手

鲜花

鸡蛋

最新评论

QQ|Archiver|手机版|家电维修论坛 ( 蜀ICP备19011473号-4 川公网安备51102502000164号 )

GMT+8, 2025-11-21 15:49 , Processed in 0.179638 second(s), 17 queries .

Powered by Discuz! X3.5

© 2001-2025 Discuz! Team.

返回顶部