找回密码
 请使用中文注册

一款低价优质扩音机的制作

2023-5-5 11:37| 发布者: 开心| 查看: 35| 评论: 0

阅读字号:

摘要: 本文笔者制作的收到其他维修同行的一台造价低、音质高的2×50W功放,造价低,该机在广场上可供多达600人的晨练,放音效果相当满意。图1是电路图。与过去介绍的功放电路相似,但本图特殊地方是增加了由R4、R5、R6和C2组成的 ...
    本文笔者制作的收到其他维修同行的一台造价低、音质高的2×50W功放,造价低,该机在广场上可供多达600人的晨练,放音效果相当满意。图1是电路图。与过去介绍的功放电路相似,但本图特殊地方是增加了由R4、R5、R6和C2组成的电流负回授,能有效消除扬声器音圈感应电压造成的失真,进一步提高了本机的音质。改变R9能改变本机工作状态,R9值增大输出向甲类工作状态靠近,R9值变小输出向乙类状态靠近,43Ω是甲乙1类状态。本机选管用500型万用表测Q5、Q4的β值要接近,Q6、Q7的β值要接近,Q1、Q2的β值接近。
  

      Q1、Q2、Q5用国产N5551,Q3、Q4用N5401,Q6、Q7用达林顿管D1277。R6、R14、R15用5W瓷电阻,其他阻容元件无特殊要求。如果焊接无误开机就能正常工作,输出功率50W,装两套组成双声道。配上两只音箱,在户外使用经久耐用,音质相当满意。 
  

  

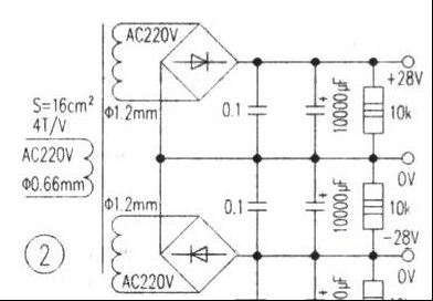
      电源要求有200W功率。图2是交流电源,图3是直流供电,以便在户外使用,用4只12V 3Ah铅酸蓄电池,能保证连续2小时工作。图4是印板图,笔者是用手工刻出所需敷铜板,工具用废钢锯条,将敷铜板用铁尺压好,用手均匀一拉,一条条的断条就出来了。附表是所用三极管特性资料,当然还有更好的三极管。 
  

路过

雷人

握手

鲜花

鸡蛋

最新评论

QQ|Archiver|手机版|家电维修论坛 ( 蜀ICP备19011473号-4 川公网安备51102502000164号 )

GMT+8, 2025-11-21 15:51 , Processed in 0.192680 second(s), 17 queries .

Powered by Discuz! X3.5

© 2001-2025 Discuz! Team.

返回顶部