找回密码
 请使用中文注册

使用GTD201/GTD101的IGBT声频功放

2023-5-5 11:37| 发布者: 开心| 查看: 32| 评论: 0

阅读字号:

摘要: IGBT是最近十几年来使用很广的大功率半导体器件。IGBT的主要运用一般是在电力电子领域,它接通电阻小于VMOS管而工作频率高于双极型大功率晶体管的基本优点使之成为VMOS和双极大功率晶体管的强烈竟争对手 ...
    IGBT是最近十几年来使用很广的大功率半导体器件。IGBT的主要运用一般是在电力电子领域,它接通电阻小于VMOS管而工作频率高于双极型大功率晶体管的基本优点使之成为VMOS和双极大功率晶体管的强烈竟争对手。新型IGBT的工作频率超过100kHz而单管输出功率已愈10kW。把IGBT运用到Hi-Fi的音频功放,似乎不太可能。但是日本东芝公司曾推出一对专门用于音频功放的IGBT管,即本文介绍的GTD101(NPN型)和GTD201(PNP型),并运用它成功制作出Hi—Fi级的音频功放。 
  
      这一对音频功放专用的IGBT管在电路设计上克服了常规IGBT管的一个缺点。如图1所示,IGBT管在设计制作时,一个NPN型的寄生晶体管在其内部形成。如果IGBT管内部为一PNP三极管的集电极电流输出超过给定值,这个寄生NPN晶体管将引起IGBT管关闭。 

       再则若流经IGBT管P基区电流足够大,内部NPN晶体管可以正偏,如同PNP器件一样,成为永久导通的晶闸管。本设计解决办法是在IGBT管的输入端连接一只NPN晶体管,如图2所示,此举起了个关闭保护功能作用。如IGBT管的输出电流超过设计值,输入晶体管就会导通。      一般设计最大电流值为峰值16A,而GTD101为20A。

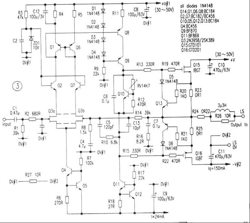
       东芝公司设计的IGBT音频功率放大器电路示于图3。这个电路给出音频输出功率可达40-80W,而总谐波失真小于0.05%。 
  
      需要指出,除前面提到的关闭现象外,IGBT管是比双极大功率晶体管更耐用且与VMOS管相比,其门极/源极击穿不敏感的器件。IGBT高的峰值电流有助于在音响领域驱动低阻抗的扬声器。众所周知,双极型大功率管常需防二次击穿的保护电路,而VMOS管在电流还很小时即可能引起波形钳位。 

      图3放大器输出功率尽管达40-80W,但IGBT功放的输出波形却不错,图4是放大器输出的10kHz方波信号,其负载为容性的2uF。 
  

路过

雷人

握手

鲜花

鸡蛋

最新评论

QQ|Archiver|手机版|家电维修论坛 ( 蜀ICP备19011473号-4 川公网安备51102502000164号 )

GMT+8, 2025-11-23 12:31 , Processed in 0.237666 second(s), 17 queries .

Powered by Discuz! X3.5

© 2001-2025 Discuz! Team.

返回顶部