找回密码
 请使用中文注册

电子管栅压的供电方式和特点

2023-5-5 11:36| 发布者: 开心| 查看: 25| 评论: 0

阅读字号:

摘要: 在电子管放大电路中,由于电子管的放大作用,很小的栅偏压变动就会造成屏流较大的变化,因此栅偏压不稳会造成电子管工作点的漂移。另外,栅偏压是与输入信号串联加在栅极与阴极之间的,栅压供给电路的噪声杂波 ...
    在电子管放大电路中,由于电子管的放大作用,很小的栅偏压变动就会造成屏流较大的变化,因此栅偏压不稳会造成电子管工作点的漂移。另外,栅偏压是与输入信号串联加在栅极与阴极之间的,栅压供给电路的噪声杂波,同样也会在放大信号时被放大,造成信噪比下降。由此可以看出对栅压供电电路的要求比屏压要求更高。现介绍几种常用的栅压供电方式及特点。 

  1.自给栅负压供电电路 
  

      自给栅负压供电方式是功率放大器中最常用的方法(见图1)。其工作原理是利用屏流在阴极电阻Rk上产生电压降,使阴极产生Uk=Ia·Rk的对地为正极性的电压。而栅极通过栅漏电阻Rg接地,其对地电位为零。这样,栅极电压相对阴极来说为负极性,形成栅负压。当电子管工作于甲类放大时,虽然屏流的直流成分是稳定的,但随着输入信号的变化,屏流中交流成分每个瞬时值都是变化的,阴极电阻Rk上的压降也随着变化形成电流负反馈。为了避免这种现象产生,一般在Rk两端并联一个大容量的电容,使交流成分“短路”。图1中影响栅负压的Ck元件的容抗Xc=0.2Rk。当Ck容量>100uF时,可采用几只电容并联,或在Ck上并联0.1uF~0.47uF小电容,使其频响得以改善。自给栅偏压的优点除电路简单、输入阻抗高、频率特性较好以外,还具有自我保护的能力。由于某些原因使屏流增大时,阴极电阻的电压降也增大,造成栅负压的增加,栅负压的增加将使屏流减小,从而保护电子管不致损坏。
  2.栅漏式栅负压电路
  
 
    此种栅负压形成电路的特点是无阴极电阻,栅漏电阻值取得较大(见图2),一般为3M-5M。其工作原理是电子管工作时栅极与阴极电位差为零,当电子由阴极向屏极发射时,有一部分电子撞到栅极上被栅极吸收,使栅极变成负电位。为了使栅极尽量多地捕获电子,一般采用栅极距阴极近、距屏极远的电子管。而且栅极的金属丝绕制密集,如高u三极管或五极管。另外Rg的阻值较一般放大电路的屏极电阻值大许多,这样可使屏极场强较小,吸引力减小,使栅极捕获较多电子。此类电路的优点是电路简单。另外,阴极直接接地,可有效地降低灯丝电压对放大器的干扰,信噪比高。但此类放大器栅极负压一般为1V左右,输入信号幅度不得超过0.5Vp-p,主要用于小信号放大。如电磁式电唱盘放大,话筒放大或磁头放大等。 
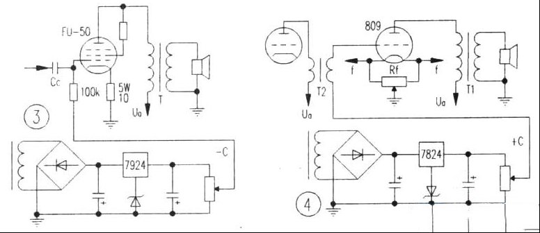
3.固定栅压电路
  

    此类电路单独用一组栅压电源为电子管提供栅压。见图3、图4。根据电子管型号不同、工作状态不同,其栅压有正负之分。一般A类、AB1类放大器的栅压为负极性,A2类、B类等工作在有栅流状态的放大器栅压为正极性。固定偏压电路的优点是工作点稳定,不受屏流变化影响。相同屏压下电子管可输出较大功率。缺点是采用固定式栅负压电路的电子管无自我保护能力,一旦栅负压电源电路失效,会造成屏流迅速增大,使之损坏。但A2类、B类放大器则无此虑。固定式栅偏压电路一般应用于功放级。

路过

雷人

握手

鲜花

鸡蛋

最新评论

QQ|Archiver|手机版|家电维修论坛 ( 蜀ICP备19011473号-4 川公网安备51102502000164号 )

GMT+8, 2025-11-21 18:24 , Processed in 0.177918 second(s), 17 queries .

Powered by Discuz! X3.5

© 2001-2025 Discuz! Team.

返回顶部