找回密码
 请使用中文注册

E282F加推动牛制作的300B分体式胆机

2023-5-5 11:36| 发布者: 开心| 查看: 90| 评论: 0

阅读字号:

摘要: 300B单端甲类功率放大器经典线路很多,推动管和功率管大多用电容耦合,虽然换用不同的电容,音色会有区别,但电容有其局限性,高中频和低频一般都不能很好兼顾,笔者玩了8年的电容耦合300B合并机,现在换了一个 ...
    300B单端甲类功率放大器经典线路很多,推动管和功率管大多用电容耦合,虽然换用不同的电容,音色会有区别,但电容有其局限性,高中频和低频一般都不能很好兼顾,笔者玩了8年的电容耦合300B合并机,现在换了一个思路,以探求300B功放更完美的音乐重放,并取得了满意的结果。 

  

  一、方案和线路特点     此作的目标是全面提升声音的平衡,做好高低频力度和延伸,音场和空气感要有更全面表现。根据以往的制作、校声和使用的经验,确定了以推动牛作推动耦合,采用纯后级的方式,并以电子管前级放大器来驱动。 

      质量好的推动牛频响可做得很宽,选择合适的阻抗,达到20Hz-25kHz±1dB的频响没多大困难。当用推动牛时,推动管宜选用低内阻、大电流、低噪声管,这时推力充裕,低频下潜较深,高音的延伸和韵味好于小电流高内阻管,一般都推荐用5842,甚至2A3来推300B,但这二种管价格不菲。偶尔的机会,得到西门子的E282F金脚长寿命管。该管的使用频率250MHz,允许屏流35mA,是低内阻大电流五极管,接成三极管使用时,内阻仅800Ω,并且线性非常好,又找到了三极管接法时的特性曲线簇。使设计有了依据。E282F的参数见表1,管脚见图1。
  
     三极管接法时,当Va=125V、Rk=350Ω时,Ia=40mA,S=32mA/V,Ri=800Ω,u=25.5。 

      由此可见,E282F在接成三极管工作状态时,具有高跨导、低内阻和大电流的特点,非常适合作推动管。值得一提的是其极间电容小(Cag1max=50mpFCakmax=50mpF),从而更保证了高频的表现。
  
    功率放大器见图2,根据E282F的三极管接法的特性曲线簇,选取工作点在其线性放大区,同时考虑到推动变压器允许的工作电流以小于30mA为好,选取屏压Va=148V,屏流Ia=24mA,栅负压为Vg1=-3.8V,由计算取阴极电阻为Rk=152Ω。当Rk不并联电容时,将构成电流负反馈,可减小失真。因本功放不加级间负反馈,在推动级加上一点本级电流负反馈,对减小失真有一定的作用,但这时低频的表现不如并联阴极旁路电容好,为此将阴极电阻分为R3+R4,在R3上并联了优质电解电容,而R4上不并联电容构成部分电流负反馈,实践证明,这样做非常有效,低频无论在下潜和量感上已足够,而听感远好于在整个阴极电阻上并联一个阴极电容。 

      关于推动变压器,一般在300B功放上都介绍用推动比为1:2的,这样次级阻抗较高,又有一定的升压作用,但笔者考虑本推动级电流大,推动300B已有足够的功率,而300B本身又是个低内阻直热三极管,对推动牛的次级阻抗并没有严格要求,而如果次级阻抗高,将极大地增加推动变压器的绕制难度,因阻抗越高,线圈圈数越多,漏感越大,高频响应将劣化,因此采用了1:1阻抗比(5k:5k),允许工作电流30mA的推动牛。 
  
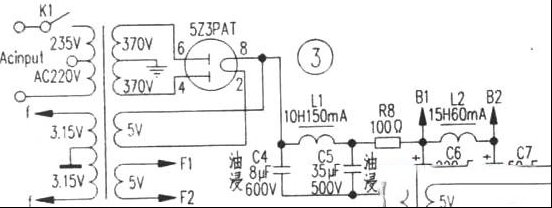
    电源是做好单端直热式三极管功放的关键,整流管用523PAT全波整流,电路见图3。第一节CLC π型滤波器中电容用了2只高压油浸电容,主滤波电容取得较小,为8uF/600V,这对保护整流管有好处。为了能有足够的低音量感,在整个整流滤波电路中,必须要用一个优质的电解电容。油浸电容和电解电容的合理搭配对做好收到其他维修同行的一台功放很重要。主电容用油浸电容对改善音场和空气感作用明显。校音是滤波电容、阴极电容、电阻、线材共同调校的结果。 
    功率放大部分,采用了自给栅偏压的经典线路,限于篇幅,不再赘述。 

  

  二、效果     煲机两个星期,在前级放大器的推动下,其分离度、定位、高低频的延伸,平衡感和速度感全面好于电容耦合的合并机,测得频响20Hz和30kHz时均为-1dB,30kHz正弦波(8Ω电阻负载)和输入波形类同,但因使用了推动牛,10kHz开始方波前沿上冲,15kHz有振铃,但高频的听感很好,笔者从不用蔡琴的CD作校声和听音评价,用贝多芬作品18号之六的降b大调弦乐四重奏试音,该机层次感和高低频的表现是在我的音响设备上从没听见过的。

路过

雷人

握手

鲜花

鸡蛋

最新评论

QQ|Archiver|手机版|家电维修论坛 ( 蜀ICP备19011473号-4 川公网安备51102502000164号 )

GMT+8, 2025-11-21 18:24 , Processed in 0.181166 second(s), 17 queries .

Powered by Discuz! X3.5

© 2001-2025 Discuz! Team.

返回顶部